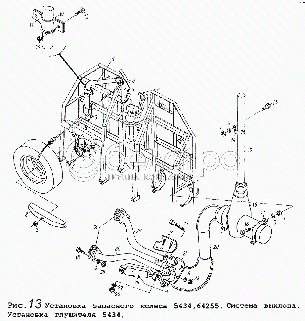
Каталог запасных частей к технике: МАЗ-5434. Установка запасного колеса 5434, 64255.

zoom-in zoom-out enlarge shrink circle-right circle-left file-text2 info cart arraw right arraw left zoom out zoom in arraw maximize arraw minimize
1
2
3
3
4
5
6
6
6
6
6
7
7
7
8
9
10
11
12
13
14
15
16
17
18
18
19
20
21
22
23
24
25
26
27
28
28
29
30
31
1
6422-3108210
Подъемник запасного колеса
В узле: 1
2
6422-3108270
Рукоятка в сборе
В узле: 1
3
6422-3105252
Ролик
В узле: 1
4
5434-3108240-10
Траверса
В узле: 1
5
201497
Болт М10-6gх25
В узле: 2
6
252136
Шайба 10.ОТ
В узле: 23
7
250512
Гайка М10-6Н
В узле: 8
8
5434-3105180-01
Прижим
В узле: 1
9
5335-3101040
Гайка крепления колеса
В узле: 1
10
5434-3108294
Вкладыш верхний
В узле: 2
11
5434-3108291
Крышка вкладыша
В узле: 1
12
201454
Болт М8-6gх16
В узле: 2
13
459563 1253
Гайка М8-6Н
В узле: 2
14
5434-1203563
Хомут
В узле: 1
15
201499
Болт М10-6gх30
В узле: 2
16
5434-1203075-20
Труба выхлопная
В узле: 1
17
5337-1203030-01
Хомут
В узле: 2
18
200315
Болт М10-6gх40
В узле: 10
19
5434-1201010
Глушитель
В узле: 1
20
5434-1203022
Тройник
В узле: 1
21
5434-3570010-03
Заслонка
В узле: 1
22
5337-1203092
Кронштейн
В узле: 1
23
5337-1203164
Хомут
В узле: 1
24
252135
Шайба 8Т
В узле: 2
25
250510
Гайка М8-6Н
В узле: 2
26
100-3770210
Цилиндр
В узле: 1
27
200332
Болт М10-6gх115
В узле: 4
28
250536
Гайка М10-6Н
В узле: 10
29
5337-1203010
Труба глушителя приемная, правая
В узле: 1
30
5337-1203011
Труба приемная левая
В узле: 1
31
500-1203002
Прокладка
В узле: 2
Содержащиеся в справочниках-каталогах запасные части и детали не предлагаются к продаже, а носят исключительно информационный характер

Ваша заявка была отправлена. В ближайшее время наши специалисты с Вами свяжутся по указанному Вами телефону.

Представьтесь
Поле обязательно для заполнения
Ваш телефон
Введите правильный номер телефона
E-mail
Введите правильный e-mail
Тема
Тема
применяемость финансирование доставка цена, наличие другое сервис и гарантия
Время для звонка
08:00
08:00 09:00 10:00 11:00 12:00 13:00 14:00 15:00 16:00 17:00 18:00 19:00
19:00
08:00 09:00 10:00 11:00 12:00 13:00 14:00 15:00 16:00 17:00 18:00 19:00

Мы постараемся перезвонить в указанное время

Если вы не хотите ждать, то звоните нашим вежливым консультантам:

8 800 100-2-700
Подтвердите, что вы не робот
Подтвердите, что вы не робот
Спасибо!

Ваше сообщение успешно отправлено!

ЗакрытьПовторить попытку