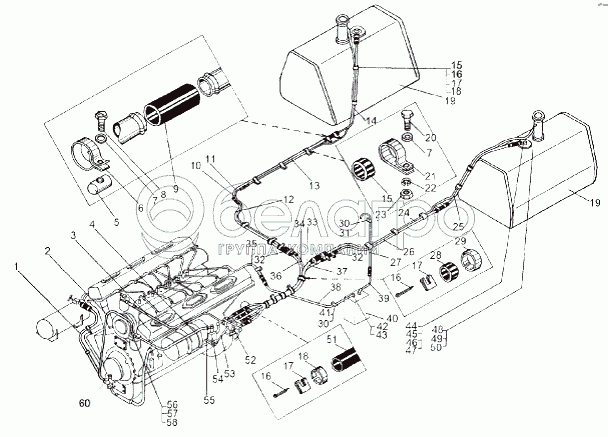
Каталог запасных частей к технике: МАЗ-543 (7310). Монтажная схема топливопроводов 543

zoom-in zoom-out enlarge shrink circle-right circle-left file-text2 info cart arraw right arraw left zoom out zoom in arraw maximize arraw minimize
1
2
3
4
5
6
7
7
8
9
10
11
12
13
14
15
15
16
16
16
17
17
17
18
18
19
19
20
21
22
23
24
25
26
27
28
29
30
30
31
32
32
33
34
35
36
37
38
39
40
41
43
44
45
46
47
48
49
50
51
52
53
54
55
56
57
58
60
60
1
543-1015792
Топливопровод от насоса к подогревателю
В узле: 1
2
543-1104234-10
Топливопровод
В узле: 1
3
543-1104242
Топливопровод от фильтра к крану слива топлива
В узле: 1
4
543-1104536
Шланг соединительный
В узле: 1
5
374179
Гайка М6-6Н
В узле: 18
6
535Б-3506112
Хомут шланга
В узле: 18
7
252004
Шайба 6
В узле: 29
8
370537
Болт М6-6gх35
В узле: 18
9
543-1104211
Шланг соединительный Ф18х100
В узле: 7
10
543-1104264
Топливопровод от бака правого к крану
В узле: 1
11
543-1104250
Топливопровод
В узле: 1
12
543-1104268
Топливопровод правый
В узле: M
13
543-1104252
Топливопровод от крана слива к баку
В узле: 1
14
543-1104202
Топливопровод первый
В узле: 1
15
543-1804397
Прокладка
В узле: 13
16
297575
Шплинт 5,6х22
В узле: 33
17
297580
Пряжка
В узле: 33
18
297582
Лента
В узле: 27
19
543-1101010-10
Бак топливный
В узле: ---
20
201418
Болт М6-6gх16
В узле: 11
21
379665
Кпяммер
В узле: 8
22
252134
Шайба 6Т
В узле: 12
23
250508
Гайка М6-6Н
В узле: 9
24
543-1104251
Топливопровод к баку
В узле: 1
25
543-1104208
Топливопровод бака
В узле: 1
26
543-1104265
Топливопровод от бака левого к крану
В узле: 1
27
543-1104276
Трубка вентиляционная длинная
В узле: 1
28
543-3506226-А
Прокладка
В узле: 9
29
297584
Лента
В узле: 6
30
543-3506223
Прокладка
В узле: 3
31
315402
Кляммер
В узле: 1
32
543-1104213
Шланг соединительный
В узле: 2
33
543-1104248
Топливопровод
В узле: 1
34
543-1104249
Топливопровод
В узле: 1
35
543-1104516
Топливопровод сливной от форсунок к шлангу
В узле: 1
36
543-1104272-Б
Топливопровод
В узле: 1
37
543-1104269-Б
Топливопровод
В узле: 1
38
543-1104524
Топливопровод сливной от шланга к бачку
В узле: 1
39
543-1104277-10
Трубка вентиляционная
В узле: 1
40
547А-1129019
Бачок
В узле: 1
41
315412
Кляммер
В узле: 1
43
543-1105514
Гайка М12х1,5
В узле: 2
44
543-1104194
Патрубок переходной
В узле: 2
45
258253
Шплинт 1,2х175
В узле: 3
46
535А-1104224
Болт поворотного угольника
В узле: 2
47
535А-1104226-А
Прокладка
В узле: 4
48
379078
Угольник
В узле: 2
49
379225
Гайка М14х1,5-6Н
В узле: 4
50
379275
Муфта
В узле: 4
51
543-1104212
Шланг 8х70
В узле: 11
52
543-1116010-01
Кран топливораспределительный
В узле: 1
53
543-1035066
Шланг
В узле: 1
54
0000-1133084
Ручной топливоподкачивающий насос РНМ-1К У2
В узле: 1
55
543-1303530
Хомут
В узле: 2
56
543-1104224
Болт поворотного угольника
В узле: 1
57
535А-1018157
Кольцо уплотнительное
В узле: 3
58
543-1104584
Переходник
В узле: 1
60
535Б-1018296
Прокладка
В узле: 2
60
543-1104526
Прокладка
В узле: 1
Содержащиеся в справочниках-каталогах запасные части и детали не предлагаются к продаже, а носят исключительно информационный характер

Ваша заявка была отправлена. В ближайшее время наши специалисты с Вами свяжутся по указанному Вами телефону.

Представьтесь
Поле обязательно для заполнения
Ваш телефон
Введите правильный номер телефона
E-mail
Введите правильный e-mail
Тема
Тема
применяемость финансирование доставка цена, наличие другое сервис и гарантия
Время для звонка
08:00
08:00 09:00 10:00 11:00 12:00 13:00 14:00 15:00 16:00 17:00 18:00 19:00
19:00
08:00 09:00 10:00 11:00 12:00 13:00 14:00 15:00 16:00 17:00 18:00 19:00

Мы постараемся перезвонить в указанное время

Если вы не хотите ждать, то звоните нашим вежливым консультантам:

8 800 100-2-700
Подтвердите, что вы не робот
Подтвердите, что вы не робот
Спасибо!

Ваше сообщение успешно отправлено!

ЗакрытьПовторить попытку