Каталог запасных частей к технике: МАЗ-543 (7310). Отопитель кабины

zoom-in zoom-out enlarge shrink circle-right circle-left file-text2 info cart arraw right arraw left zoom out zoom in arraw maximize arraw minimize
1
7
7
8
8
9
10
11
12
13
14
15
15
16
17
18
19
20
21
22
23
24
25
26
27
30
31
32
33
33
34
34
34
35
36
37
38
39
40
41
41
42
42
43
44
45
46
47
48
49
50
51
1
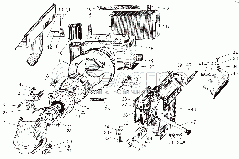
543-8101147
Кожух левый
В узле: ---
7
252133
Шайба 5Т
В узле: ---
8
250464
Гайка М5-6Н
В узле: ---
9
543-8101150
Кожух
В узле: ---
10
543-8102070-Б
Уплотнитель
В узле: ---
11
297580
Пряжка
В узле: ---
12
401810
Лента
В узле: ---
13
543-8102052
Воздухопровод
В узле: ---
14
297575
Шплинт 5,6х22
В узле: ---
15
543-8101022
Прокладка
В узле: ---
16
543-8101020
Прокладка
В узле: ---
17
501-8101060-А
Радиатор отопителя в сборе
В узле: ---
18
543-8101101-10
Кожух радиатора левый
В узле: ---
19
543-8101021
Прокладка
В узле: ---
20
543-8101120-20
Уплотнитель
В узле: ---
21
252036
Шайба 5
В узле: ---
22
220079
Винт М5-6gх14
В узле: ---
23
500-1310075
Пружина
В узле: ---
24
547A-8101200
Ротор
В узле: ---
25
504В-8102248
Держатель электродвигателя
В узле: ---
26
543-8101180
Прокладка
В узле: ---
27
МЭ237-3730000
Электродвигатель
В узле: ---
30
252134
Шайба 6Т
В узле: ---
31
201420
Болт М6-6gх20
В узле: ---
32
220103
Винт М6-6gх12
В узле: ---
33
252134
Шайба 6Т
В узле: ---
34
252004
Шайба 6
В узле: ---
35
543-5304030
Уплотнитель
В узле: ---
36
543-5304012-В
Крышка люка
В узле: ---
37
543-5304056
Прокладка
В узле: ---
38
543-5304054
Прокладка
В узле: ---
39
500-1310075
Пружина
В узле: ---
40
543-5304214
Кронштейн
В узле: ---
41
252005
Шайба 8
В узле: ---
42
252135
Шайба 8Т
В узле: ---
43
201458
Болт М8-6gх25
В узле: ---
44
201420
Болт М6-6gх20
В узле: ---
45
543-5304210
Щиток
В узле: ---
46
543-5304100-Б
Кожух люка
В узле: ---
47
543-5304047-01
Рычаг
В узле: ---
48
201460
Болт М8-6gх30
В узле: ---
49
252037
Шайба 6
В узле: ---
50
543-2905362
Пружина
В узле: ---
51
250508
Гайка М6-6Н
В узле: ---
Содержащиеся в справочниках-каталогах запасные части и детали не предлагаются к продаже, а носят исключительно информационный характер

Ваша заявка была отправлена. В ближайшее время наши специалисты с Вами свяжутся по указанному Вами телефону.

Представьтесь
Поле обязательно для заполнения
Ваш телефон
Введите правильный номер телефона
E-mail
Введите правильный e-mail
Тема
Тема
применяемость финансирование доставка цена, наличие другое сервис и гарантия
Время для звонка
08:00
08:00 09:00 10:00 11:00 12:00 13:00 14:00 15:00 16:00 17:00 18:00 19:00
19:00
08:00 09:00 10:00 11:00 12:00 13:00 14:00 15:00 16:00 17:00 18:00 19:00

Мы постараемся перезвонить в указанное время

Если вы не хотите ждать, то звоните нашим вежливым консультантам:

8 800 100-2-700
Подтвердите, что вы не робот
Подтвердите, что вы не робот
Спасибо!

Ваше сообщение успешно отправлено!

ЗакрытьПовторить попытку