Каталог запасных частей к технике: МАЗ-543 (7310). Подвеска двигателя, сапуны

zoom-in zoom-out enlarge shrink circle-right circle-left file-text2 info cart arraw right arraw left zoom out zoom in arraw maximize arraw minimize
1
2
2
2
2
3
3
4
4
5
6
6
7
7
8
8
9
10
11
11
12
12
14
14
15
15
16
16
16
16
18
19
20
20
20
21
21
21
22
22
23
23
25
26
27
28
29
31
32
32
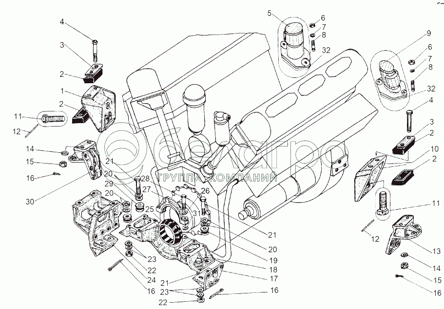
543М-1000423
Монтажная схема масляной системы
В узле: 1
543-1000003
Подвеска двигателя
В узле: 1
543-1000423
Монтажная схема масляной системы
В узле: 1
543М-1000034
Установка маслоналивной горловины
В узле: 1
543-1000032-10
Установка масляного бака
В узле: 1
543-1000024-А
Установка задней выхлопной трубы
В узле: 1
543М-1000022
Установка подогревателя
В узле: 1
543-1000022
Установка подогревателя
В узле: 1
543М-10000404
Двигатель в состоянии установки
В узле: 1
543-10000404
Двигатель в состоянии установки
В узле: 1
543М-1000003
Подвеска двигателя
В узле: 1
1
543-1001065-Б2
Опора двигателя задняя правая
В узле: 1
2
543-1001050-01
Амортизатор
В узле: 4
3
543-1001102
Пластина
В узле: 2
4
372935
Болт М20х1,5-6gх113
В узле: 4
5
543-1002330-Б
Сапун правый
В узле: 1
6
250511
Гайка М8х1-6Н
В узле: 4
7
252135
Шайба 8Т
В узле: 4
8
216234
Шпилька М8х20
В узле: 4
9
543-1002331-Б
Сапун левый
В узле: 1
10
543-1001064-Б2
Опора двигателя задняя левая
В узле: 1
11
372786
Болт 3М18х1,5-6gх50
В узле: 6
12
258295
Шплинт 1.6х550
В узле: 2
14
252019-10
Шайба 20
В узле: 12
15
374910
Гайка М20х1,5-5Н6Н
В узле: 4
16
258054
Шплинт 4,0х32
В узле: 12
18
543-1001015-Б2
Балка опоры двигателя
В узле: 1
19
543-1001025
Амортизатор
В узле: 4
20
543-1001036
Прокладка
В узле: 8
21
372662
Болт 2М16х1.5-6gх97
В узле: 4
22
374720
Гайка М16х1.5-5Н6Н
В узле: 4
23
376038
Шайба 16
В узле: 8
25
543-1001026
Амортизатор опоры двигателя
В узле: 1
26
252140
Шайба 18.ОТ
В узле: 2
27
543-1001028-Б2
Крышка балки
В узле: 1
28
372780
Болт М18х1,5-6gх75
В узле: 2
29
543-1001027
Шайба амортизатора
В узле: 2
31
543-1001074
Прокладка регулировочная
В узле: 8
32
543-1002337-Б
Прокладка регулировочная
В узле: 2
Содержащиеся в справочниках-каталогах запасные части и детали не предлагаются к продаже, а носят исключительно информационный характер

Ваша заявка была отправлена. В ближайшее время наши специалисты с Вами свяжутся по указанному Вами телефону.

Представьтесь
Поле обязательно для заполнения
Ваш телефон
Введите правильный номер телефона
E-mail
Введите правильный e-mail
Тема
Тема
применяемость финансирование доставка цена, наличие другое сервис и гарантия
Время для звонка
08:00
08:00 09:00 10:00 11:00 12:00 13:00 14:00 15:00 16:00 17:00 18:00 19:00
19:00
08:00 09:00 10:00 11:00 12:00 13:00 14:00 15:00 16:00 17:00 18:00 19:00

Мы постараемся перезвонить в указанное время

Если вы не хотите ждать, то звоните нашим вежливым консультантам:

8 800 100-2-700
Подтвердите, что вы не робот
Подтвердите, что вы не робот
Спасибо!

Ваше сообщение успешно отправлено!

ЗакрытьПовторить попытку