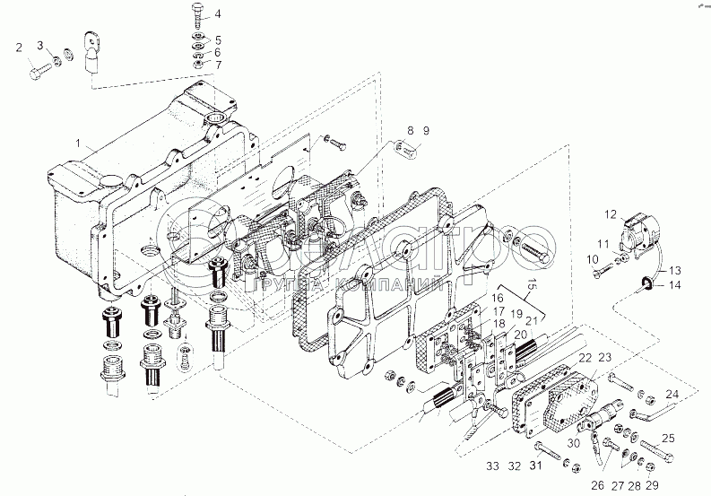
Каталог запасных частей к технике: МАЗ-543 (7310). Установка кожуха контактора

zoom-in zoom-out enlarge shrink circle-right circle-left file-text2 info cart arraw right arraw left zoom out zoom in arraw maximize arraw minimize
1
2
3
4
5
6
7
8
9
10
11
12
13
14
15
16
17
18
19
20
21
22
23
24
25
26
27
28
29
30
31
32
33
1
543М-3710010
Кожух с контакторами
В узле: 1
2
201495
Болт М10-6gх20
В узле: 1
3
252039
Шайба 10
В узле: 1
4
200315
Болт М10-6gх40
В узле: 4
5
252006
Шайба 10
В узле: 13
6
252136
Шайба 10.ОТ
В узле: 7
7
250512
Гайка М10-6Н
В узле: 6
8
252133
Шайба 5Т
В узле: 3
9
220118
Винт М6-6gх48
В узле: 2
10
221590
Винт М5-6gх40
В узле: 3
11
250464
Гайка М5-6Н
В узле: 3
12
ПС400-3723100
Розетка штепсельная
В узле: 1
13
543М-3724062
Пучок проводов розетки
В узле: 1
14
200-3724042
Втулка
В узле: 1
15
543-3723060
Розетка внешнего запуска
В узле: 1
16
543-3723064
Крышка розетки
В узле: 1
17
543-3723074
Пружина
В узле: 4
18
543-3723072-01
Планка розетки
В узле: 2
19
543-3723067
Перемычка
В узле: 2
20
543-3723076
Прокладка
В узле: 2
21
543М-3754088
Рукав защитный
В узле: 2
22
543-3723062
Основание розетки
В узле: 1
23
543-3722114
Колодка предохранителей
В узле: 1
24
543-3724628
Перемычка
В узле: 1
25
200220
Болт М6-6gх55
В узле: 2
26
201422
Болт М6-6gх25
В узле: 2
27
252037
Шайба 6
В узле: 8
28
252134
Шайба 6Т
В узле: 7
29
250508
Гайка М6-6Н
В узле: 7
30
0000-3722632
Предохранитель ИП-150
В узле: 1
31
201418
Болт М6-6gх16
В узле: 1
32
543-3723065
Прокладка
В узле: 1
33
201499
Болт М10-6gх30
В узле: 2
Содержащиеся в справочниках-каталогах запасные части и детали не предлагаются к продаже, а носят исключительно информационный характер

Ваша заявка была отправлена. В ближайшее время наши специалисты с Вами свяжутся по указанному Вами телефону.

Представьтесь
Поле обязательно для заполнения
Ваш телефон
Введите правильный номер телефона
E-mail
Введите правильный e-mail
Тема
Тема
применяемость финансирование доставка цена, наличие другое сервис и гарантия
Время для звонка
08:00
08:00 09:00 10:00 11:00 12:00 13:00 14:00 15:00 16:00 17:00 18:00 19:00
19:00
08:00 09:00 10:00 11:00 12:00 13:00 14:00 15:00 16:00 17:00 18:00 19:00

Мы постараемся перезвонить в указанное время

Если вы не хотите ждать, то звоните нашим вежливым консультантам:

8 800 100-2-700
Подтвердите, что вы не робот
Подтвердите, что вы не робот
Спасибо!

Ваше сообщение успешно отправлено!

ЗакрытьПовторить попытку