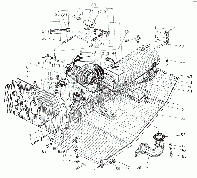
Каталог запасных частей к технике: МАЗ-543 (7310). Установка подогревателя 543-1000022, 543М-1000022

zoom-in zoom-out enlarge shrink circle-right circle-left file-text2 info cart arraw right arraw left zoom out zoom in arraw maximize arraw minimize
1
2
2
3
4
4
5
6
7
8
9
10
10
10
10
11
11
12
12
12
13
14
15
15
16
17
17
17
18
19
20
20
21
22
22
23
23
24
25
26
27
28
29
30
31
32
33
33
34
35
36
37
38
39
40
41
42
43
43
44
45
46
47
48
49
50
51
52
53
54
55
56
57
58
59
60
60
61
62
63
1
201542
Болт М12-6gх35
В узле: 3
2
250514
Гайка М12-6Н
В узле: 9
3
252007
Шайба 12
В узле: 4
4
252137
Шайба 12.ОТ
В узле: 9
5
543-1015724
Лист защитный
В узле: 1
6
401120
Гайка накидная
В узле: 1
7
379737
Угольник
В узле: 1
8
379277
Муфта конусная 6
В узле: 1
9
543-1015376
Дренажная трубка
В узле: 1
10
258250
Шплинт 1,2х100
В узле: 1
11
537-3509276
Штуцер
В узле: 1
12
535А-1104237
Прокладка
В узле: 2
13
543-1015308
Труба топливная
В узле: 1
14
201501
Болт М10-6gх35
В узле: 2
15
252156
Шайба 10Л
В узле: 15
16
252006
Шайба 10
В узле: 9
17
250512
Гайка М10-6Н
В узле: 15
18
ПЖД600Е-1015008
Подогреватель
В узле: 1
19
543-1015340
Фильтр
В узле: 1
20
543-1015178
Прокладка кронштейна
В узле: 1
21
543-1015189
Прокладка
В узле: 4
22
252135
Шайба 8Т
В узле: 4
23
250510
Гайка М8-6Н
В узле: 5
24
543-1015090-02
Балка крепления подогревателя
В узле: 1
25
79111-1015090-01
Балка крепления подогревателя
В узле: 1
26
543-1104212
Шланг 8х70
В узле: 1
27
543-3506226-А
Прокладка
В узле: 2
28
297582
Лента
В узле: 4
29
297580
Пряжка
В узле: 4
30
297575
Шплинт 5,6х22
В узле: 4
31
543-1015160-10
Переходник
В узле: 1
32
543-1015152-10
Переходник
В узле: 1
33
201456
Болт М8-6gх20
В узле: 5
34
375-1104014-Б
Кран ВП-6
В узле: 1
35
543М-1015150
Кран с переходником
В узле: 1
36
379275
Муфта
В узле: 3
37
405625
Гайка М14х1,5-5Н6Н
В узле: 1
38
379225
Гайка М14х1,5-6Н
В узле: 2
39
405422
Штуцер
В узле: 2
40
543-1015172
Топливопровод
В узле: 2
41
543-1015176
Обойма кронштейна
В узле: 1
42
543-1015321-02
Шланг
В узле: 1
43
543-1015186
Прокладка
В узле: 2
44
315Ш6
Кляммер
В узле: 1
45
543-1015806
Чехол
В узле: 1
46
ТМ111-38080000-01
Датчик сигнализатора ТМ111-01
В узле: 1
47
543-1303280
Труба пароотводящая
В узле: 1
48
201540
Болт М12-6gх30
В узле: 4
49
543-1015184
Патрубок подводящий подогревателя
В узле: 1
50
64229-1303506
Хомут
В узле: 4
51
543-1015194-А
Труба от нагнетателя к подогревателю
В узле: 1
52
543-1015721-01
Лист предохранительный
В узле: 1
53
543-1015188
Прокладка
В узле: 1
54
250508
Гайка М6-6Н
В узле: 5
55
252134
Шайба 6Т
В узле: 5
56
201422
Болт М6-6gх25
В узле: 5
57
543-1015612-А
Выхлопная труба
В узле: 1
58
543-1015490
Экран защитный
В узле: 1
59
252039
Шайба 10
В узле: 5
60
258039
Шплинт 3,2х20
В узле: 2
61
543-1015727
Откидной болт
В узле: 2
62
260058
Палец 10х30
В узле: 2
63
201496
Болт
В узле: 2
64
537-1104530
Угольник поворотный с патрубком в сборе
В узле: 1
Содержащиеся в справочниках-каталогах запасные части и детали не предлагаются к продаже, а носят исключительно информационный характер

Ваша заявка была отправлена. В ближайшее время наши специалисты с Вами свяжутся по указанному Вами телефону.

Представьтесь
Поле обязательно для заполнения
Ваш телефон
Введите правильный номер телефона
E-mail
Введите правильный e-mail
Тема
Тема
применяемость финансирование доставка цена, наличие другое сервис и гарантия
Время для звонка
08:00
08:00 09:00 10:00 11:00 12:00 13:00 14:00 15:00 16:00 17:00 18:00 19:00
19:00
08:00 09:00 10:00 11:00 12:00 13:00 14:00 15:00 16:00 17:00 18:00 19:00

Мы постараемся перезвонить в указанное время

Если вы не хотите ждать, то звоните нашим вежливым консультантам:

8 800 100-2-700
Подтвердите, что вы не робот
Подтвердите, что вы не робот
Спасибо!

Ваше сообщение успешно отправлено!

ЗакрытьПовторить попытку