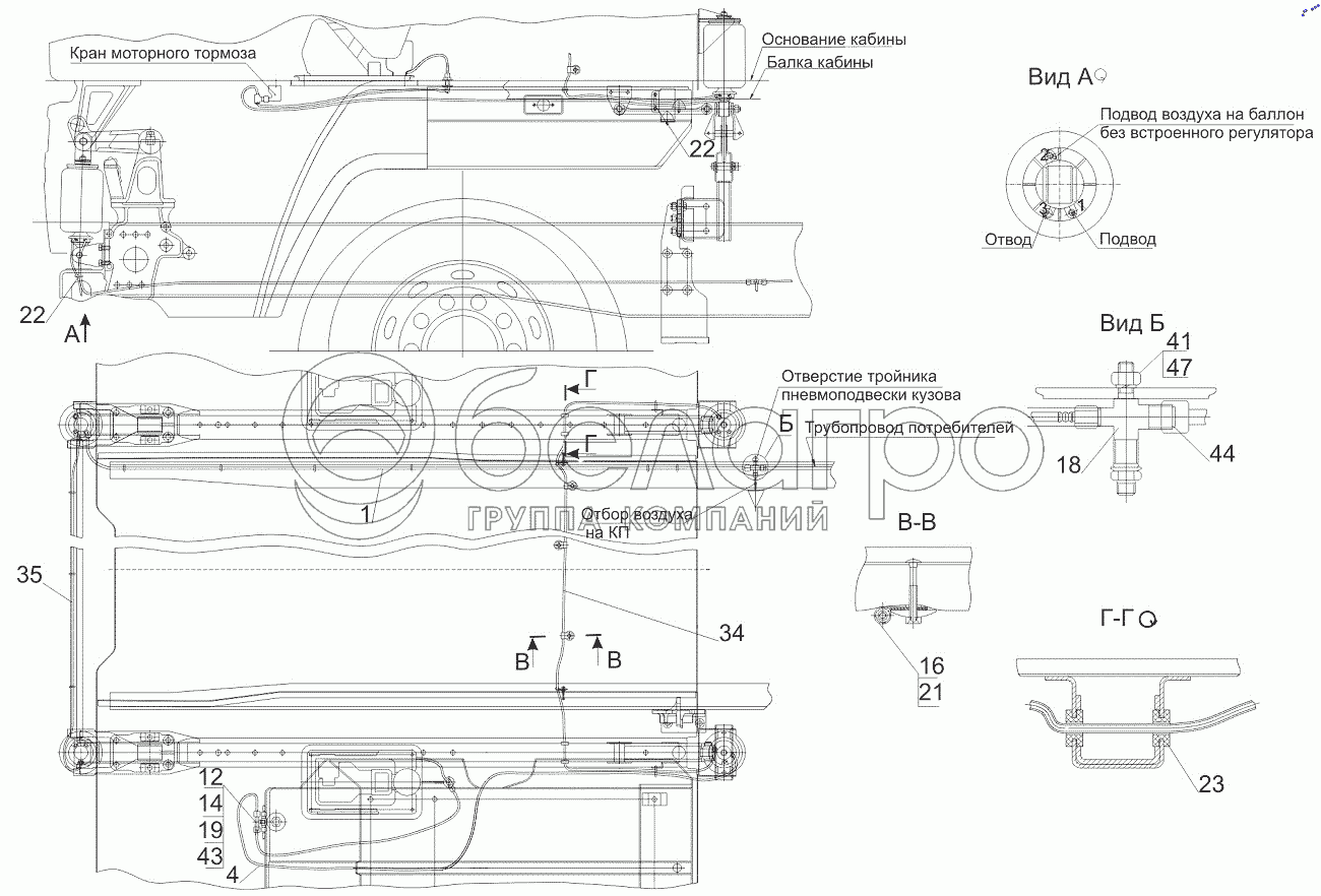
Каталог запасных частей к технике: МАЗ-544018. Пневмопитание подвески кабины 643019-5001930

zoom-in zoom-out enlarge shrink circle-right circle-left file-text2 info cart arraw right arraw left zoom out zoom in arraw maximize arraw minimize
1
4
12
14
16
18
19
21
22
22
23
34
35
41
43
44
47
1
6430-5001970
Трубка
В узле: 1
4
6430-5001954
Трубка
В узле: 1
12
250515
Гайка М12х1,25-6Н
В узле: 1
14
375818
Шайба 12
В узле: 1
16
379224
Кляммер
В узле: 5
18
379785
Крестовина
В узле: 1
19
403010
Тройник
В узле: 1
21
500-1104541-Б
Втулка
В узле: 5
22
6430-3724624
Хомут
В узле: 3
23
500-5001138-Б
Втулка
В узле: 4
34
5440-5001950
Трубка
В узле: 1
35
6430-5001960-020
Трубка
В узле: 1
41
250512
Гайка М10-6Н
В узле: 1
43
008-011-19-2-3
Кольцо
В узле: 1
44
010-014-25-2-3
Кольцо
В узле: 1
47
252156
Шайба 10Л
В узле: 1
Содержащиеся в справочниках-каталогах запасные части и детали не предлагаются к продаже, а носят исключительно информационный характер

Ваша заявка была отправлена. В ближайшее время наши специалисты с Вами свяжутся по указанному Вами телефону.

Представьтесь
Поле обязательно для заполнения
Ваш телефон
Введите правильный номер телефона
E-mail
Введите правильный e-mail
Тема
Тема
применяемость финансирование доставка цена, наличие другое сервис и гарантия
Время для звонка
08:00
08:00 09:00 10:00 11:00 12:00 13:00 14:00 15:00 16:00 17:00 18:00 19:00
19:00
08:00 09:00 10:00 11:00 12:00 13:00 14:00 15:00 16:00 17:00 18:00 19:00

Мы постараемся перезвонить в указанное время

Если вы не хотите ждать, то звоните нашим вежливым консультантам:

8 800 100-2-700
Подтвердите, что вы не робот
Подтвердите, что вы не робот
Спасибо!

Ваше сообщение успешно отправлено!

ЗакрытьПовторить попытку