Каталог запасных частей к технике: МАЗ-544069. Подвеска передняя

zoom-in zoom-out enlarge shrink circle-right circle-left file-text2 info cart arraw right arraw left zoom out zoom in arraw maximize arraw minimize
1
2
3
4
5
6
7
8
9
10
10
11
11
11
12
12
13
13
14
14
14
14
15
15
16
17
18
19
20
21
22
23
23
23
23
24
25
26
28
29
29
30
31
31
31
32
33
33
34
34
34
34
35
35
36
37
38
38
39
40
41
42
43
44
15
500А-2905410
Буфер
В узле: 8
500А-2905410 Втулка амортизатора (одинарная) <10 шт. 93.01 р.
6430-2900001-030
Подвеска передняя
В узле: 1
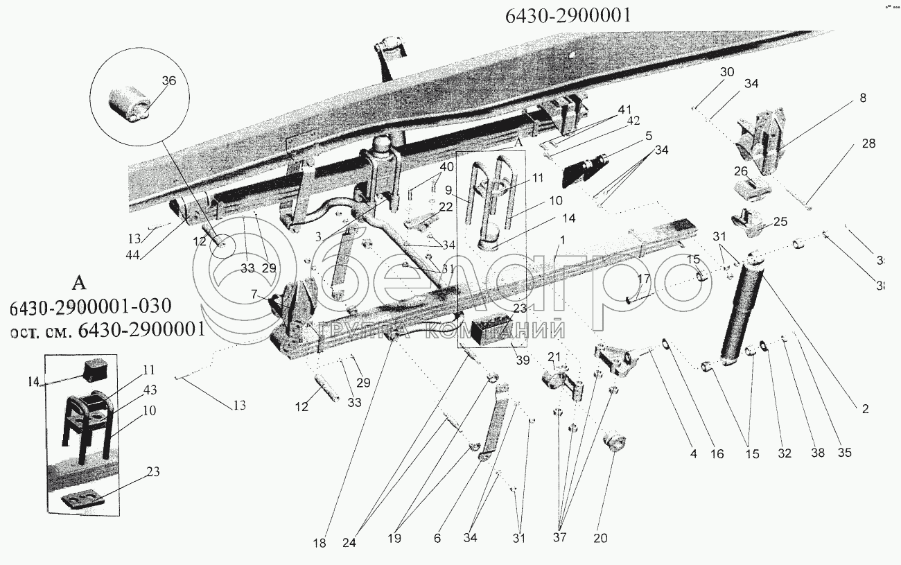
6430-2900001
Подвеска передняя
В узле: 1
1
6430-2902012-10
Рессора передняя
В узле: 2
2
15.2905006-11
Амортизатор
В узле: 2
3
6430-2905416
Кронштейн нижний правый
В узле: 1
4
6430-2905417
Кронштейн нижний левый
В узле: 1
5
53361-2905540
Кронштейн верхний
В узле: 2
6
6430-2906017
Серьга
В узле: 4
7
6430-2902445
Кронштейн левый
В узле: 1
8
6430-2902447
Кронштейн
В узле: 2
9
516-2902409
Стремянка задняя
В узле: 2
10
5335-2902409
Стремянка передней рессоры задняя
В узле: 2
11
500-2902412
Накладка
В узле: 2
11
64221-2902412
Накладка
В узле: 2
12
5432-2902478
Палец
В узле: 2
13
500А-2912482
Клин пальца ушка задней рессоры
В узле: 2
14
500-2902624
Буфер
В узле: 2
14
64221-2902624
Буфер
В узле: 2
16
500А-2905420
Шайба
В узле: 2
17
53361-2905470
Палец
В узле: 2
18
6430-2906016
Вал стабилизатора
В узле: 1
19
64221-2906028
Втулка
В узле: 8
20
6430-2906030
Втулка
В узле: 2
21
6430-2906040
Кронштейн нижний
В узле: 2
22
6430-2906042
Кронштейн верхний
В узле: 2
23
6422-2902422
Подкладка
В узле: 2
23
6430-2902422
Подкладка
В узле: 2
24
6430-2906026
Палец
В узле: 4
25
64221-2902449
Вкладыш
В узле: 2
26
64221-2902430
Подушка
В узле: 2
28
200880
Болт М16-6gх160
В узле: 2
29
250514
Гайка М12-6Н
В узле: 2
30
250560
Гайка М16-6Н
В узле: 2
31
374727
Гайка М16х1,5-5Н6Н
В узле: 18
32
252049-10
Шайба 20
В узле: 2
33
252137
Шайба 12.ОТ
В узле: 2
34
252139
Шайба 16.ОТ
В узле: 20
35
258056
Шплинт 4х40
В узле: 4
36
264040
Масленка 2.3.90 Ц6хр
В узле: 2
37
374650
Гайка М24х2-6Н
В узле: 8
38
374910
Гайка М20х1,5-5Н6Н
В узле: 4
39
400583-01
Кольцо В70
В узле: 2
40
372613
Болт М16х1,5-6gх55
В узле: 4
41
372629
Болт М16х1,5-6gх45
В узле: 6
42
202142
Болт М16х1,5-6gх38
В узле: 2
43
6430-2902413
Накладка
В узле: 2
44
6430-2902444
Кронштейн правый
В узле: 1
Содержащиеся в справочниках-каталогах запасные части и детали не предлагаются к продаже, а носят исключительно информационный характер

Ваша заявка была отправлена. В ближайшее время наши специалисты с Вами свяжутся по указанному Вами телефону.

Представьтесь
Поле обязательно для заполнения
Ваш телефон
Введите правильный номер телефона
E-mail
Введите правильный e-mail
Тема
Тема
применяемость финансирование доставка цена, наличие другое сервис и гарантия
Время для звонка
08:00
08:00 09:00 10:00 11:00 12:00 13:00 14:00 15:00 16:00 17:00 18:00 19:00
19:00
08:00 09:00 10:00 11:00 12:00 13:00 14:00 15:00 16:00 17:00 18:00 19:00

Мы постараемся перезвонить в указанное время

Если вы не хотите ждать, то звоните нашим вежливым консультантам:

8 800 100-2-700
Подтвердите, что вы не робот
Подтвердите, что вы не робот
Спасибо!

Ваше сообщение успешно отправлено!

ЗакрытьПовторить попытку