Каталог запасных частей к технике: МАЗ-544069. Пульт управления 5440-8109011

zoom-in zoom-out enlarge shrink circle-right circle-left file-text2 info cart arraw right arraw left zoom out zoom in arraw maximize arraw minimize
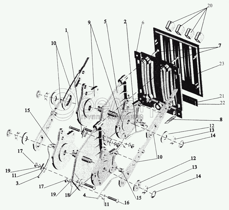
1
2
3
4
5
6
7
8
9
10
10
11
11
12
12
13
13
14
14
15
15
16
17
17
18
19
19
20
21
22
23
1
6430-8109110-020
Привод рециркуляции
В узле: 1
2
6430-8109112-010
Привод левый
В узле: 1
3
6430-8109112-020
Привод правый
В узле: 1
4
6430-8109113-020
Привод крана
В узле: 1
5
6430-8109014-020
Кронштейн
В узле: 2
6
6430-8109016-010
Панель пульта управления
В узле: 1
7
241820-02
Винт 2-4x18
В узле: 4
8
7712.00.00.010
Патрон с лампочкой
В узле: 1
9
6430-8109018-010
Щека
В узле: 4
10
6430-8109020
Рычаг
В узле: 4
11
6430-8109044-010
Прижим
В узле: 4
12
6430-8109046
Шайба
В узле: 4
13
6430-8109048
Пружина
В узле: 4
14
6430-8109050
Шайба фиксирующая
В узле: 4
15
6430-8109052-20
Втулка
В узле: 4
16
220084
Винт М5-6gх25
В узле: 4
17
250464
Гайка М5-6Н
В узле: 4
18
252036
Шайба 5
В узле: 4
19
252133
Шайба 5Т
В узле: 4
20
6430-8109022
Рукоятка
В узле: 4
21
6430-8109068
Световод
В узле: 1
22
6430-8109060-010
Вставка
В узле: 1
23
6430-8109027-010
Панель лицевая
В узле: 1
Содержащиеся в справочниках-каталогах запасные части и детали не предлагаются к продаже, а носят исключительно информационный характер

Ваша заявка была отправлена. В ближайшее время наши специалисты с Вами свяжутся по указанному Вами телефону.

Представьтесь
Поле обязательно для заполнения
Ваш телефон
Введите правильный номер телефона
E-mail
Введите правильный e-mail
Тема
Тема
применяемость финансирование доставка цена, наличие другое сервис и гарантия
Время для звонка
08:00
08:00 09:00 10:00 11:00 12:00 13:00 14:00 15:00 16:00 17:00 18:00 19:00
19:00
08:00 09:00 10:00 11:00 12:00 13:00 14:00 15:00 16:00 17:00 18:00 19:00

Мы постараемся перезвонить в указанное время

Если вы не хотите ждать, то звоните нашим вежливым консультантам:

8 800 100-2-700
Подтвердите, что вы не робот
Подтвердите, что вы не робот
Спасибо!

Ваше сообщение успешно отправлено!

ЗакрытьПовторить попытку