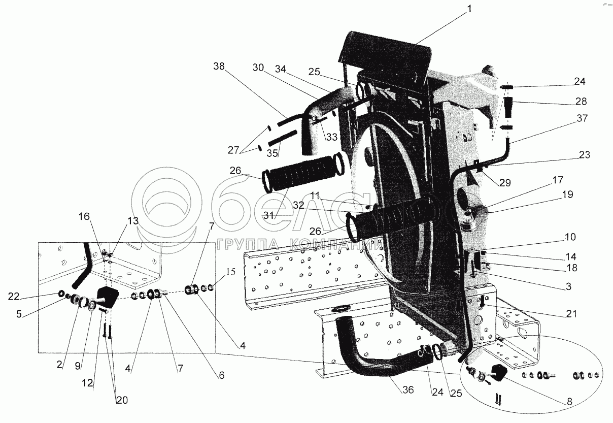
Каталог запасных частей к технике: МАЗ-544069. Установка системы охлаждения 643069-1300005

zoom-in zoom-out enlarge shrink circle-right circle-left file-text2 info cart arraw right arraw left zoom out zoom in arraw maximize arraw minimize
1
2
3
4
4
5
6
7
7
8
9
10
11
12
13
14
15
16
17
18
19
20
21
22
23
24
24
24
24
25
25
26
26
27
27
28
29
30
31
32
33
34
35
36
37
38
1
643069-1300013
Радиатор с уплотнителями
В узле: 1
2
64302-1302121
Тяга
В узле: 2
3
64302-1302140
Направляющая
В узле: 2
4
5335-1302063
Чашка малая
В узле: 4
5
64226-1302138
Втулка
В узле: 2
6
500-1302138
Втулка распорная
В узле: 2
7
500-1302139
Подушка малая
В узле: 6
8
544022-1302143
Кронштейн
В узле: 2
9
504В-6801122
Шайба
В узле: 2
10
64302-1302146
Кронштейн правый
В узле: 1
11
64302-1302147
Кронштейн левый
В узле: 1
12
201458
Болт М8-6gх25
В узле: 2
13
250512
Гайка М10-6Н
В узле: 4
14
250559
Гайка М14х1,5-6Н
В узле: 4
15
250615
Гайка М12х1,25-6Н
В узле: 8
16
252136
Шайба 10.ОТ
В узле: 4
17
250977
Гайка М12х1,25-6Н
В узле: 2
18
252158
Шайба 14Л
В узле: 4
19
258040
Шплинт 3,2х25
В узле: 2
20
370862
Болт М10-6gх28
В узле: 4
21
372203
Болт М14х1,5-62х32
В узле: 4
22
375533
Шайба 8
В узле: 2
23
201454
Болт М8-6gх16
В узле: 9
24
ТОRRО 25-40/9-С7W2
Хомут
В узле: 1
24
F10ВSА 021044 ВRZ
Хомут „Perfect" 21-44
В узле: 1
25
ТОRRО 60-80/9-C7W2
Хомут
В узле: 4
25
F10ВSА 052076 ВRZ
Хомут „Perfect" 52-76
В узле: 4
26
F10FSD 083105 ВRZ
Хомут „НKF" 83-105
В узле: 4
27
ТОRRО 12-20/9-СW2
Хомут
В узле: 6
27
F10LSА 011020 ВRZ
Хомут „Mini" 11-20
В узле: 6
28
81.96301.0498
Переходник
В узле: 1
29
06.67150-2107
Скоба 18/9
В узле: 1
30
81.96301.0659
Патрубок подводящий
В узле: 1
31
81.96301.0901
Шланг левый
В узле: 1
32
81.96301.0900
Шланг правый
В узле: 1
33
643069-1303030
Тройник
В узле: 1
34
643069-1304041
Шланг 10x17,5-1,6 (L=200±2мм)
В узле: 1
35
643069-1304043
Шланг 10x17,5-1,6 (L=70±1,5мм)
В узле: 1
36
81.96301.0687
Патрубок
В узле: 1
37
81.06303.0105
Трубопровод В18x1,5
В узле: 1
38
643069-1304042
Шланг 10x17,5-1,6 (L=280±1,5мм)
В узле: 1
Содержащиеся в справочниках-каталогах запасные части и детали не предлагаются к продаже, а носят исключительно информационный характер

Ваша заявка была отправлена. В ближайшее время наши специалисты с Вами свяжутся по указанному Вами телефону.

Представьтесь
Поле обязательно для заполнения
Ваш телефон
Введите правильный номер телефона
E-mail
Введите правильный e-mail
Тема
Тема
применяемость финансирование доставка цена, наличие другое сервис и гарантия
Время для звонка
08:00
08:00 09:00 10:00 11:00 12:00 13:00 14:00 15:00 16:00 17:00 18:00 19:00
19:00
08:00 09:00 10:00 11:00 12:00 13:00 14:00 15:00 16:00 17:00 18:00 19:00

Мы постараемся перезвонить в указанное время

Если вы не хотите ждать, то звоните нашим вежливым консультантам:

8 800 100-2-700
Подтвердите, что вы не робот
Подтвердите, что вы не робот
Спасибо!

Ваше сообщение успешно отправлено!

ЗакрытьПовторить попытку