Каталог запасных частей к технике: МАЗ-544069. Заднее подрессоривание кабины 6430-5001800-001

zoom-in zoom-out enlarge shrink circle-right circle-left file-text2 info cart arraw right arraw left zoom out zoom in arraw maximize arraw minimize
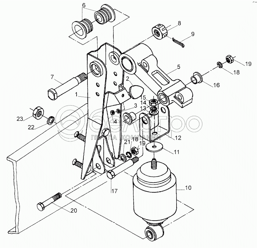
1
2
3
4
5
6
7
8
9
10
10
10
10
11
12
13
14
15
16
17
18
18
19
19
20
21
22
23
1
6430-5001810-020
Стабилизатор
В узле: 2
2
5336-5001840
Буфер
В узле: 2
3
252155
Шайба 8Л
В узле: 2
4
250510
Гайка М8-6Н
В узле: 2
5
6430-5001816-010
Рычаг
В узле: 2
6
6430-5001845
Втулка
В узле: 4
7
6430-5001822
Ось
В узле: 2
8
374932
Гайка 22х1.5-5Н
В узле: 2
9
258083
Шплинт 6.3х40
В узле: 2
10
72 1700 105.831
Пневмогидроэлемент
В узле: 2
10
72 1700 105.198
Пневмогидроэлемент
В узле: 2
10
С 075 105
Пневмогидроэлемент "Phoenix"
В узле: 2
10
73 1700 001.576
Пневмогидроэлемент "Sachs"
В узле: 2
11
6430-5001896
Прокладка
В узле: 2
12
6430-5001908-020
Кронштейн верхний
В узле: 2
13
252007
Шайба 12
В узле: 2
14
252157
Шайба 124
В узле: 2
15
250514
Гайка М12-6Н
В узле: 2
16
6430-5001848
Втулка
В узле: 4
17
6430-5001862
Ось
В узле: 2
18
252138
Шайба 14.ОТ
В узле: 4
19
250558
Гайка М14-6Н
В узле: 4
20
201600
Болт М14-6gх85
В узле: 2
21
252016
Шайба 14
В узле: 2
22
252139
Шайба 16.ОТ
В узле: 8
23
250691
Гайка М16х1,5-6Н
В узле: 8
Содержащиеся в справочниках-каталогах запасные части и детали не предлагаются к продаже, а носят исключительно информационный характер

Ваша заявка была отправлена. В ближайшее время наши специалисты с Вами свяжутся по указанному Вами телефону.

Представьтесь
Поле обязательно для заполнения
Ваш телефон
Введите правильный номер телефона
E-mail
Введите правильный e-mail
Тема
Тема
применяемость финансирование доставка цена, наличие другое сервис и гарантия
Время для звонка
08:00
08:00 09:00 10:00 11:00 12:00 13:00 14:00 15:00 16:00 17:00 18:00 19:00
19:00
08:00 09:00 10:00 11:00 12:00 13:00 14:00 15:00 16:00 17:00 18:00 19:00

Мы постараемся перезвонить в указанное время

Если вы не хотите ждать, то звоните нашим вежливым консультантам:

8 800 100-2-700
Подтвердите, что вы не робот
Подтвердите, что вы не робот
Спасибо!

Ваше сообщение успешно отправлено!

ЗакрытьПовторить попытку