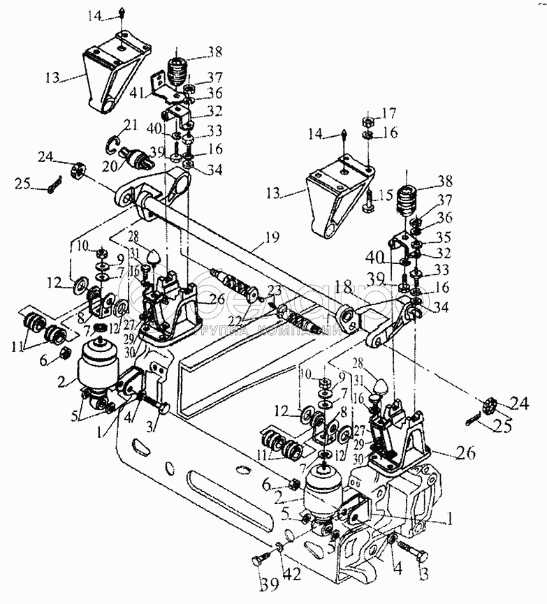
Каталог запасных частей к технике: МАЗ-5440. Переднее подрессоривание кабины

zoom-in zoom-out enlarge shrink circle-right circle-left file-text2 info cart arraw right arraw left zoom out zoom in arraw maximize arraw minimize
1
1
2
2
3
3
4
4
5
5
6
6
7
7
7
7
8
8
9
9
10
10
11
11
12
12
12
12
13
13
14
14
15
16
16
16
16
16
17
18
19
20
21
22
23
24
24
25
25
26
26
27
27
28
28
29
29
30
30
31
31
32
32
33
33
34
34
35
36
36
37
37
38
38
39
39
39
40
40
41
42
1
6430-5001754
Кронштейн
В узле: 2
2
72.1700.105.831
Пневмогидроэлемент
В узле: 2
3
201600
Болт М14-6gх85
В узле: 2
4
252158
Шайба 14Л
В узле: 2
5
252016
Шайба 14
В узле: 2
6
250558
Гайка М14-6Н
В узле: 2
7
6430-5001706
Опора
В узле: 2
8
6430-5001896
Прокладка
В узле: 4
9
375853
Шайба 12
В узле: 2
10
250514
Гайка М12-6Н
В узле: 2
11
6430-5001742
Втулка
В узле: 4
12
6430-5001793
Прокладка
В узле: 4
13
6430-5001012
Кронштейн
В узле: 2
14
6422-1001039
Штырь направляющий
В узле: 2
15
202119
Болт
В узле: 8
16
252139
Шайба 16.ОТ
В узле: 20
17
250560
Гайка М16-6Н
В узле: 8
18
6430-5001710
Стабилизатор
В узле: 1
19
6430-5001714
Стабилизатор
В узле: 1
20
64226-5001723
Опора задняя
В узле: 2
21
400457
Кольцо УБ 65
В узле: 2
22
6430-5001722
Ось
В узле: 2
23
264020
Масленка 1.3.Ц6хр
В узле: 2
24
250979
Гайка М16х1,5-6Н
В узле: 2
25
258053
Шплинт 4х25
В узле: 2
26
6430-5001720
Опора
В узле: 2
27
6430-5001892
Кронштейн
В узле: 2
28
5336-5001840
Буфер
В узле: 2
29
252155
Шайба 8Л
В узле: 2
30
250510
Гайка М8-6Н
В узле: 2
31
372592
Болт М16х1,5-6gх35
В узле: 8
32
6430-5001768
Кронштейн
В узле: 2
33
6430-5001894
Фиксатор
В узле: 4
34
252017
Шайба 16
В узле: 4
35
252006
Шайба 10
В узле: 4
36
252136
Шайба 10.ОТ
В узле: 4
37
250512
Гайка М10-6Н
В узле: 4
38
5336-5001766-01
Буфер
В узле: 2
39
201538
Болт М12-6gх25
В узле: 6
40
252137
Шайба 12.ОТ
В узле: 2
41
6430-5001302
Кронштейн
В узле: 1
42
252157
Шайба 124
В узле: 4
Содержащиеся в справочниках-каталогах запасные части и детали не предлагаются к продаже, а носят исключительно информационный характер

Ваша заявка была отправлена. В ближайшее время наши специалисты с Вами свяжутся по указанному Вами телефону.

Представьтесь
Поле обязательно для заполнения
Ваш телефон
Введите правильный номер телефона
E-mail
Введите правильный e-mail
Тема
Тема
применяемость финансирование доставка цена, наличие другое сервис и гарантия
Время для звонка
08:00
08:00 09:00 10:00 11:00 12:00 13:00 14:00 15:00 16:00 17:00 18:00 19:00
19:00
08:00 09:00 10:00 11:00 12:00 13:00 14:00 15:00 16:00 17:00 18:00 19:00

Мы постараемся перезвонить в указанное время

Если вы не хотите ждать, то звоните нашим вежливым консультантам:

8 800 100-2-700
Подтвердите, что вы не робот
Подтвердите, что вы не робот
Спасибо!

Ваше сообщение успешно отправлено!

ЗакрытьПовторить попытку