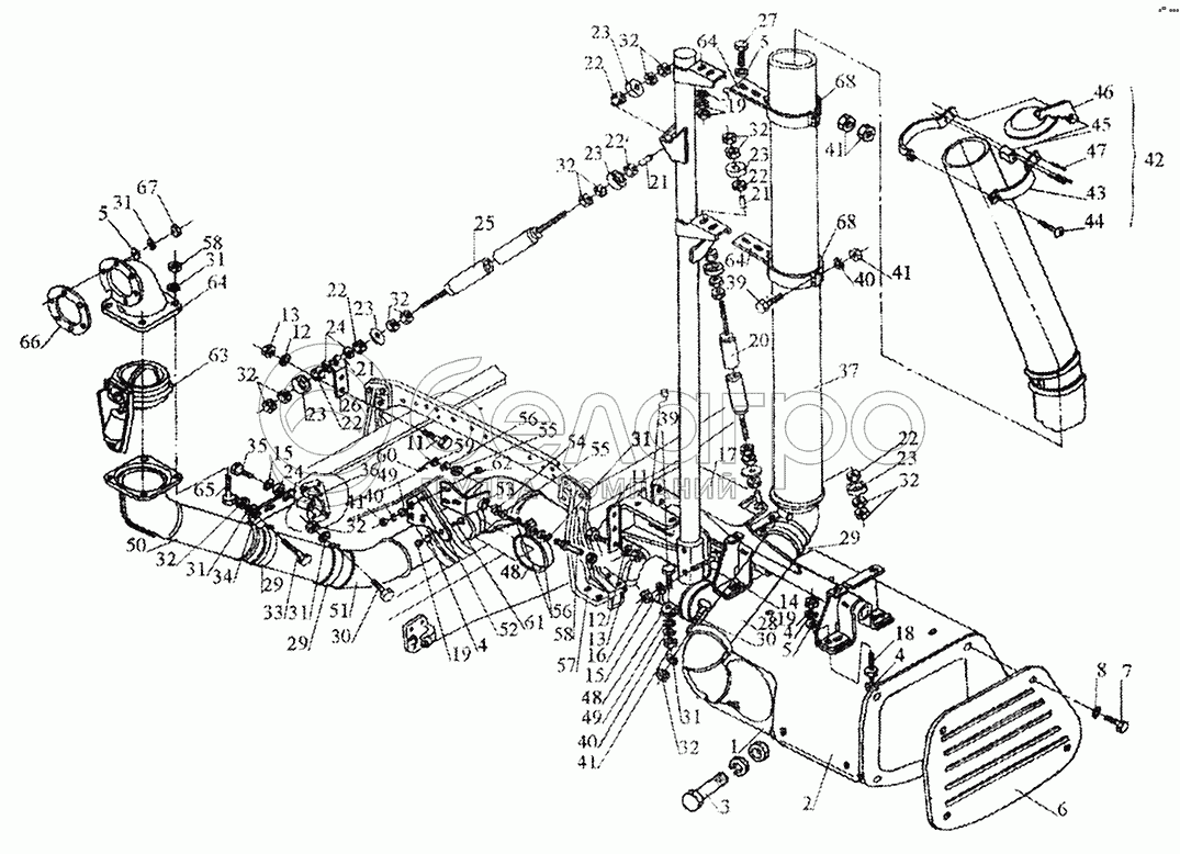
Каталог запасных частей к технике: МАЗ-5440. Установка системы выпуска

zoom-in zoom-out enlarge shrink circle-right circle-left file-text2 info cart arraw right arraw left zoom out zoom in arraw maximize arraw minimize
1
2
3
4
4
4
5
5
5
6
7
8
9
11
11
12
12
13
13
14
15
15
16
17
18
19
19
19
20
21
21
21
22
22
22
22
22
22
23
23
23
23
23
23
24
24
25
26
27
28
29
29
29
30
30
31
31
31
31
31
31
32
32
32
32
32
32
32
32
32
33
34
35
36
37
39
39
40
40
40
41
41
41
41
42
43
44
45
46
47
48
48
49
49
50
51
52
53
54
55
55
56
56
57
58
58
59
60
61
62
63
64
64
64
65
66
67
68
68
1
64302-1201010
Глушитель
В узле: 1
2
64302-1204024
Экран
В узле: 1
3
201491
Болт М10-6gх12
В узле: 4
4
252136
Шайба 10.ОТ
В узле: 18
5
252006
Шайба 10
В узле: 22
6
64302-1204022
Ограждение
В узле: 1
7
201415
Болт М6-6gх10
В узле: 4
8
252154
Шайба 6Л
В узле: 4
9
64302-1203059
Кронштейн
В узле: 1
10
64302-1203030
Стойка
В узле: 1
11
201591
Болт М14-6gх45
В узле: 12
12
252138
Шайба 14.ОТ
В узле: 14
13
250558
Гайка М14-6Н
В узле: 14
14
200897
Болт М16х1,5-6gх110
В узле: 2
15
252139
Шайба 16.ОТ
В узле: 4
16
250691
Гайка М16х1,5-6Н
В узле: 2
17
64302-1203060
Кронштейн
В узле: 1
18
64302-1203088
Стяжка
В узле: 4
19
250512
Гайка М10-6Н
В узле: 14
20
544022-1203082
Растяжка
В узле: 1
21
500-1302138
Втулка распорная
В узле: 4
22
500-1302139
Подушка малая
В узле: 8
23
5335-1302063
Чашка малая
В узле: 8
24
252017
Шайба 16
В узле: 10
25
64302-1203082
Растяжка
В узле: 1
26
64302-1203094
Кронштейн
В узле: 1
27
201501
Болт М10-6gх35
В узле: 4
28
8115210-0054
Металлорукав
В узле: 2
29
544022-1203034
Хомут
В узле: 4
30
371302
Болт М12х1,25-6gх40
В узле: 3
31
252137
Шайба 12.ОТ
В узле: 9
32
250515
Гайка М12х1,25-6Н
В узле: 19
33
201571
Болт М12х1,25-6gх50
В узле: 1
34
64302-1203093
Пластина
В узле: 1
35
201123
Болт М16-6gх50
В узле: 2
36
64302-1203091
Втулка
В узле: 2
37
64302-1203075
Труба выхлопная
В узле: 1
38
64302-1203064
Кронштейн
В узле: 2
39
200263
Болт М8-6gх35
В узле: 12
40
252135
Шайба 8Т
В узле: 15
41
250510
Гайка М8-6Н
В узле: 17
42
64302-1203148
Крышка трубы
В узле: 1
43
64302-1203166
Половина хомута
В узле: 2
44
210384
Болт М8-6gх45
В узле: 1
45
64302-1203168
Упор
В узле: 1
46
64302-1203160
Кронштейн
В узле: 1
47
64302-1203164
Ось
В узле: 3
48
64226-1203046
Хомут
В узле: 2
49
252005
Шайба 8
В узле: 10
50
64302-1203187
Патрубок
В узле: 1
51
64302-1203033
Труба приемная
В узле: 1
52
64302-1203098
Кронштейн
В узле: 1
53
64302-1203095
Кронштейн
В узле: 1
54
6422-1109184
Элемент упругий
В узле: 2
55
252039
Шайба 10
В узле: 2
56
252007
Шайба 12
В узле: 2
57
250514
Гайка М12-6Н
В узле: 5
58
630168-1203829
Стяжка
В узле: 1
59
250868
Гайка М10х1-6Н
В узле: 1
60
258025
Шплинт 2,5х20
В узле: 1
61
210499
Болт М10-6gх30
В узле: 2
62
210458
Болт М8-6gх25
В узле: 3
63
81.15600.6103
Моторный тормоз
В узле: 1
64
544022-1203028
Патрубок
В узле: 1
65
200383
Болт М12-6gх120
В узле: 4
66
64226-1203020
Прокладка
В узле: 1
67
250536
Гайка М10-6Н
В узле: 6
68
64302-1203046
Хомут
В узле: 1
Содержащиеся в справочниках-каталогах запасные части и детали не предлагаются к продаже, а носят исключительно информационный характер

Ваша заявка была отправлена. В ближайшее время наши специалисты с Вами свяжутся по указанному Вами телефону.

Представьтесь
Поле обязательно для заполнения
Ваш телефон
Введите правильный номер телефона
E-mail
Введите правильный e-mail
Тема
Тема
применяемость финансирование доставка цена, наличие другое сервис и гарантия
Время для звонка
08:00
08:00 09:00 10:00 11:00 12:00 13:00 14:00 15:00 16:00 17:00 18:00 19:00
19:00
08:00 09:00 10:00 11:00 12:00 13:00 14:00 15:00 16:00 17:00 18:00 19:00

Мы постараемся перезвонить в указанное время

Если вы не хотите ждать, то звоните нашим вежливым консультантам:

8 800 100-2-700
Подтвердите, что вы не робот
Подтвердите, что вы не робот
Спасибо!

Ваше сообщение успешно отправлено!

ЗакрытьПовторить попытку