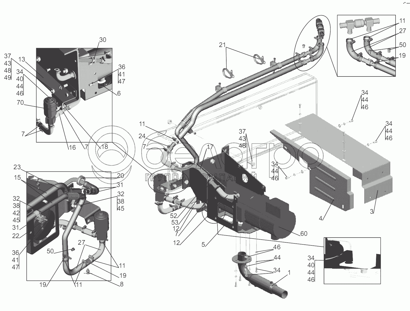
Каталог запасных частей к технике: МАЗ-5440B9, 6430B9. Крепление подогревателя 5440A9-1015001-010

zoom-in zoom-out enlarge shrink circle-right circle-left file-text2 info cart arraw right arraw left zoom out zoom in arraw maximize arraw minimize
1
3
4
5
6
7
7
7
7
7
7
7
7
8
12
12
13
15
16
17
18
19
19
19
20
21
22
23
24
27
27
31
31
32
32
34
34
34
34
34
34
36
36
37
37
38
38
40
40
41
41
42
43
43
44
44
44
44
44
44
45
45
46
46
46
46
46
46
47
47
48
48
49
50
50
52
53
60
70
1
6430-1015030-010
Труба выхлопная
В узле: 1
3
6430-1015215
Кожух
В узле: 1
4
6430-1015216-010
Кожух подогревателя
В узле: 1
5
6430-1015616-010
Кронштейн
В узле: 1
6
6430-1015642
Пластина
В узле: 1
7
ТОRRО20-32/9-С7W2
Хомут
В узле: 19
7
ТОRRО20-32/972
Хомут
В узле: 19
7
F16КВЕ020032VАА
Хомут 20-32
В узле: 19
7
64229-1303160
Хомут d=28
В узле: 19
7
6430-8101476
Хомут
В узле: 19
8
64229-1305010
Краник сливной
В узле: 1
12
64221-1015063-001
Шланг
В узле: 3
13
6430-1015072
Кронштейн
В узле: 1
15
543208-8101038
Шланг 20х29
В узле: 2
16
6430-1015094
Шланг
В узле: 1
17
6430-1015133-010
Трубка
В узле: 1
18
6430-1015134
Трубка
В узле: 1
19
544004-1015655
Переходник
В узле: 4
20
551605-3506328
Втулка
В узле: 1
21
6430-3724624
Хомут
В узле: 2
22
504В-3504046
Угольник оттяжной пружины
В узле: 2
23
438041-1015067
Пружина предохранительная
В узле: 2
24
4370-1015655
Переходник
В узле: 4
27
643008-18101351
Шланг
В узле: 4
31
379673
Кляммер
В узле: 4
32
201420
Болт М6-6gх20
В узле: 3
34
201456
Болт М8-6gх20
В узле: 14
36
201501
Болт М10-6gх35
В узле: 3
37
201614
Болт М14х1,5-6gх40
В узле: 4
38
250508
Гайка М6-6Н
В узле: 3
40
250510
Гайка М8-6Н
В узле: 3
41
250512
Гайка М10-6Н
В узле: 3
42
252004
Шайба 6
В узле: 1
43
250559
Гайка М14х1,5-6Н
В узле: 4
44
252005
Шайба 8
В узле: 15
45
252134
Шайба 6Т
В узле: 3
46
252135
Шайба 8Т
В узле: 15
47
252156
Шайба 10Л
В узле: 3
48
252158
Шайба 14Л
В узле: 4
49
252016
Шайба 14
В узле: 1
50
262541
Пробка КГ 1/8"
В узле: 3
52
401879
Кляммер
В узле: 1
53
64227-3506025
Прокладка
В узле: 1
60
11111371А
Подогреватель
В узле: 1
70
458422
Электродвигатель с насосом
В узле: 1
Содержащиеся в справочниках-каталогах запасные части и детали не предлагаются к продаже, а носят исключительно информационный характер

Ваша заявка была отправлена. В ближайшее время наши специалисты с Вами свяжутся по указанному Вами телефону.

Представьтесь
Поле обязательно для заполнения
Ваш телефон
Введите правильный номер телефона
E-mail
Введите правильный e-mail
Тема
Тема
применяемость финансирование доставка цена, наличие другое сервис и гарантия
Время для звонка
08:00
08:00 09:00 10:00 11:00 12:00 13:00 14:00 15:00 16:00 17:00 18:00 19:00
19:00
08:00 09:00 10:00 11:00 12:00 13:00 14:00 15:00 16:00 17:00 18:00 19:00

Мы постараемся перезвонить в указанное время

Если вы не хотите ждать, то звоните нашим вежливым консультантам:

8 800 100-2-700
Подтвердите, что вы не робот
Подтвердите, что вы не робот
Спасибо!

Ваше сообщение успешно отправлено!

ЗакрытьПовторить попытку