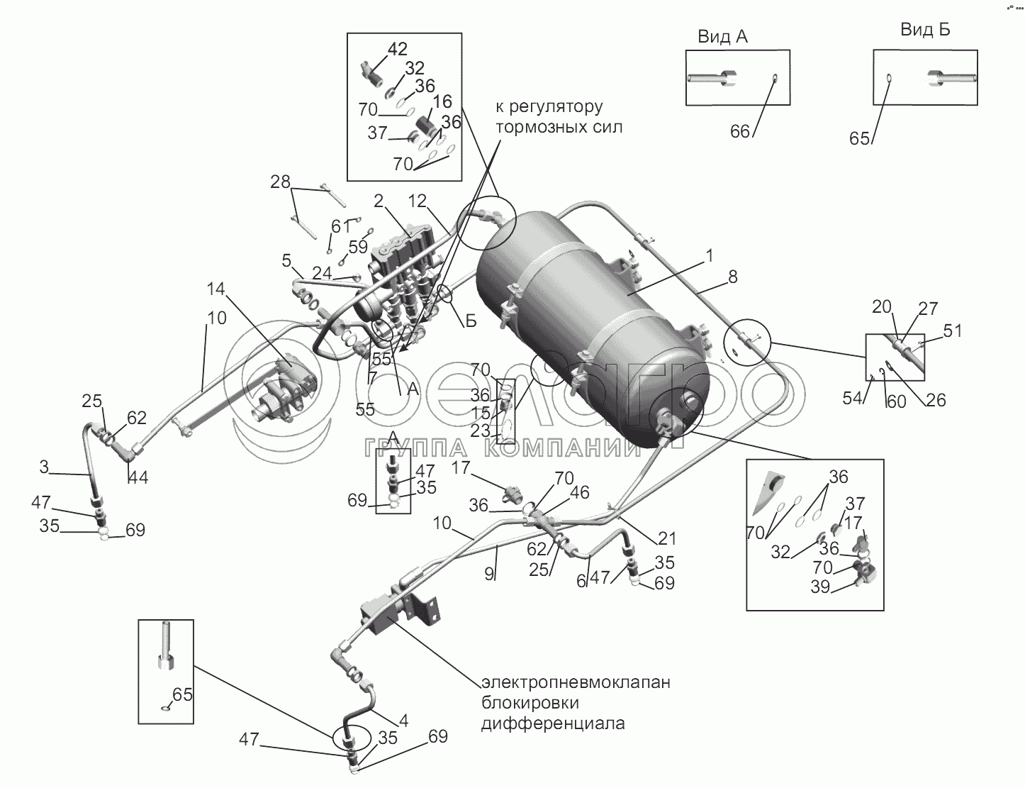
Каталог запасных частей к технике: МАЗ-5440B9, 6430B9. Установка трубопроводов ECAS 5440-2900018-050

zoom-in zoom-out enlarge shrink circle-right circle-left file-text2 info cart arraw right arraw left zoom out zoom in arraw maximize arraw minimize
1
2
3
4
5
6
7
8
9
10
10
12
14
15
15
16
17
17
17
17
20
21
23
24
25
25
26
27
28
32
32
35
35
35
35
36
36
36
36
36
36
37
37
39
39
42
44
46
47
47
47
47
51
54
55
55
59
60
61
62
62
65
65
66
69
69
69
69
70
70
70
70
70
70
1
5440-2926004
Установка ресивера
В узле: 1
2
5440-2926006-050
Блок электропневмоклапанов с угольниками
В узле: 1
3
5440-2927014-010
Трубка
В узле: 1
4
5440-2927015-010
Трубка
В узле: 1
5
5440-2927018-010
Трубка
В узле: 1
6
5440-2927019-010
Трубка
В узле: 1
7
5440-2927050-010
Трубка
В узле: 1
8
5440-2927054-010
Трубка
В узле: 1
9
5440-2927058-010
Трубка
В узле: 1
10
5440-2927062-010
Трубка
В узле: 1
12
5440-2927100-020
Трубка
В узле: 1
14
5440-2935006-050
Крепление датчика перемещения
В узле: 1
15
100-3513110
Клапан слива конденсата
В узле: 1
15
5336-3513110
Клапан слива конденсата
В узле: 1
16
5432-3515210
Клапан обратный
В узле: 1
17
5336-3515410
Клапан контрольного вывода
В узле: 3
17
105.069.05.000
Клапан контрольного вывода
В узле: 3
17
100-3515310
Клапан контрольного вывода
В узле: 3
20
500-1104540
Втулка
В узле: 2
21
6430-3724624
Хомут
В узле: 1
23
5247Г-3921441
Кольцо
В узле: 1
24
500-5001083
Втулка распорная
В узле: 2
25
250636
Гайка М16х1,5-6Н
В узле: 4
26
252037
Шайба 6
В узле: 2
27
315407
Кляммер
В узле: 2
28
370848
Болт М8-6gх75
В узле: 2
32
374640
Гайка М22х1,5-6Н
В узле: 2
35
375960
Шайба 16
В узле: 4
36
376145
Шайба 22
В узле: 9
37
378609
Пробка
В узле: 2
39
401439
Тройник
В узле: 1
39
401439-01
Тройник
В узле: 1
42
402934
Угольник
В узле: 1
44
402984
Угольник
В узле: 2
46
403401
Крестовина
В узле: 2
47
404241
Штуцер
В узле: 4
51
201420
Болт М6-6gх20
В узле: 2
54
250508
Гайка М6-6Н
В узле: 2
55
250510
Гайка М8-6Н
В узле: 2
59
252005
Шайба 8
В узле: 2
60
252134
Шайба 6Т
В узле: 2
61
252135
Шайба 8Т
В узле: 2
62
252159
Шайба 16Л
В узле: 4
65
008-011-19-2-3
Кольцо
В узле: 18
66
010-014-25-2-3
Кольцо
В узле: 2
69
014-018-25-2-3
Кольцо
В узле: 4
70
020-025-30-2-3
Кольцо
В узле: 9
Содержащиеся в справочниках-каталогах запасные части и детали не предлагаются к продаже, а носят исключительно информационный характер

Ваша заявка была отправлена. В ближайшее время наши специалисты с Вами свяжутся по указанному Вами телефону.

Представьтесь
Поле обязательно для заполнения
Ваш телефон
Введите правильный номер телефона
E-mail
Введите правильный e-mail
Тема
Тема
применяемость финансирование доставка цена, наличие другое сервис и гарантия
Время для звонка
08:00
08:00 09:00 10:00 11:00 12:00 13:00 14:00 15:00 16:00 17:00 18:00 19:00
19:00
08:00 09:00 10:00 11:00 12:00 13:00 14:00 15:00 16:00 17:00 18:00 19:00

Мы постараемся перезвонить в указанное время

Если вы не хотите ждать, то звоните нашим вежливым консультантам:

8 800 100-2-700
Подтвердите, что вы не робот
Подтвердите, что вы не робот
Спасибо!

Ваше сообщение успешно отправлено!

ЗакрытьПовторить попытку