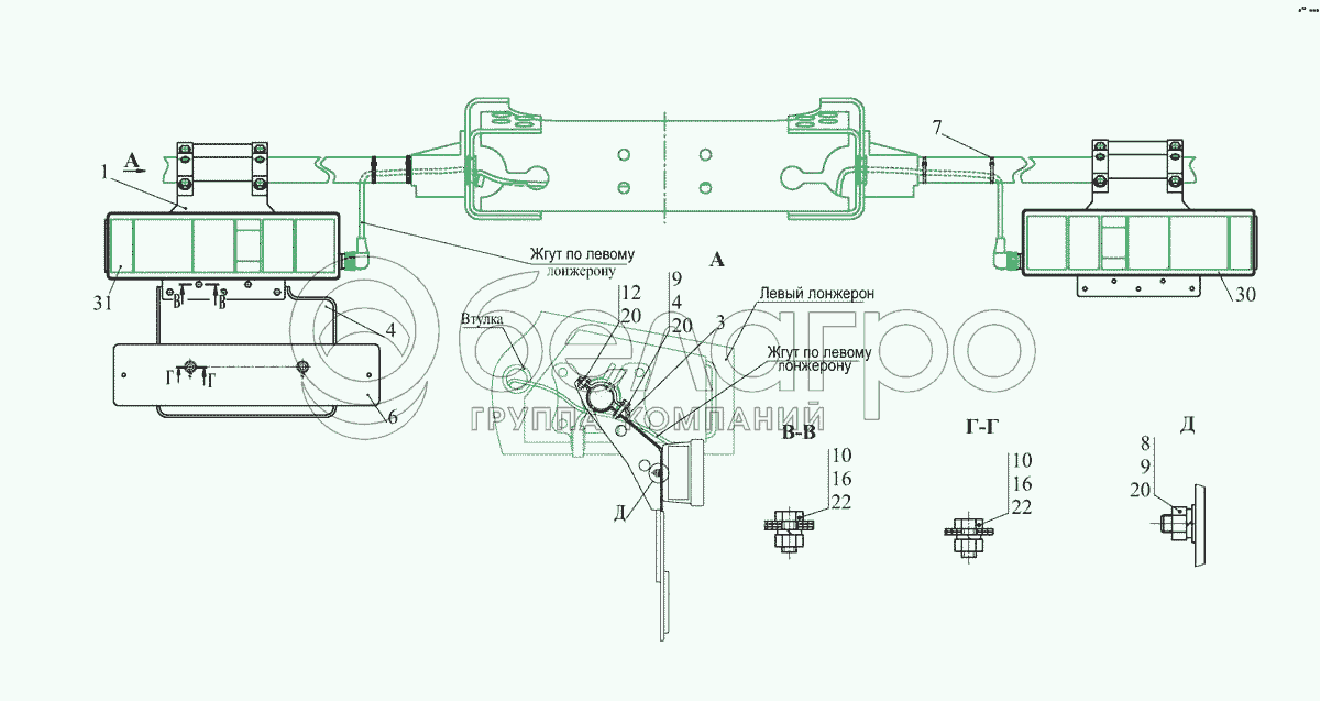
Каталог запасных частей к технике: МАЗ-5440E9. Установка задних фонарей 544019-3700009

zoom-in zoom-out enlarge shrink circle-right circle-left file-text2 info cart arraw right arraw left zoom out zoom in arraw maximize arraw minimize
1
3
4
4
6
7
8
9
9
10
10
12
16
16
20
20
20
22
22
30
31
1
5440-3716015
Кронштейн задних фонарей
В узле: 2
3
5440-3716019
Кронштейн
В узле: 4
4
643008-3716043
Кронштейн номерного знака
В узле: 1
6
83781-3716044
Кронштейн номерного знака
В узле: 1
7
6430-3724625
Хомут крепления проводов
В узле: 4
8
250610
Гайка М8-6Н
В узле: 4
9
375451
Шайба 8
В узле: 8
10
201420
Болт М6-6gх20
В узле: 7
12
201460
Болт М8-6gх30
В узле: 4
14
201464
Болт М8-6gх40
В узле: 4
16
250508
Гайка М6-6Н
В узле: 7
20
252135
Шайба 8Т
В узле: 12
22
252154
Шайба 6Л
В узле: 7
30
7462.3716.000-08
Фонарь задний 7462.3716-08
В узле: 1
31
7472.3716.000-08
Фонарь задний 7472.3716-08
В узле: 1
Содержащиеся в справочниках-каталогах запасные части и детали не предлагаются к продаже, а носят исключительно информационный характер

Ваша заявка была отправлена. В ближайшее время наши специалисты с Вами свяжутся по указанному Вами телефону.

Представьтесь
Поле обязательно для заполнения
Ваш телефон
Введите правильный номер телефона
E-mail
Введите правильный e-mail
Тема
Тема
применяемость финансирование доставка цена, наличие другое сервис и гарантия
Время для звонка
08:00
08:00 09:00 10:00 11:00 12:00 13:00 14:00 15:00 16:00 17:00 18:00 19:00
19:00
08:00 09:00 10:00 11:00 12:00 13:00 14:00 15:00 16:00 17:00 18:00 19:00

Мы постараемся перезвонить в указанное время

Если вы не хотите ждать, то звоните нашим вежливым консультантам:

8 800 100-2-700
Подтвердите, что вы не робот
Подтвердите, что вы не робот
Спасибо!

Ваше сообщение успешно отправлено!

ЗакрытьПовторить попытку