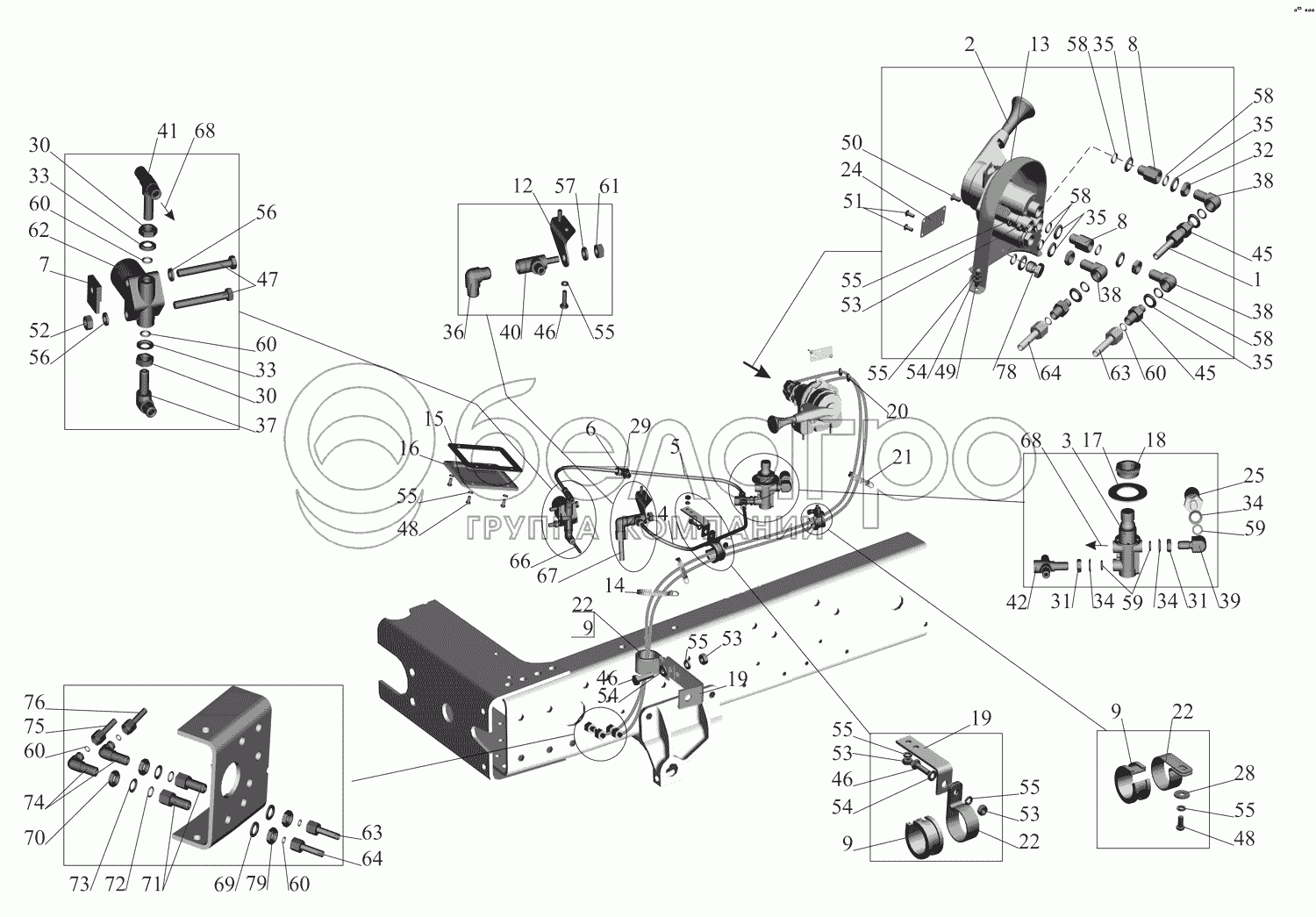
Каталог запасных частей к технике: МАЗ-551669. Привод стояночного тормоза 551669-3537004-010

zoom-in zoom-out enlarge shrink circle-right circle-left file-text2 info cart arraw right arraw left zoom out zoom in arraw maximize arraw minimize
1
2
2
2
2
3
4
5
6
7
8
8
9
9
9
12
13
14
15
16
17
18
19
19
20
21
22
22
22
24
24
25
28
29
30
30
31
31
32
33
33
34
34
34
35
35
35
35
36
37
38
38
38
39
40
41
42
45
45
46
46
46
47
48
48
49
50
51
52
53
53
53
53
54
54
54
55
55
55
55
55
55
55
55
56
56
57
58
58
58
58
59
59
60
60
60
60
60
61
62
63
63
64
64
66
67
68
68
69
70
71
72
73
74
75
76
78
79
1
64226-3537052
Трубка
В узле: 1
2
64221-3537310
Кран тормозной
В узле: 1
2
100-3537110
Кран моторного тормоза
В узле: 1
2
11.3537310
Кран тормозной с ручным управлением
В узле: 1
2
100-3537010
Кран тормозной с ручным управлением
В узле: 1
3
64221-3537110
Кран моторного тормоза
В узле: 1
4
64226-3570212-10
Трубка
В узле: 1
5
64226-3570240-10
Трубка
В узле: 1
6
500-1104540
Втулка
В узле: 1
7
544022-1115043
Пластина
В узле: 1
8
544022-1602238
Переходник
В узле: 2
9
64227-3506027
Прокладка
В узле: 3
12
5516-3506052
Кронштейн
В узле: 1
13
64221-3537044-01
Кронштейн
В узле: 1
14
ТSL-200-LНD
Кабельная стяжка
В узле: 1
15
64221-3537054
Прокладка
В узле: 1
16
5551-3537058
Крышка
В узле: 1
17
64221-3570037
Прокладка
В узле: 1
18
64221-3570039
Прижим
В узле: 1
19
5335-3570186-10
Кронштейн
В узле: 2
20
535А-3724015
Втулка
В узле: 3
21
ТSL-150-LНD
Кабельная стяжка
В узле: 6
22
64221-3724630
Кляммер
В узле: 3
24
6422-3903037
Табличка
В узле: 1
24
64221-3903037
Табличка
В узле: ---
25
ГШ-125
Датчик
В узле: 1
28
252037
Шайба 6
В узле: 1
29
315407
Кляммер
В узле: 1
30
374373
Гайка М10х1-6Н
В узле: 2
31
374614
Гайка М12х1,5-5Н6Н
В узле: 2
32
374619
Гайка М14х1,5-6Н
В узле: 3
33
375600
Шайба 10
В узле: 2
34
375818
Шайба 12
В узле: 2
35
375919
Шайба 14
В узле: 9
36
379053
Угольник
В узле: 1
37
402717
Угольник
В узле: 1
38
402755
Угольник
В узле: 3
39
402860
Угольник
В узле: 1
40
402942
Угольник
В узле: 1
41
403008
Тройник
В узле: 1
42
403409
Крестовина
В узле: 1
45
404249
Штуцер
В узле: 3
46
201420
Болт М6-6gх20
В узле: 6
47
200271
Болт М8-6gх60
В узле: 2
48
220103
Винт М6-6gх12
В узле: 5
49
220109
Винт М6-6gх25
В узле: 3
50
231604
Винт 2М6-6gх14
В узле: 2
51
240818
Винт М4х12
В узле: 4
52
250510
Гайка М8-6Н
В узле: 1
53
250508
Гайка М6-6Н
В узле: 7
54
252004
Шайба 6
В узле: 5
55
252134
Шайба 6Т
В узле: 11
56
252135
Шайба 8Т
В узле: 2
57
252136
Шайба 10.ОТ
В узле: 1
58
012-016-25-2-3
Кольцо
В узле: 9
59
010-014-19-2-2
Кольцо
В узле: 2
60
008-011-19-2-3
Кольцо
В узле: 4
61
250512
Гайка М10-6Н
В узле: 1
62
КЭБ-420С
Клапан электромагнитный
В узле: ---
63
551669-3506136
Трубка
В узле: 1
64
551669-3506180
Трубка
В узле: 1
66
64226-3506139
Трубка
В узле: 1
67
555132-3506248
Трубка
В узле: 1
68
Отборвоздуха
Отбор воздуха
В узле: +
69
252141
Шайба 20.ОТ
В узле: 2
70
250636
Гайка М16х1,5-6Н
В узле: 2
71
642208-3506078
Штуцер
В узле: 2
72
014-018-25-2-3
Кольцо
В узле: 2
73
375960
Шайба 16
В узле: 2
74
402984
Угольник
В узле: 2
75
551669-3506180
Трубка
В узле: 1
76
551669-3506136
Трубка
В узле: 1
78
378587
Пробка М14х1,5-6g
В узле: 1
79
250565
Гайка М20х1,5-6Н
В узле: 2
Содержащиеся в справочниках-каталогах запасные части и детали не предлагаются к продаже, а носят исключительно информационный характер

Ваша заявка была отправлена. В ближайшее время наши специалисты с Вами свяжутся по указанному Вами телефону.

Представьтесь
Поле обязательно для заполнения
Ваш телефон
Введите правильный номер телефона
E-mail
Введите правильный e-mail
Тема
Тема
применяемость финансирование доставка цена, наличие другое сервис и гарантия
Время для звонка
08:00
08:00 09:00 10:00 11:00 12:00 13:00 14:00 15:00 16:00 17:00 18:00 19:00
19:00
08:00 09:00 10:00 11:00 12:00 13:00 14:00 15:00 16:00 17:00 18:00 19:00

Мы постараемся перезвонить в указанное время

Если вы не хотите ждать, то звоните нашим вежливым консультантам:

8 800 100-2-700
Подтвердите, что вы не робот
Подтвердите, что вы не робот
Спасибо!

Ваше сообщение успешно отправлено!

ЗакрытьПовторить попытку