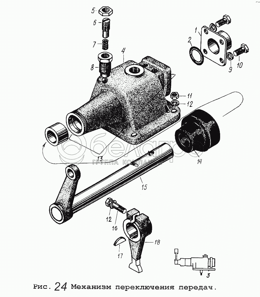
Каталог запасных частей к технике: МАЗ-5516. Механизм переключения передач

zoom-in zoom-out enlarge shrink circle-right circle-left file-text2 info cart arraw right arraw left zoom out zoom in arraw maximize arraw minimize
1
2
3
4
5
6
7
8
9
10
11
12
12
13
14
15
16
17
18
1
5336-1702296
Колпак защитный
В узле: 1
2
032-038-36-2-3
Кольцо
В узле: 1
3
5336-1702200-10
Механизм переключения
В узле: 1
4
5336-1702209-10
Картер в сборе
В узле: 1
5
374620
Гайка М14х1,5
В узле: 1
6
5336-1702247
Стопор
В узле: 1
7
500-1108438
Пружина
В узле: 1
8
5336-1702246
Корпус фиксатора
В узле: 1
9
252004
Шайба 6
В узле: 4
10
201418
Болт М6-6gх16
В узле: 4
11
250513
Гайка М10х1-6Н
В узле: 4
12
252136
Шайба 10.ОТ
В узле: 5
13
5336-1702208-10
Картер
В узле: 1
14
201-1702276
Манжета
В узле: 1
15
5336-1703218-10
Валик
В узле: 1
16
200317
Болт М10-6gх45
В узле: 1
17
374063
Шпонка 6х10
В узле: 1
18
5336-1702225
Рычаг
В узле: 1
Содержащиеся в справочниках-каталогах запасные части и детали не предлагаются к продаже, а носят исключительно информационный характер

Ваша заявка была отправлена. В ближайшее время наши специалисты с Вами свяжутся по указанному Вами телефону.

Представьтесь
Поле обязательно для заполнения
Ваш телефон
Введите правильный номер телефона
E-mail
Введите правильный e-mail
Тема
Тема
применяемость финансирование доставка цена, наличие другое сервис и гарантия
Время для звонка
08:00
08:00 09:00 10:00 11:00 12:00 13:00 14:00 15:00 16:00 17:00 18:00 19:00
19:00
08:00 09:00 10:00 11:00 12:00 13:00 14:00 15:00 16:00 17:00 18:00 19:00

Мы постараемся перезвонить в указанное время

Если вы не хотите ждать, то звоните нашим вежливым консультантам:

8 800 100-2-700
Подтвердите, что вы не робот
Подтвердите, что вы не робот
Спасибо!

Ваше сообщение успешно отправлено!

ЗакрытьПовторить попытку