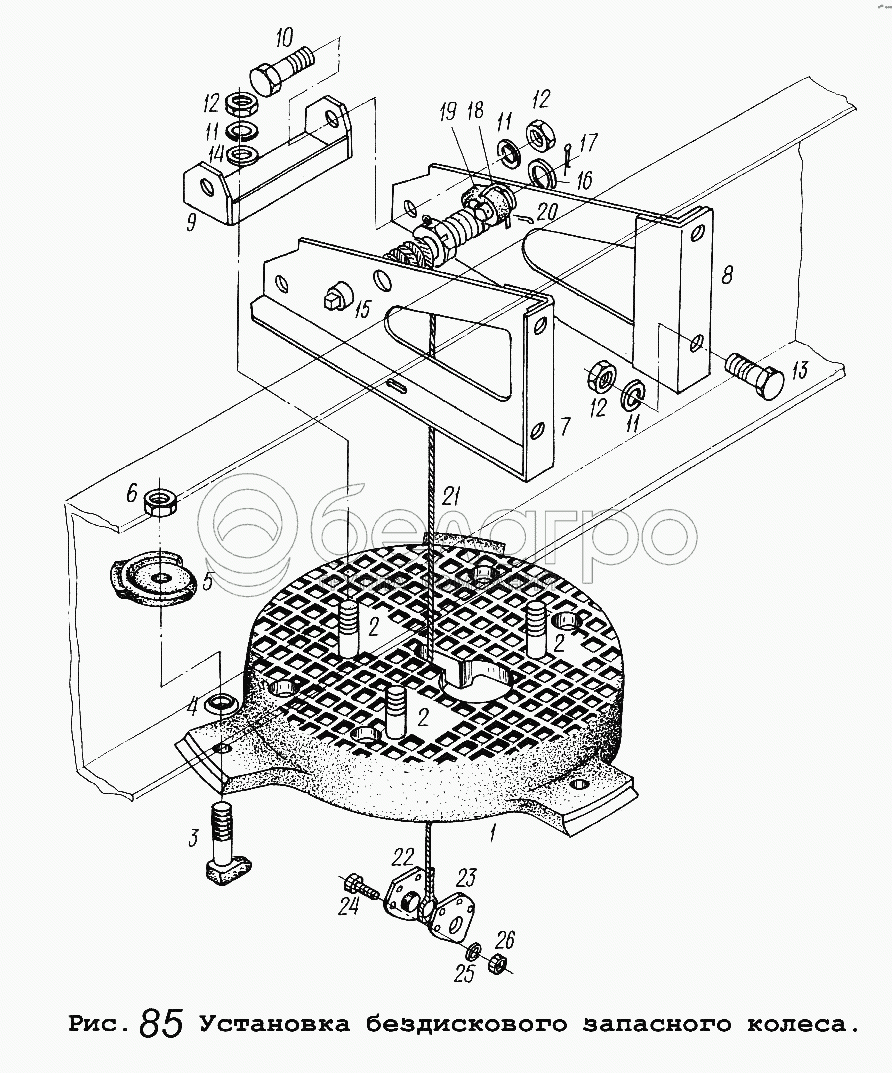
Каталог запасных частей к технике: МАЗ-5516. Установка бездискового запасного колеса

zoom-in zoom-out enlarge shrink circle-right circle-left file-text2 info cart arraw right arraw left zoom out zoom in arraw maximize arraw minimize
252156
201497
1
2
2
2
3
4
5
5
6
7
8
9
10
11
11
11
12
12
12
13
14
15
16
17
18
19
20
21
22
23
24
25
26
252156
Шайба 10Л
В узле: ---
201497
Болт М10-6gх25
В узле: ---
1
5432-3105010-01
Держатель
В узле: 1
2
372613
Болт М16х1,5-6gх55
В узле: 3
3
5336-3104008
Болт
В узле: 3
4
5336-3104017
Шайба
В узле: 3
5
5336-3101050-01
Прижим
В узле: 3
5
5336-3101050
Прижим переднего колеса
В узле: 3
6
5336-3101040
Гайка
В узле: 3
7
5432-3105040-01
Кронштейн
В узле: 1
8
5432-3105051-01
Кронштейн
В узле: 1
9
5432-3105091
Кронштейн
В узле: 1
10
202141
Болт М16х1,5-6gх35
В узле: 2
11
252139
Шайба 16.ОТ
В узле: 9
12
250561
Гайка М16х1,5-6Н
В узле: 9
13
372629
Болт М16х1,5-6gх45
В узле: 4
14
252017
Шайба 16
В узле: 3
15
5432-3105060
Вал в сборе
В узле: 1
16
376222
Шайба 30
В узле: 1
17
258085
Шплинт 6,3х50
В узле: 1
18
886Б-3105294
Пружина
В узле: 1
19
886-3508030
Собачка
В узле: 1
20
258054
Шплинт 4,0х32
В узле: 1
21
5432-3105140
Канат
В узле: 1
22
8925-3105147
Держатель троса
В узле: 1
23
886Б-3105150
Щека
В узле: 1
24
201458
Болт М8-6gх25
В узле: 4
25
252135
Шайба 8Т
В узле: 4
26
250510
Гайка М8-6Н
В узле: 4
Содержащиеся в справочниках-каталогах запасные части и детали не предлагаются к продаже, а носят исключительно информационный характер

Ваша заявка была отправлена. В ближайшее время наши специалисты с Вами свяжутся по указанному Вами телефону.

Представьтесь
Поле обязательно для заполнения
Ваш телефон
Введите правильный номер телефона
E-mail
Введите правильный e-mail
Тема
Тема
применяемость финансирование доставка цена, наличие другое сервис и гарантия
Время для звонка
08:00
08:00 09:00 10:00 11:00 12:00 13:00 14:00 15:00 16:00 17:00 18:00 19:00
19:00
08:00 09:00 10:00 11:00 12:00 13:00 14:00 15:00 16:00 17:00 18:00 19:00

Мы постараемся перезвонить в указанное время

Если вы не хотите ждать, то звоните нашим вежливым консультантам:

8 800 100-2-700
Подтвердите, что вы не робот
Подтвердите, что вы не робот
Спасибо!

Ваше сообщение успешно отправлено!

ЗакрытьПовторить попытку