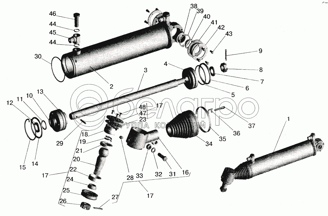
Каталог запасных частей к технике: МАЗ-5516 (2003). Силовой цилиндр гидроусилителя рулевого управления

zoom-in zoom-out enlarge shrink circle-right circle-left file-text2 info cart arraw right arraw left zoom out zoom in arraw maximize arraw minimize
1
1
2
2
3
3
4
5
6
7
8
9
10
11
12
13
14
15
16
17
17
17
18
19
20
21
22
23
24
25
26
27
28
29
30
31
32
33
34
35
36
37
38
39
40
41
42
43
44
44
45
46
47
48
34
64221-3405096
Муфта
В узле: 1
64221-3405096 Чехол <10 шт. 845.52 р.
1
64221-3405004
Силовой цилиндр в сборе
В узле: 1
1
6422-3405004
Цилиндр гидравлический
В узле: 1
2
ЦГ80-360-3405023-20
Труба
В узле: 1
2
ЦГ80-280-2805023-10
Труба
В узле: 1
3
ЦГ80-260-3405046-20
Шток
В узле: 1
3
ЦГ80-280-3405046-10
Шток
В узле: 1
4
ЦГ80-280-3405042-10
Поршень
В узле: 1
5
067-075-46-2-3
Кольцо
В узле: 1
6
ЦГ80-280-3405044
Шайба
В узле: 1
7
252019-10
Шайба 20
В узле: 1
8
250908
Гайка М20х1,5-6Н
В узле: 1
9
258056
Шплинт 4х40
В узле: 1
10
ЦГ80-280-3405087
Манжета
В узле: 1
11
028-033-30-2-3
Кольцо
В узле: 1
12
ЦГ80-280-3405120-10
Грязесъсмник
В узле: 1
13
ЦГ80-360-3405058-20
Крышка
В узле: 1
14
072-080-46-2-3
Кольцо
В узле: 1
15
ЦГ80-280-3405305
Штифт
В узле: 1
16
ЦГ80-280-3405205-20
Корпус шарнира
В узле: 1
17
ЦГ80-280-3405204-11
Корпус шарнира
В узле: 1
18
5336-3003026
Пробка
В узле: 1
19
ЦГ80-280-3405288
Пружина
В узле: 1
20
5336-3003065-01
Палец шаровой
В узле: 1
21
64227-3003067
Сухарь
В узле: 1
22
64227-3003066
Сухарь
В узле: 1
23
5336-3003074
Прокладка
В узле: 1
24
5336-3003071
Ограничитель
В узле: 1
25
5336-3003083-02
Уплотнитель
В узле: 1
26
251035
Гайка М24х2-5Н6Н
В узле: 1
27
258069
Шплинт 5х36
В узле: 1
28
264072
Масленка 1.1.4ХЛ1
В узле: 1
29
45 9845 1378
Штифт 5х36
В узле: 1
30
ЦГ80-280-3405312
Кольцо
В узле: 1
31
201567
Болт М12х1,25-6gх40
В узле: 1
32
252157
Шайба 124
В узле: 1
33
250515
Гайка М12х1,25-6Н
В узле: 1
35
297588
Лента
В узле: 1
36
297580
Пряжка
В узле: 1
37
297575
Шплинт 5,6х22
В узле: 1
38
ШСП-30
Подшипник
В узле: 1
39
400413
Кольцо Б47
В узле: 2
40
ЦГ80-280-3405032
Втулка
В узле: 2
41
ЦГ80-280-3405040
Уплотнитель
В узле: 2
42
ЦГ80-280-3405041
Шайба
В узле: 2
43
220077
Винт М5-6gх10
В узле: 8
44
018-022-25-2-3
Кольцо
В узле: 4
45
64221-3406018
Наконечник
В узле: 2
46
64221-3408017
Болт приводной
В узле: 2
47
5339-3003073-01
Крышка
В узле: 1
48
221604
Винт М6-6gх14
В узле: 3
Содержащиеся в справочниках-каталогах запасные части и детали не предлагаются к продаже, а носят исключительно информационный характер

Ваша заявка была отправлена. В ближайшее время наши специалисты с Вами свяжутся по указанному Вами телефону.

Представьтесь
Поле обязательно для заполнения
Ваш телефон
Введите правильный номер телефона
E-mail
Введите правильный e-mail
Тема
Тема
применяемость финансирование доставка цена, наличие другое сервис и гарантия
Время для звонка
08:00
08:00 09:00 10:00 11:00 12:00 13:00 14:00 15:00 16:00 17:00 18:00 19:00
19:00
08:00 09:00 10:00 11:00 12:00 13:00 14:00 15:00 16:00 17:00 18:00 19:00

Мы постараемся перезвонить в указанное время

Если вы не хотите ждать, то звоните нашим вежливым консультантам:

8 800 100-2-700
Подтвердите, что вы не робот
Подтвердите, что вы не робот
Спасибо!

Ваше сообщение успешно отправлено!

ЗакрытьПовторить попытку