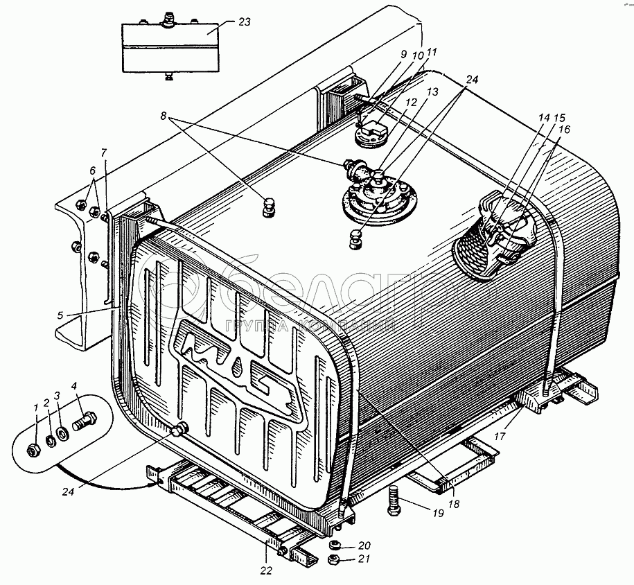
Каталог запасных частей к технике: МАЗ-5549. Бак топливный и его установка МАЗ-509А

zoom-in zoom-out enlarge shrink circle-right circle-left file-text2 info cart arraw right arraw left zoom out zoom in arraw maximize arraw minimize
1
2
3
4
5
6
7
8
9
10
11
12
13
14
15
16
17
18
19
20
21
22
23
24
24
509А-1102100-01
Кронштейн крепления дополнительного топливного бака передний
В узле: 1
509А-1102102-01
Кронштейн крепления дополнительного топливного бака задний
В узле: 1
372623-П29
Болт крепления ведомой шестерни
В узле: 4
1
250512-П29
Гайка
В узле: 4
2
252136-П2
Шайба
В узле: 4
3
252039-П29
Шайба
В узле: 4
4
370862-П29
Болт
В узле: 4
5
509А-1101100-01
Кронштейн крепления основного топливного бака передний
В узле: 1
6
374722-П29
Гайка
В узле: 16
7
372611-П29
Болт
В узле: 4
8
262542-П29
Пробка
В узле: 4
9
220079-П29
Винт
В узле: 10
10
375370-П29
Шайба
В узле: 10
11
БМ127-А
Датчик указателя уровня топлива
В узле: 2
12
200-3806026
Прокладка
В узле: 2
13
5335-1105011
Крышка фильтра
В узле: 2
14
400475-П2
Кольцо запорное
В узле: 2
15
50-1101030-Б
Фильтр наливной трубы
В узле: 2
16
5428-1101114
Прокладка хомута
В узле: 4
17
509А-1101102-01
Кронштейн крепления основного топливного бака задний
В узле: 1
18
509А-1101110
Хомут крепления топливного бака
В узле: 4
19
500-1101060
Пробка
В узле: 2
20
252137-П2
Шайба пружинная
В узле: 8
21
250515-П29
Гайка
В узле: 8
22
509А-1101210
Решетка защитная топливного бака
В узле: 2
23
5335-1101010-01
Бак топливный с фильтром
В узле: 2
24
262544-П29
Пробка К 1/2"
В узле: 4
Содержащиеся в справочниках-каталогах запасные части и детали не предлагаются к продаже, а носят исключительно информационный характер

Ваша заявка была отправлена. В ближайшее время наши специалисты с Вами свяжутся по указанному Вами телефону.

Представьтесь
Поле обязательно для заполнения
Ваш телефон
Введите правильный номер телефона
E-mail
Введите правильный e-mail
Тема
Тема
применяемость финансирование доставка цена, наличие другое сервис и гарантия
Время для звонка
08:00
08:00 09:00 10:00 11:00 12:00 13:00 14:00 15:00 16:00 17:00 18:00 19:00
19:00
08:00 09:00 10:00 11:00 12:00 13:00 14:00 15:00 16:00 17:00 18:00 19:00

Мы постараемся перезвонить в указанное время

Если вы не хотите ждать, то звоните нашим вежливым консультантам:

8 800 100-2-700
Подтвердите, что вы не робот
Подтвердите, что вы не робот
Спасибо!

Ваше сообщение успешно отправлено!

ЗакрытьПовторить попытку