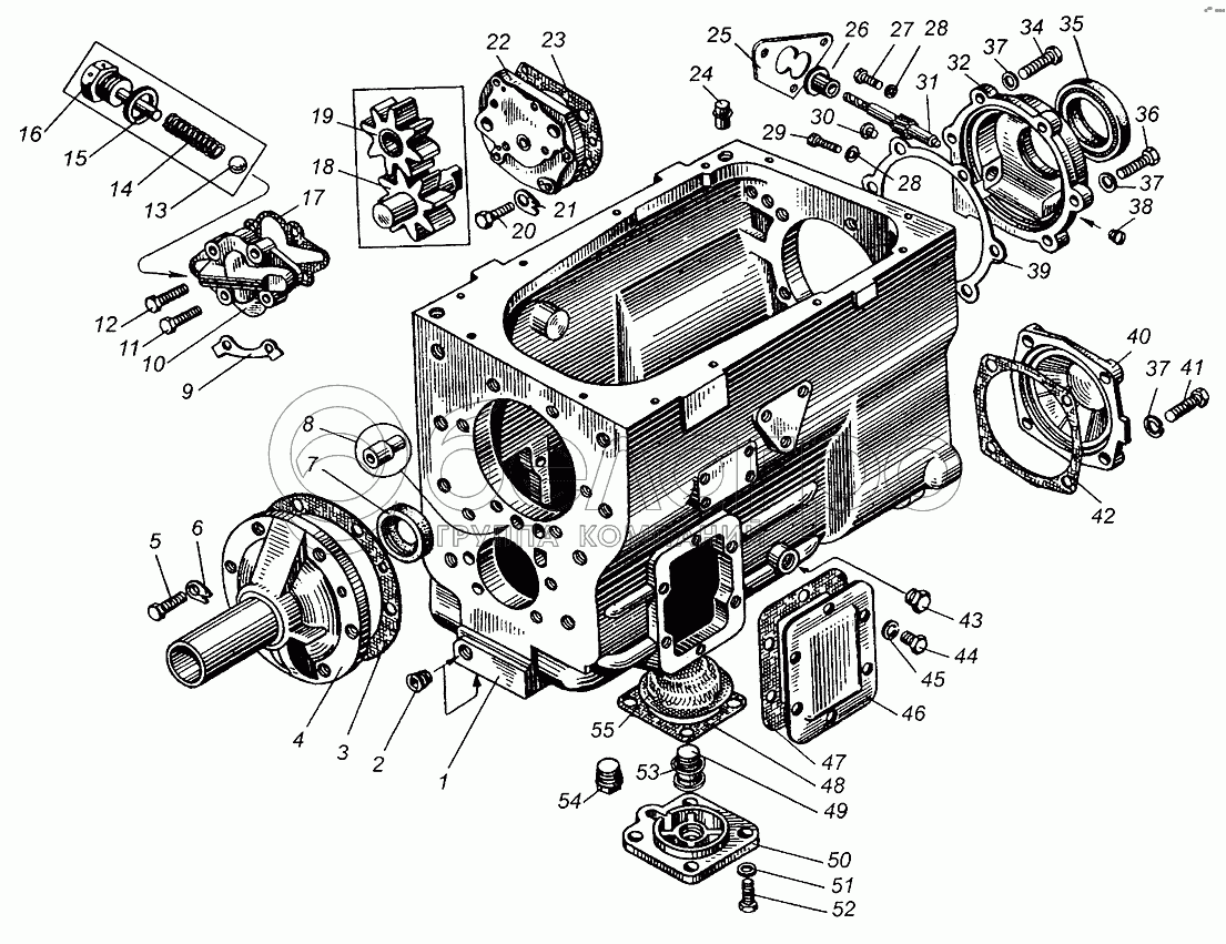
Каталог запасных частей к технике: МАЗ-5549. Картер и насос масляный коробки передач

zoom-in zoom-out enlarge shrink circle-right circle-left file-text2 info cart arraw right arraw left zoom out zoom in arraw maximize arraw minimize
1
2
3
4
5
6
7
8
9
10
11
12
13
14
15
16
17
18
19
20
21
22
23
24
25
26
27
28
28
29
30
31
32
34
35
36
37
37
37
38
39
40
41
42
43
44
45
46
47
48
49
50
51
52
53
54
55
236-3802020
Шестерня привода спидометра с червяком и втулкой в сборе (только для запасных частей)
В узле: 1
236-1701235
Пружина
В узле: 1
210-1701220
Пружина
В узле: 1
236-1704025
Ось ведомой шестерни масляного насоса
В узле: 1
236-1704010
Насос масляный коробки передач в сборе
В узле: 1
236-1701233
Манжета
В узле: 1
210-1701211-А
Манжета
В узле: 1
236У-1701205-А3
Крышка заднего подшипника вторичного вала
В узле: 1
236П-1700010-Б
Коробка передач с картером сцепления в сборе
В узле: 1
236Н-1700010
Коробка передач с картером сцепления в сборе
В узле: 1
236Н-1701242-Б2
Втулка распорная
В узле: 1
1
236-1701015-Б
Картер коробки передач
В узле: 1
2
262518-П2
Пробка коническая
В узле: 2
3
236-1701042-А
Прокладка крышки заднего подшипника
В узле: 1
4
236-1701040-А
Крышка подшипника первичного вала
В узле: 1
5
201499-П29
Болт
В узле: 6
6
312581-П29С
Шайба замковая
В узле: 6
7
236-1701230
Манжета крышки подшипника первичного вала в сборе
В узле: 1
8
200-1701188
Втулка дроссельная картера коробки передач
В узле: 1
9
236-1704078-А
Планка стопорная
В узле: 2
10
236-1704015
Корпус масляного насоса в сборе
В узле: 1
11
310013-П29
Болт М10х35
В узле: 4
12
310013-П29
Болт М10х35
В узле: 4
13
200-1702083
Шарик
В узле: 1
14
200-1704027
Пружина клапана масляного насоса
В узле: 1
15
312326-П34
Шайба уплотнительная диаметр 14 мм
В узле: 1
16
236-1704026
Пробка клапана масляного насоса
В узле: 1
17
236-1704029-А
Прокладка корпуса масляного насоса коробки передач
В узле: 1
18
236-1704040-А2
Шестерня ведущая масляного насоса в сборе
В узле: 1
19
236-1704030
Шестерня ведомая масляного насоса в сборе
В узле: 1
20
201499-П29
Болт
В узле: 4
21
312581-П29С
Шайба замковая
В узле: 4
22
236-1704070
Основание масляного насоса в сборе
В узле: 1
23
236-1704017-А2
Прокладка основания масляного насоса коробки передач
В узле: 1
24
236-1702182
Штифт верхний установочный в сборе
В узле: 2
25
236-3802069-Б
Прокладка крышки сменных шестерен привода спидометра
В узле: 1
26
236-3802024
Втулка шестерни привода спидометра
В узле: 1
27
310224-П29
Болт крепления заглушки
В узле: 1
28
252135-П2
Шайба
В узле: 3
29
201457-П29
Болт
В узле: 2
30
236-3801074
Штифт упорный смежной шестерни (только для запасных частей)
В узле: 1
31
236-3802034-Б
Шестерня привода спидометра
В узле: 1
32
236-1701205-Б4
Крышка заднего подшипника вторичного вала
В узле: 1
34
201544-П29
Болт
В узле: 6
35
210-1701210-А
Манжета крышки заднего подшипника вторичного вала в сборе
В узле: 1
36
200372-П29
Болт крепления крышки заднего подшипника
В узле: 1
37
252137-П2
Шайба пружинная
В узле: 10
38
316105-П29
Пробка
В узле: 1
39
236У-1701203
Прокладка крышки заднего подшипника вторичного вала
В узле: 1
40
236-1701074-А2
Крышка заднего подшипника промежуточного вала
В узле: 1
41
201544-П29
Болт
В узле: 4
42
236-1701075-А
Прокладка крышки заднего подшипника промежуточного вала
В узле: 1
43
316121-П29
Пробка
В узле: 1
44
201497-П29
Болт
В узле: 12
45
252136-П2
Шайба
В узле: 12
46
236-1701020
Крышка люка
В узле: 2
47
200-1701021-А
Прокладка крышки люка отбора мощности
В узле: 2
48
236-1704056-А
Прокладка крышки заборника масляного насоса
В узле: 1
49
236-1704120
Магнит крышки заборника масляного насоса с основанием в сборе
В узле: 1
50
236-1704054-Б
Крышка заборника масляного насоса
В узле: 1
51
252136-П2
Шайба
В узле: 4
52
201497-П29
Болт
В узле: 4
53
236-1704132
Кольцо запорное
В узле: 1
54
262513-П2
Пробка картера коробки передач сливная
В узле: 2
55
236-1704050-Б
Сетка заборника масляного насоса предохранительная
В узле: 1
Содержащиеся в справочниках-каталогах запасные части и детали не предлагаются к продаже, а носят исключительно информационный характер

Ваша заявка была отправлена. В ближайшее время наши специалисты с Вами свяжутся по указанному Вами телефону.

Представьтесь
Поле обязательно для заполнения
Ваш телефон
Введите правильный номер телефона
E-mail
Введите правильный e-mail
Тема
Тема
применяемость финансирование доставка цена, наличие другое сервис и гарантия
Время для звонка
08:00
08:00 09:00 10:00 11:00 12:00 13:00 14:00 15:00 16:00 17:00 18:00 19:00
19:00
08:00 09:00 10:00 11:00 12:00 13:00 14:00 15:00 16:00 17:00 18:00 19:00

Мы постараемся перезвонить в указанное время

Если вы не хотите ждать, то звоните нашим вежливым консультантам:

8 800 100-2-700
Подтвердите, что вы не робот
Подтвердите, что вы не робот
Спасибо!

Ваше сообщение успешно отправлено!

ЗакрытьПовторить попытку