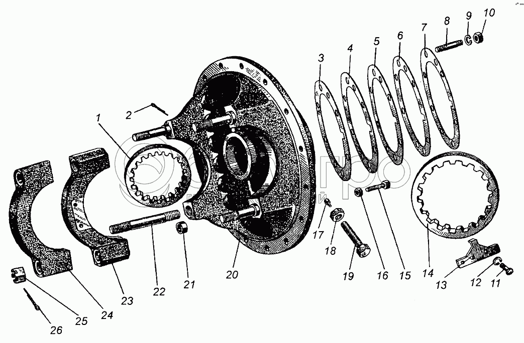
Каталог запасных частей к технике: МАЗ-5549. Картер редуктора заднего моста

zoom-in zoom-out enlarge shrink circle-right circle-left file-text2 info cart arraw right arraw left zoom out zoom in arraw maximize arraw minimize
1
2
3
4
5
6
7
8
9
10
11
12
13
14
15
16
17
18
19
20
21
22
23
24
25
26
500-2402010-12
Редуктор заднего моста в сборе
В узле: 1
500-2402015
Картер редуктора с крышками подшипников дифференциала в сборе
В узле: 1
1
500-2403043
Гайка регулировочная подшипника дифференциала левая
В узле: 1
2
256086-П29
Шплинт
В узле: 4
3
500-2402080
Прокладка регулировочная картера подшипников
В узле: 2
4
500-2402081
Прокладка регулировочная картера подшипника
В узле: 2
5
500-2402082
Прокладка регулировочная картера подшипника
В узле: 1
6
500-3402083
Прокладка регулировочная картера подшипника
В узле: 2
7
500-2402084-11
Прокладка крышки картера подшипника
В узле: 1
8
373588-П29
Шпилька
В узле: 6
9
252138-П2
Шайба пружинная
В узле: 6
10
250559-П29
Гайка
В узле: 6
11
201454-П29
Болт
В узле: 4
12
252135-П2
Шайба
В узле: 4
13
500А-2403044-01
Стопор гайки
В узле: 2
14
500-2403040
Гайка регулировочная подшипника дифференциала правая
В узле: 1
15
371737-П29
Болт
В узле: 2
16
250514-П29
Гайка
В узле: 2
17
500-2402194
Сухарь ограничителя деформации
В узле: 1
18
250661-П29
Гайка
В узле: 1
19
500-2402192-Б
Ограничитель деформации ведомой шестерни
В узле: 1
20
500-2402018-Б
Картер редуктора
В узле: 1
21
500-2402024
Втулка
В узле: 4
22
373681-П2
Шпилька
В узле: 4
23
500-2402019-В
Крышка подшипника дифференциала правая
В узле: 1
24
500-2402022-Б
Крышка подшипника дифференциала левая
В узле: 1
25
250908-П29
Гайка
В узле: 4
26
258056-П29
Шплинт
В узле: 4
Содержащиеся в справочниках-каталогах запасные части и детали не предлагаются к продаже, а носят исключительно информационный характер

Ваша заявка была отправлена. В ближайшее время наши специалисты с Вами свяжутся по указанному Вами телефону.

Представьтесь
Поле обязательно для заполнения
Ваш телефон
Введите правильный номер телефона
E-mail
Введите правильный e-mail
Тема
Тема
применяемость финансирование доставка цена, наличие другое сервис и гарантия
Время для звонка
08:00
08:00 09:00 10:00 11:00 12:00 13:00 14:00 15:00 16:00 17:00 18:00 19:00
19:00
08:00 09:00 10:00 11:00 12:00 13:00 14:00 15:00 16:00 17:00 18:00 19:00

Мы постараемся перезвонить в указанное время

Если вы не хотите ждать, то звоните нашим вежливым консультантам:

8 800 100-2-700
Подтвердите, что вы не робот
Подтвердите, что вы не робот
Спасибо!

Ваше сообщение успешно отправлено!

ЗакрытьПовторить попытку