Каталог запасных частей к технике: МАЗ-5549. Лебедка, вал карданный лебедки МАЗ-509А

zoom-in zoom-out enlarge shrink circle-right circle-left file-text2 info cart arraw right arraw left zoom out zoom in arraw maximize arraw minimize
1
2
3
4
4
5
6
7
8
9
10
11
12
13
14
15
16
17
18
19
20
21
304814-П
Масленка шарнира карданного вала
В узле: 2
304814-П* Масленка М10 (КГ1/8) прямая (864006) Под заказ 2.83 р.
110-2201033
Подшипник крестовины карданного вала
В узле: 4
509-4501110
Барабан лебедки в сборе
В узле: 1
121-4502047
Вилка скользящая карданного вала
В узле: 1
121-4502030-Б
Крестовина карданного вала
В узле: 2
509-4510076
Кронштейн
В узле: 2
509-4501010-02
Лебедка в сборе
В узле: 1
110-2201031
Обойма сальника крестовины карданного вала
В узле: 4
509-4510114
Ось ролика
В узле: 2
509-4510112
Ролик
В узле: 2
509-4510110
Ролик в сборе
В узле: 2
110-2201032
Сальник крестовины карданного вала
В узле: 4
121-4502023-Б
Фланец карданного вала
В узле: 2
509-4502014-Б
Шарнир карданного вала задний в сборе
В узле: 7
509-4502011
Шарнир карданного вала передний в сборе
В узле: 1
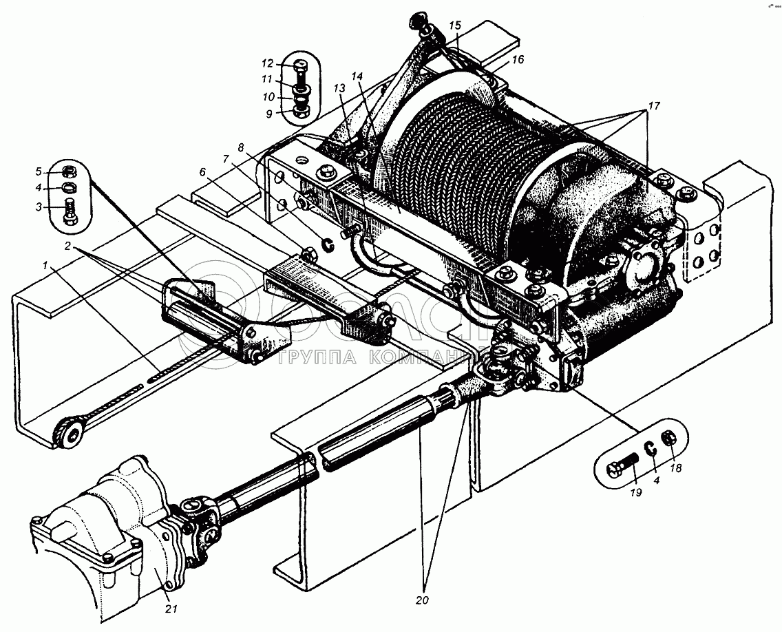
1
509-4504014
Канат лебедки в сборе
В узле: 1
2
509-4510072-01
Кронштейн с роликом в сборе
В узле: 2
3
201542-П29
Болт
В узле: 2
4
252137-П2
Шайба пружинная
В узле: 10
5
250514-П29
Гайка
В узле: 2
6
250512-П29
Гайка
В узле: 4
7
252136-П2
Шайба
В узле: 4
8
201499-П29
Болт
В узле: 4
9
250560-П29
Гайка
В узле: 8
10
252139-П2
Шайба
В узле: 8
11
252017-П29
Шайба
В узле: 8
12
202121-П29
Болт крепления зажима
В узле: 7
13
509-4509010
Кожух лебедки в сборе
В узле: 1
14
509-4501230-10
Поперечина крепления лебедки
В узле: 2
15
509А-4501257
Пластина
В узле: 1
16
202124-П29
Болт крепления пластины
В узле: 1
17
509-4501011-01
Лебедка с канатом в сборе
В узле: 1
18
250515-П29
Гайка
В узле: 8
19
201564-П29
Болт крепления фланца карданного вала
В узле: 8
20
509А-4502010-Б
Карданный вал привода лебедки в сборе
В узле: 1
21
509-4229010-Б
Коробка отбора мощности в сборе
В узле: 1
Содержащиеся в справочниках-каталогах запасные части и детали не предлагаются к продаже, а носят исключительно информационный характер

Ваша заявка была отправлена. В ближайшее время наши специалисты с Вами свяжутся по указанному Вами телефону.

Представьтесь
Поле обязательно для заполнения
Ваш телефон
Введите правильный номер телефона
E-mail
Введите правильный e-mail
Тема
Тема
применяемость финансирование доставка цена, наличие другое сервис и гарантия
Время для звонка
08:00
08:00 09:00 10:00 11:00 12:00 13:00 14:00 15:00 16:00 17:00 18:00 19:00
19:00
08:00 09:00 10:00 11:00 12:00 13:00 14:00 15:00 16:00 17:00 18:00 19:00

Мы постараемся перезвонить в указанное время

Если вы не хотите ждать, то звоните нашим вежливым консультантам:

8 800 100-2-700
Подтвердите, что вы не робот
Подтвердите, что вы не робот
Спасибо!

Ваше сообщение успешно отправлено!

ЗакрытьПовторить попытку