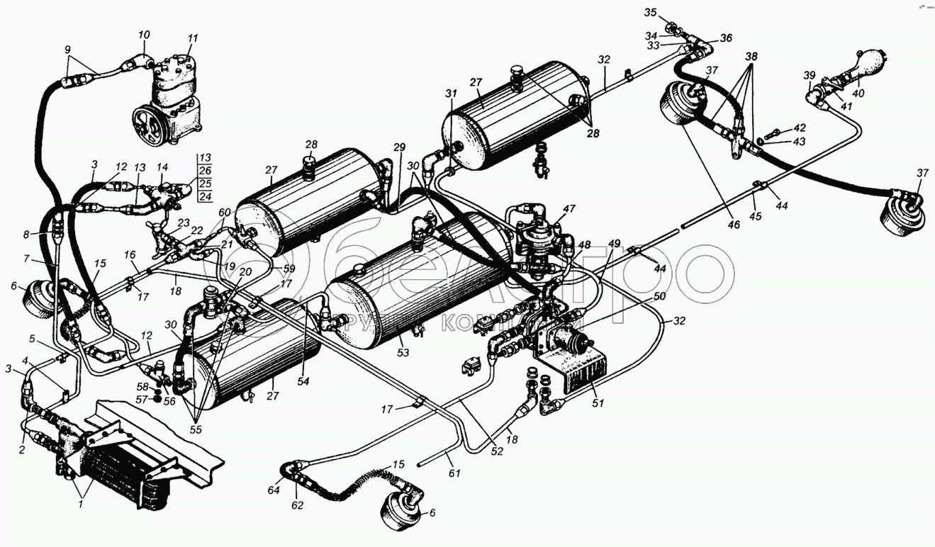
Каталог запасных частей к технике: МАЗ-5549. Привод пневматический тормозов МАЗ-509А

zoom-in zoom-out enlarge shrink circle-right circle-left file-text2 info cart arraw right arraw left zoom out zoom in arraw maximize arraw minimize
1
2
3
3
4
5
6
6
7
8
9
10
11
12
12
13
13
14
15
15
16
17
17
17
18
18
19
20
21
22
23
24
25
26
27
27
27
28
28
29
30
30
31
32
32
33
34
35
36
37
37
38
39
40
41
42
43
44
44
45
46
47
48
49
50
51
52
53
54
55
56
57
58
59
60
61
62
64
24
020-025-30-2-2
Кольцо
В узле: 1
020-025-30-2-2 Кольцо уплотнительное, Беларусь >10 шт. 21.89 р.
012-016-25-2-2
Кольцо резиновое
В узле: 11
012-016-25-2-2 Кольцо уплотнительное, Беларусь >10 шт. 8.45 р.
200-3521018-Г
Крышка корпуса соединительной головки
В узле: 1
201420-П29
Болт М6х20
В узле: 5
201424-П29
Болт
В узле: 5
250508-П29
Гайка М6
В узле: 10
250659-П29
Гайка
В узле: 1
12.3520040
Гайка разобщительного крана
В узле: 1
252707-П2
Заклепка
В узле: 1
130-3509018-Б
Картер компрессора в сборе
В узле: 1
200-3521020-Б
Кольцо соединительной головки уплотнительное
В узле: 1
008-011-19-2-2
Кольцо
В узле: 14
020-025-30-2-3
Кольцо
В узле: 1
130-3509009-Б
Компрессор в сборе (без шкива)
В узле: 1
120-3506353-Б
Корпус крана отбора воздуха
В узле: 1
12.3520016
Корпус разобщительного крана
В узле: 1
214Б-3521016-Б
Корпус соединительной головки
В узле: 1
5335-3520030
Ниппель разобщительного крана и соединительной головки
В узле: 1
12.3520018
Пробка разобщительного крана
В узле: 1
5335-3512002
Регулятор давления с кронштейном в сборе
В узле: 1
200-3520020-Б
Ручка пробки разобщительного крана
В узле: 1
120-3506365-А2
Стержень крана отбора воздуха в сборе
В узле: 1
500-3519110-01
Тормозная камера задняя в сборе
В узле: 2
379762-П29
Угольник конечный
В узле: 2
379053-П29
Угольник конечный
В узле: 1
12.3520038
Уплотнитель
В узле: 1
252142-П2
Шайба пружинная
В узле: 1
252134-П2
Шайба
В узле: 10
30
5336-3506187
Шланг от двойного защитного клапана к левому воздушному баллону в сборе
В узле: 1
258928-11
Штифт
В узле: 1
1
11.3511010
Влагоотделитель в сборе
В узле: 1
55
402776-П29
Угольник
В узле: 4
3
5335-3506142
Трубка от влагоотделителя к регулятору давления со шлангом в сборе
В узле: 1
4
315407-П29
Кляммер воздухопровода
В узле: 2
44
315406-П29
Кляммер
В узле: 3
6
500-3519010-01
Камера тормозная
В узле: 2
7
533507-3506178
Трубка от компрессора к влагоотделителю в сборе
В узле: 1
8
379501-П29
Ниппель
В узле: 1
9
533507-3506197
Трубка от компрессора к влагоотделителю со шлангом в сборе
В узле: 1
10
379652-П29
Угольник воздухопровода
В узле: 1
11
500-3509015-Б1
Компрессор в сборе
В узле: 1
12
509А-3506148
Трубка от регулятора давления к воздушному баллону со шлангом в сборе
В узле: 1
14
11.3512010
Регулятор давления с предохранительным клапаном в сборе
В узле: 1
15
500-3506060-Б2
Шланг
В узле: 2
16
5335-3506248
Трубка к пневматическому крану управления подъема платформы передняя в сборе
В узле: 1
17
315409-П29
Кляммер двойной
В узле: 5
18
509А-3506282
Трубка от тормозного крана к правой тормозной камере в сборе
В узле: 1
19
404314-П29
Штуцер
В узле: 1
20
100-3515110
Клапан защитный двойной в сборе
В узле: 1
21
403042-П29
Тройник
В узле: 1
22
375010-П29
Гайка
В узле: 1
23
120-3506350-А1
Кран отбора воздуха в сборе
В узле: 1
25
376145-П29
Шайба
В узле: 2
26
374939-П29
Гайка
В узле: 1
27
5336-3513015
Ресивер
В узле: 3
28
262542-П29
Пробка
В узле: 6
29
509А-3506187
Трубка от верхнего переднего воздушного баллона к верхнему заднему воздушному баллону в сборе
В узле: 1
31
503-8609438
Втулка
В узле: 2
32
509А-3506289
Воздухопровод в сборе
В узле: 1
33
402774-П29
Тройник
В узле: 1
43
252156-П2
Шайба пружинная
В узле: 1
57
250512-П29
Гайка
В узле: 2
36
379811-П29
Угольник
В узле: 1
37
379650-П29
Угольник конечный
В узле: 2
38
509-3506098
Тройник со шлангами к задним тормозным камерам в сборе
В узле: 1
39
314514-П29
Угольник конечный
В узле: 1
40
200-3521010-Г
Головка соединительная в сборе
В узле: 1
41
12.3520010
Кран разобщительный в сборе
В узле: 1
42
201495-П29
Болт
В узле: 1
45
509А-3506329
Трубка от крана прицепа к разобщительному крану в сборе
В узле: 1
46
500-3519110
Тормозная камера задняя в сборе
В узле: 2
47
100-3522110-10
Клапан управления тормозами прицепа с однопроводным приводом
В узле: 1
48
509А-3506352
Трубка от тормозного крана к крану прицепа в сборе
В узле: 1
49
509А-3506240
Трубка от тормозного крана к крану прицепа в сборе
В узле: 1
50
100-3514008
Кран с рычагом в сборе
В узле: 1
51
504В-3514150-И
Кронштейн крепления тормозного крана
В узле: 1
52
509А-3506283
Трубка от тормозного крана к левой тормозной камере в сборе
В узле: 1
53
6303-3513015
Ресивер А40-280
В узле: 1
54
509А-3506193
Трубка от двойного защитного клапана к нижнему заднему воздушному баллону в сборе
В узле: 1
56
403031-П29
Тройник
В узле: 2
58
252136-П2
Шайба
В узле: 2
59
509А-3506194
Трубка от двойного защитного клапана к переднему верхнему воздушному баллону в сборе
В узле: 1
60
509А-3506305
Трубка отбора воздуха от верхнего переднего воздушного баллона задняя в сборе
В узле: 1
61
509А-1602776-01
Трубка отбора воздуха для сцепления в сборе
В узле: 1
62
250640-П29
Гайка
В узле: 2
64
200-3506078-Б
Ниппель угловой
В узле: 2
Содержащиеся в справочниках-каталогах запасные части и детали не предлагаются к продаже, а носят исключительно информационный характер

Ваша заявка была отправлена. В ближайшее время наши специалисты с Вами свяжутся по указанному Вами телефону.

Представьтесь
Поле обязательно для заполнения
Ваш телефон
Введите правильный номер телефона
E-mail
Введите правильный e-mail
Тема
Тема
применяемость финансирование доставка цена, наличие другое сервис и гарантия
Время для звонка
08:00
08:00 09:00 10:00 11:00 12:00 13:00 14:00 15:00 16:00 17:00 18:00 19:00
19:00
08:00 09:00 10:00 11:00 12:00 13:00 14:00 15:00 16:00 17:00 18:00 19:00

Мы постараемся перезвонить в указанное время

Если вы не хотите ждать, то звоните нашим вежливым консультантам:

8 800 100-2-700
Подтвердите, что вы не робот
Подтвердите, что вы не робот
Спасибо!

Ваше сообщение успешно отправлено!

ЗакрытьПовторить попытку