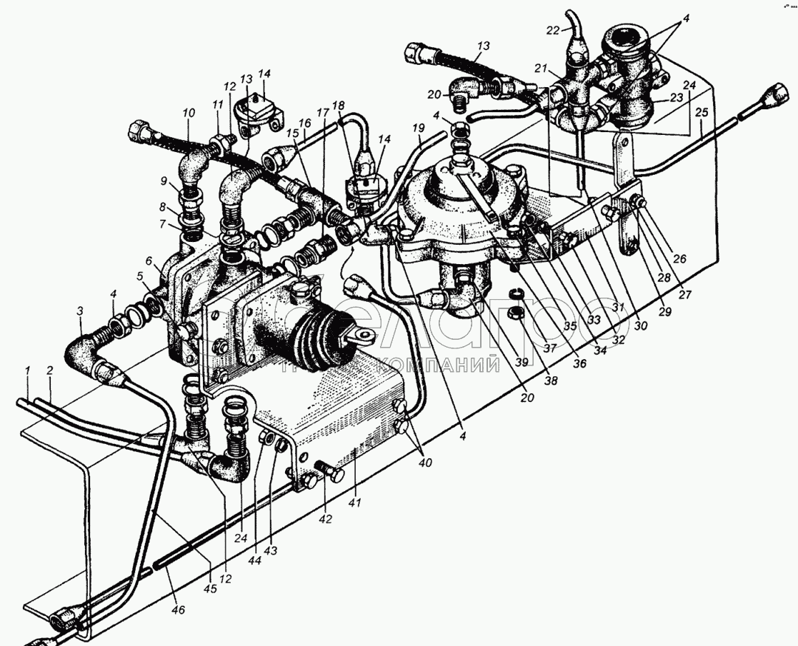
Каталог запасных частей к технике: МАЗ-5549. Трубопроводы к тормозным кранам МАЗ-5335

zoom-in zoom-out enlarge shrink circle-right circle-left file-text2 info cart arraw right arraw left zoom out zoom in arraw maximize arraw minimize
1
2
3
4
4
4
4
5
6
7
8
9
10
11
12
12
13
13
14
14
15
16
17
18
19
20
20
21
22
23
24
24
25
26
27
28
29
30
31
32
33
34
35
36
37
38
39
40
41
42
43
44
45
46
7
020-025-30-2-2
Кольцо
В узле: 19
020-025-30-2-2 Кольцо уплотнительное, Беларусь >10 шт. 21.89 р.
008-011-19-2-2
Кольцо
В узле: 2
008-011-19-2-2 Кольцо уплотнительное, Беларусь Под заказ 10.47 р.
012-016-25-2-2
Кольцо резиновое
В узле: 2
1
5335-3506289
Трубка от тормозного крана к задним тормозным камерам в сборе
В узле: 1
2
5335-3506282
Трубка от тормозного крана к правой тормозной камере в сборе
В узле: 1
20
402741-П29
Угольник
В узле: 2
39
374939-П29
Гайка
В узле: 2
5
378609-П29
Пробка
В узле: 3
6
100-3514008
Кран с рычагом в сборе
В узле: 1
8
376145-П29
Шайба
В узле: 11
9
374935-П29
Гайка переходная
В узле: 1
10
379072-П29
Угольник
В узле: 1
11
401532-П29
Штуцер
В узле: 1
24
402776-П29
Угольник
В узле: 2
13
5549-3506187
Шланг от воздушного баллона к тормозному крану в сборе
В узле: 1
14
СБ131-3720010-А2
Включатель сигнала «Стоп»
В узле: 2
15
403039
Тройник
В узле: 1
16
5335-3506348
Трубка от тормозного крана к тормозному крану прицепа в сборе
В узле: 1
17
404314-П29
Штуцер
В узле: 1
18
402739-П29
Угольник
В узле: 2
19
5335-3506243
Трубка от двойного защитного клапана к тормозному крану в сборе
В узле: 1
21
379772-П29
Крестовина
В узле: 1
22
5335-3506194
Трубка от двойного защитного клапана к воздушному баллону в сборе
В узле: 1
23
100-3515110
Клапан защитный двойной в сборе
В узле: 1
25
5335-3506329
Трубка от тормозного крана прицепа к разобщительному крану передняя в сборе
В узле: 2
26
500А-8507156
Ось рычага кронштейна крана прицепа
В узле: 1
27
250513-П29
Гайка
В узле: 1
43
252136-П2
Шайба
В узле: 8
29
504В-3508080-И
Рычаг кронштейна крана прицепа
В узле: 1
30
5335-3506352
Трубка от двойного защитного клапана к тормозному крану прицепа
В узле: 1
31
5336-3508077
Кронштейн крепления клапана управления прицепа с рычагом в сборе
В узле: 1
42
201499-П29
Болт
В узле: 6
37
252134-П2
Шайба
В узле: 2
44
250512-П29
Гайка
В узле: 8
36
100-3522110-10
Клапан управления тормозами прицепа с однопроводным приводом
В узле: 1
40
200315-П29
Болт
В узле: 2
41
504В-3514150-И
Кронштейн крепления тормозного крана
В узле: 1
45
5335-3506283
Соединитель
В узле: 1
46
5335-1602766
Воздухопровод в сборе
В узле: 1
Содержащиеся в справочниках-каталогах запасные части и детали не предлагаются к продаже, а носят исключительно информационный характер

Ваша заявка была отправлена. В ближайшее время наши специалисты с Вами свяжутся по указанному Вами телефону.

Представьтесь
Поле обязательно для заполнения
Ваш телефон
Введите правильный номер телефона
E-mail
Введите правильный e-mail
Тема
Тема
применяемость финансирование доставка цена, наличие другое сервис и гарантия
Время для звонка
08:00
08:00 09:00 10:00 11:00 12:00 13:00 14:00 15:00 16:00 17:00 18:00 19:00
19:00
08:00 09:00 10:00 11:00 12:00 13:00 14:00 15:00 16:00 17:00 18:00 19:00

Мы постараемся перезвонить в указанное время

Если вы не хотите ждать, то звоните нашим вежливым консультантам:

8 800 100-2-700
Подтвердите, что вы не робот
Подтвердите, что вы не робот
Спасибо!

Ваше сообщение успешно отправлено!

ЗакрытьПовторить попытку