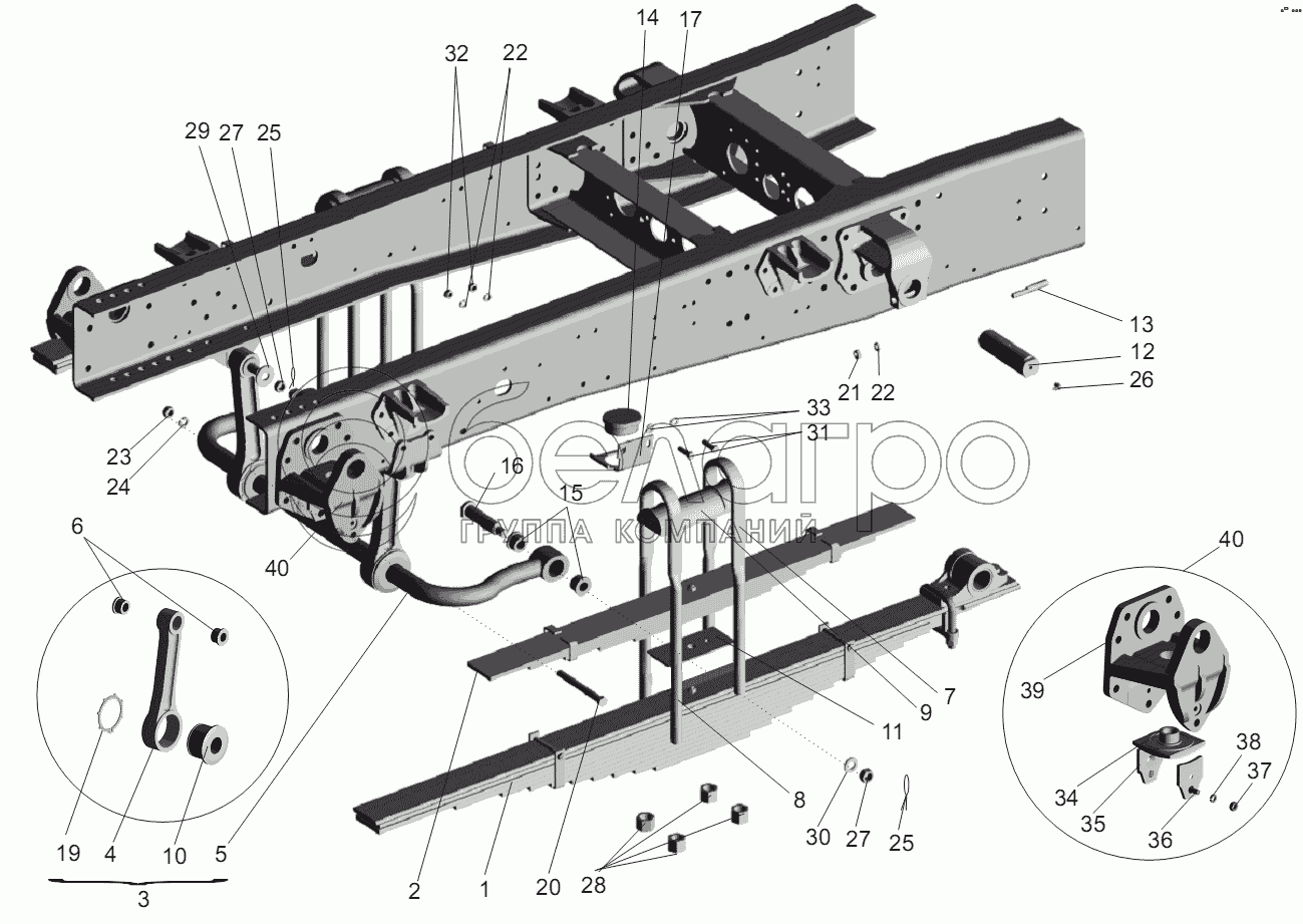
Каталог запасных частей к технике: МАЗ-555102, 5551А2. Подвеска задняя 5551-2900002-10

zoom-in zoom-out enlarge shrink circle-right circle-left file-text2 info cart arraw right arraw left zoom out zoom in arraw maximize arraw minimize
1
2
3
4
5
6
7
8
9
10
11
12
13
14
15
16
17
19
20
21
22
22
23
24
25
25
26
27
27
28
29
30
31
32
33
34
35
36
37
38
39
40
40
500А-2912430
Комплект подкладных листов
В узле: 4
1
509-2912012-13
Рессора задняя
В узле: 2
2
500А-2913012-01
Рессора дополнительная
В узле: 2
3
5551-2916006
Вал стабилизатора с рычагами
В узле: 1
4
64221-2906022
Рычаг
В узле: 2
5
54321-2916016
Вал стабилизатора
В узле: 1
6
64221-2906028
Втулка
В узле: 4
7
5434-2912408
Стремянка
В узле: 2
8
5551-2912408
Стремянка рессоры
В узле: 2
9
5206-2912412
Накладка задней рессоры
В узле: 2
10
54321-2916030
Втулка
В узле: 2
11
5336-2912418
Лист подкладной
В узле: 2
12
500А-2912478
Палец
В узле: 2
13
500А-2912482
Клин пальца ушка задней рессоры
В узле: 2
14
5336-2912622-10
Буфер задней рессоры
В узле: 2
15
54321-2916028
Втулка
В узле: 4
16
54321-2916034
Палец
В узле: 2
17
5336-2912626-10
Кронштейн буфера
В узле: 2
19
54321-2916032
Кольцо стопорное
В узле: 2
20
200880
Болт М16-6gх160
В узле: 2
21
250514
Гайка М12-6Н
В узле: 2
22
252137
Шайба 12.ОТ
В узле: 6
23
250560
Гайка М16-6Н
В узле: 2
24
252139
Шайба 16.ОТ
В узле: 2
25
258056
Шплинт 4х40
В узле: 4
26
264020
Масленка 1.3.Ц6хр
В узле: 2
27
374910
Гайка М20х1,5-5Н6Н
В узле: 2
28
375059
Гайка М27х2-5Н6Н
В узле: 8
29
252049-10
Шайба 20
В узле: 2
30
252019-10
Шайба 20
В узле: 2
31
201567
Болт М12х1,25-6gх40
В узле: 4
32
250515
Гайка М12х1,25-6Н
В узле: 4
33
252007
Шайба 12
В узле: 4
34
504Н-2902449
Вкладыш кронштейна рессоры
В узле: 2
35
500-2912448-Б
Вкладыш боковой
В узле: 4
36
231723
Винт 2М10-6gх30
В узле: 4
37
250512
Гайка М10-6Н
В узле: 4
38
252136
Шайба 10.ОТ
В узле: 4
39
5551-8501291
Кронштейн задний
В узле: 2
40
5551-2912446
Кронштейн задней рессоры задний
В узле: 2
Содержащиеся в справочниках-каталогах запасные части и детали не предлагаются к продаже, а носят исключительно информационный характер

Ваша заявка была отправлена. В ближайшее время наши специалисты с Вами свяжутся по указанному Вами телефону.

Представьтесь
Поле обязательно для заполнения
Ваш телефон
Введите правильный номер телефона
E-mail
Введите правильный e-mail
Тема
Тема
применяемость финансирование доставка цена, наличие другое сервис и гарантия
Время для звонка
08:00
08:00 09:00 10:00 11:00 12:00 13:00 14:00 15:00 16:00 17:00 18:00 19:00
19:00
08:00 09:00 10:00 11:00 12:00 13:00 14:00 15:00 16:00 17:00 18:00 19:00

Мы постараемся перезвонить в указанное время

Если вы не хотите ждать, то звоните нашим вежливым консультантам:

8 800 100-2-700
Подтвердите, что вы не робот
Подтвердите, что вы не робот
Спасибо!

Ваше сообщение успешно отправлено!

ЗакрытьПовторить попытку