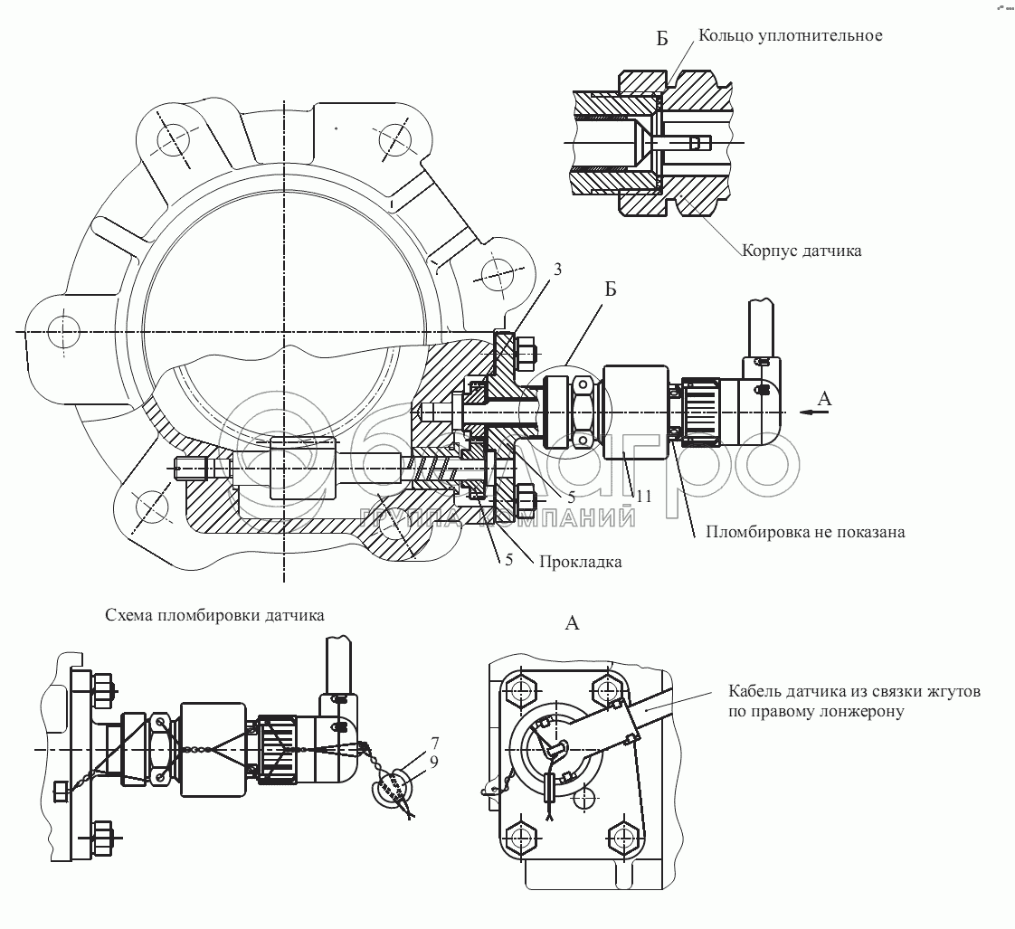
Каталог запасных частей к технике: МАЗ-555102, 5551А2. Установка датчика спидометра 642208-3800006-010

zoom-in zoom-out enlarge shrink circle-right circle-left file-text2 info cart arraw right arraw left zoom out zoom in arraw maximize arraw minimize
3
5
5
7
9
11
1
64221-3802042
Фланец датчика
В узле: 1
3
533702-3802070-010
Валик ведомый привода тахографа
В узле: 1
5
500-3802054-Б
Шестерня привода спидометра (для шин 12.00-20)
В узле: 1
7
5335-3802084
Нить пломбировочная
В узле: 1
9
379432
Пломба 4-12-АД1М-10
В узле: 1
11
4202.3843010
Датчик скорости 4202.3843
В узле: 1
Содержащиеся в справочниках-каталогах запасные части и детали не предлагаются к продаже, а носят исключительно информационный характер

Ваша заявка была отправлена. В ближайшее время наши специалисты с Вами свяжутся по указанному Вами телефону.

Представьтесь
Поле обязательно для заполнения
Ваш телефон
Введите правильный номер телефона
E-mail
Введите правильный e-mail
Тема
Тема
применяемость финансирование доставка цена, наличие другое сервис и гарантия
Время для звонка
08:00
08:00 09:00 10:00 11:00 12:00 13:00 14:00 15:00 16:00 17:00 18:00 19:00
19:00
08:00 09:00 10:00 11:00 12:00 13:00 14:00 15:00 16:00 17:00 18:00 19:00

Мы постараемся перезвонить в указанное время

Если вы не хотите ждать, то звоните нашим вежливым консультантам:

8 800 100-2-700
Подтвердите, что вы не робот
Подтвердите, что вы не робот
Спасибо!

Ваше сообщение успешно отправлено!

ЗакрытьПовторить попытку