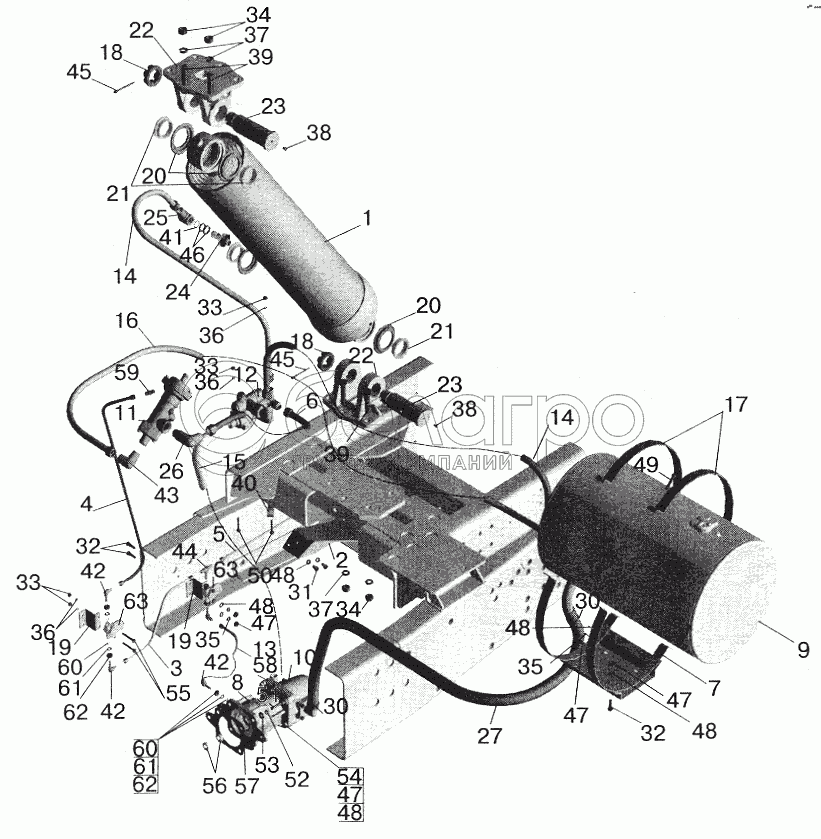
Каталог запасных частей к технике: МАЗ-5551 (2003). Механизма подъема платформы МАЗ-5516

zoom-in zoom-out enlarge shrink circle-right circle-left file-text2 info cart arraw right arraw left zoom out zoom in arraw maximize arraw minimize
1
2
3
4
5
6
7
8
9
10
11
12
13
14
14
15
16
17
18
18
19
19
20
20
21
21
22
22
23
23
24
25
26
27
30
30
31
32
32
33
33
33
34
34
35
35
36
36
36
37
37
38
38
39
39
40
41
42
42
42
43
44
45
45
46
47
47
47
47
48
48
48
48
48
49
50
51
52
53
54
55
56
57
58
59
60
60
61
61
62
62
63
63
5551-8604013
Прокладка
В узле: 2
64228-8604012
Прокладка
В узле: 1
1
55165-8603510
Цилиндр
В узле: 1
2
5516-8607286
Кронштейн
В узле: 1
3
64226-357212-10
Трубка
В узле: 1
4
5516-8609164
Трубка
В узле: 1
5
5516-8609166
Трубка
В узле: 1
6
55165-8609462
Трубка
В узле: 1
7
543403-1109110
Кронштейн
В узле: 1
8
64228-4202010
Коробка отбора мощности
В узле: 1
9
551605-8608010-010
Масляный бак
В узле: 1
10
64228-8604010
Насос НШ-50 с арматурой
В узле: 1
11
551605-8607010
Клапан
В узле: 1
12
5516-8607108
Клапан
В узле: 1
13
5516-8524202
Трубка
В узле: 1
14
5516-8609029
Шланг
В узле: 2
15
54331-8609029
Шланг
В узле: 1
16
5551-8609029-10
Шланг
В узле: 1
17
6422-1109118
Хомут
В узле: 2
18
5335-2402036
Гайка М39х2-5Н6Н
В узле: 2
19
54321-2411054
Кронштейн
В узле: 2
20
941-2909026-10
Уплотнитель
В узле: 4
21
941-2919028-11
Втулка
В узле: 4
22
6303-2919044
Кронштейн
В узле: 2
23
941-2919098
Палец
В узле: 2
24
5516-8609051
Переходник
В узле: 1
25
5516-8609053
Наконечник
В узле: 1
26
55165-8609838
Угольник
В узле: 1
27
551605-8609020
Шланг всасывающий
В узле: 1
30
5516-8609026
Хомутик
В узле: 2
31
201495
Болт М10-6gх20
В узле: 2
32
201499
Болт М10-6gх30
В узле: 8
33
250510
Гайка М8-6Н
В узле: 6
34
250561
Гайка М16х1,5-6Н
В узле: 12
35
252006
Шайба 10
В узле: 8
36
252135
Шайба 8Т
В узле: 6
37
252139
Шайба 16.ОТ
В узле: 12
38
264020
Масленка 1.3.Ц6хр
В узле: 2
39
372608
Болт М16х1,5-6gх70
В узле: 12
40
37966
Кляммер
В узле: 1
41
400349
Кольцо
В узле: 1
42
402717
Угольник
В узле: 4
43
402789
Угольник
В узле: 1
44
403355
Тройник
В узле: 1
45
45 9871 1232
Шплинт 6,3х60
В узле: 2
46
022-028-36-2-3
Кольцо
В узле: 1
47
250512
Гайка М10-6Н
В узле: 16
48
252136
Шайба 10.ОТ
В узле: 18
49
200315
Болт М10-6gх40
В узле: 4
50
200267
Болт М8-6gх45
В узле: 2
51
206601
Болт 3М12х1,25-6gх38
В узле: 6
52
252007
Шайба 12
В узле: 6
53
252137
Шайба 12.ОТ
В узле: 6
54
200315
Болт М10-6gх40
В узле: 4
55
200269
Болт М8-6gх50
В узле: 4
56
1000903
Подшипник
В узле: 2
57
64228-8604012
Прокладка
В узле: 1
58
5551-8604013
Прокладка
В узле: 2
59
379502
Ниппель
В узле: 1
60
008-011-19-2-3
Кольцо
В узле: 6
61
375600
Шайба 10
В узле: 6
62
250513
Гайка М10х1-6Н
В узле: 6
63
КЭМ-07
Клапан электромагнитный
В узле: 2
Содержащиеся в справочниках-каталогах запасные части и детали не предлагаются к продаже, а носят исключительно информационный характер

Ваша заявка была отправлена. В ближайшее время наши специалисты с Вами свяжутся по указанному Вами телефону.

Представьтесь
Поле обязательно для заполнения
Ваш телефон
Введите правильный номер телефона
E-mail
Введите правильный e-mail
Тема
Тема
применяемость финансирование доставка цена, наличие другое сервис и гарантия
Время для звонка
08:00
08:00 09:00 10:00 11:00 12:00 13:00 14:00 15:00 16:00 17:00 18:00 19:00
19:00
08:00 09:00 10:00 11:00 12:00 13:00 14:00 15:00 16:00 17:00 18:00 19:00

Мы постараемся перезвонить в указанное время

Если вы не хотите ждать, то звоните нашим вежливым консультантам:

8 800 100-2-700
Подтвердите, что вы не робот
Подтвердите, что вы не робот
Спасибо!

Ваше сообщение успешно отправлено!

ЗакрытьПовторить попытку