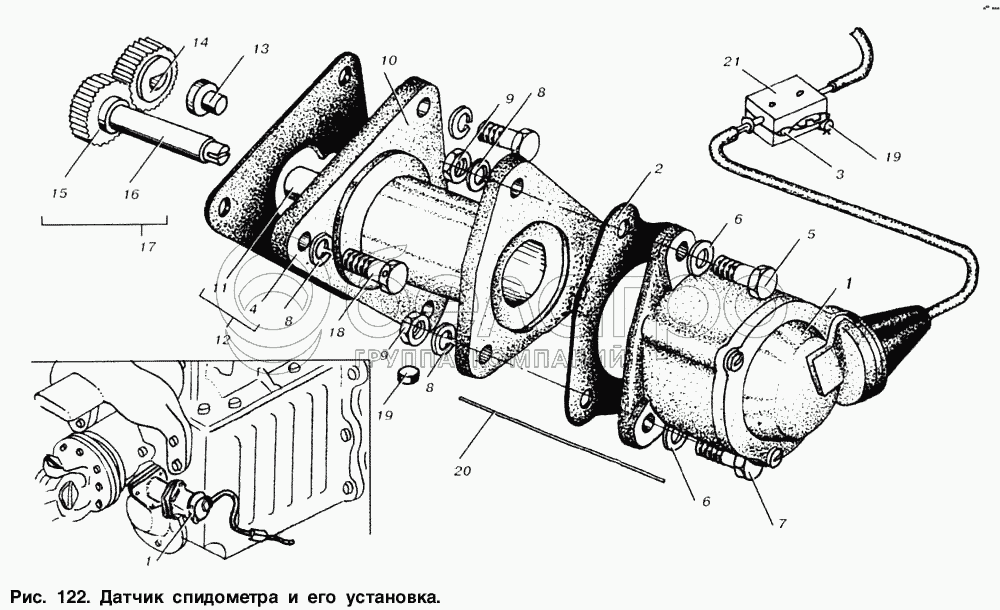
Каталог запасных частей к технике: МАЗ-6303. Датчик спидометра и его установка

zoom-in zoom-out enlarge shrink circle-right circle-left file-text2 info cart arraw right arraw left zoom out zoom in arraw maximize arraw minimize
1
1
2
3
4
5
6
6
7
8
8
8
9
9
10
11
12
13
14
15
16
17
18
19
19
20
21
1
2001.3843010
Датчик спидометра
В узле: 1
2
500-3802063-Б
Прокладка
В узле: 1
3
5335-3802084
Нить пломбировочная
В узле: 1
4
500-3802043-20
Фланец
В узле: 1
5
201458
Болт М8-6gх25
В узле: 2
6
252005
Шайба 8
В узле: 3
7
205421
Болт 2М8х1-6gх28
В узле: 1
8
252135
Шайба 8Т
В узле: 6
9
250511
Гайка М8х1-6Н
В узле: 1
10
236-3802069Б
Прокладка
В узле: 1
11
500-3802073
Втулка
В узле: 1
12
500-3802042-10
Фланец
В узле: 1
13
500-3802074
Штифт упорный
В узле: 1
14
см .таблицу sее tаblе
Шестерня ведущая
В узле: 1
15
см.таблицу sее tаblе
Шестерня ведомая
В узле: 1
16
500-3802071-20
Валик
В узле: 1
17
6422-3802070-10
Валик ведомый в сборе
В узле: 1
18
206500
Болт М8-6gх25
В узле: 1
19
379432
Пломба 4-12-АД1М-10
В узле: 2
20
5335-3802080
Нить пломбировочная
В узле: 1
21
5335-3802075
Коробка
В узле: 1
Содержащиеся в справочниках-каталогах запасные части и детали не предлагаются к продаже, а носят исключительно информационный характер

Ваша заявка была отправлена. В ближайшее время наши специалисты с Вами свяжутся по указанному Вами телефону.

Представьтесь
Поле обязательно для заполнения
Ваш телефон
Введите правильный номер телефона
E-mail
Введите правильный e-mail
Тема
Тема
применяемость финансирование доставка цена, наличие другое сервис и гарантия
Время для звонка
08:00
08:00 09:00 10:00 11:00 12:00 13:00 14:00 15:00 16:00 17:00 18:00 19:00
19:00
08:00 09:00 10:00 11:00 12:00 13:00 14:00 15:00 16:00 17:00 18:00 19:00

Мы постараемся перезвонить в указанное время

Если вы не хотите ждать, то звоните нашим вежливым консультантам:

8 800 100-2-700
Подтвердите, что вы не робот
Подтвердите, что вы не робот
Спасибо!

Ваше сообщение успешно отправлено!

ЗакрытьПовторить попытку