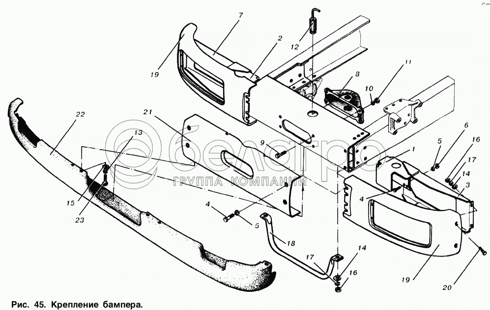
Каталог запасных частей к технике: МАЗ-6303. Крепление бампера

zoom-in zoom-out enlarge shrink circle-right circle-left file-text2 info cart arraw right arraw left zoom out zoom in arraw maximize arraw minimize
1
2
3
4
5
5
6
7
8
9
10
11
12
13
14
14
15
16
16
17
17
18
19
19
20
21
22
23
1
5432-2801089
Кронштейн
В узле: 1
2
5432-2801088
Кронштейн
В узле: 1
3
64221-2803029
Усилитель
В узле: 1
4
201542
Болт М12-6gх35
В узле: 8
5
252137
Шайба 12.ОТ
В узле: 8
6
250514
Гайка М12-6Н
В узле: 8
7
64221-2803028
Усилитель
В узле: 1
8
500А-2806115
Вилка с пружиной
В узле: 1
9
202250
Болт М20х1,5-6gх55
В узле: 4
10
252141
Шайба 20.ОТ
В узле: 4
11
250565
Гайка М20х1,5-6Н
В узле: 4
12
500А-2806117-01
Палец буксирной вилки
В узле: 1
13
252155
Шайба 8Л
В узле: 6
14
252006
Шайба 10
В узле: 6
15
375553
Шайба 8
В узле: 6
16
250512
Гайка М10-6Н
В узле: 12
17
252136
Шайба 10.ОТ
В узле: 10
18
5432-2803022
Подножка
В узле: 1
19
5432-2803010
Бампер
В узле: 2
20
210406
Болт М10-6gх30
В узле: 6
21
5432-2803015
Бампер передний
В узле: 1
22
64221-2803017
Бампер нижний
В узле: 1
23
201458
Болт М8-6gх25
В узле: 6
Содержащиеся в справочниках-каталогах запасные части и детали не предлагаются к продаже, а носят исключительно информационный характер

Ваша заявка была отправлена. В ближайшее время наши специалисты с Вами свяжутся по указанному Вами телефону.

Представьтесь
Поле обязательно для заполнения
Ваш телефон
Введите правильный номер телефона
E-mail
Введите правильный e-mail
Тема
Тема
применяемость финансирование доставка цена, наличие другое сервис и гарантия
Время для звонка
08:00
08:00 09:00 10:00 11:00 12:00 13:00 14:00 15:00 16:00 17:00 18:00 19:00
19:00
08:00 09:00 10:00 11:00 12:00 13:00 14:00 15:00 16:00 17:00 18:00 19:00

Мы постараемся перезвонить в указанное время

Если вы не хотите ждать, то звоните нашим вежливым консультантам:

8 800 100-2-700
Подтвердите, что вы не робот
Подтвердите, что вы не робот
Спасибо!

Ваше сообщение успешно отправлено!

ЗакрытьПовторить попытку