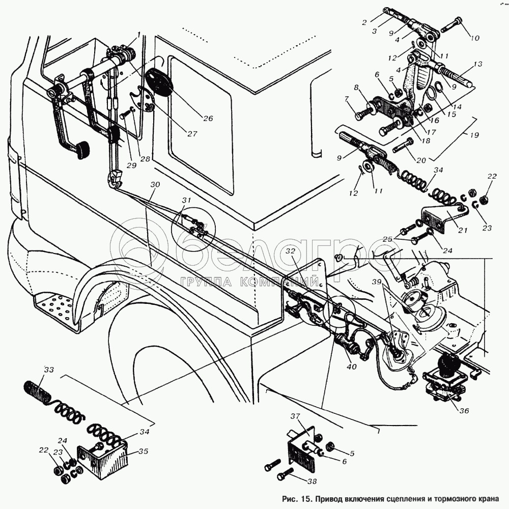
Каталог запасных частей к технике: МАЗ-6303. Привод включения сцепления и тормозного крана

zoom-in zoom-out enlarge shrink circle-right circle-left file-text2 info cart arraw right arraw left zoom out zoom in arraw maximize arraw minimize
1
2
3
4
4
5
5
6
6
7
8
9
9
9
10
11
11
12
12
13
14
15
16
17
18
19
20
21
22
22
23
23
24
24
25
26
27
28
29
30
31
32
33
34
34
35
36
37
38
39
40
5336-3519110
Камера тормозная
В узле: 1
1
64227-1602004
Основание педали в сборе
В узле: 1
2
6422-3504251
Трос
В узле: 1
3
6422-3504252
Наконечник
В узле: 1
4
200-3504055-Б
Вилка штока тормозной камеры
В узле: 3
5
250512
Гайка М10-6Н
В узле: 4
6
251236
Шайба 10ОТ
В узле: 2
7
200315
Болт М10-6gх40
В узле: 2
8
252034
Болт М10-6gх40
В узле: 2
9
250515
Гайка М12х1,25-6Н
В узле: 3
10
260089
Палец 12х40
В узле: 3
11
252007
Шайба 12
В узле: 3
12
258053
Шплинт 4х25
В узле: 3
13
6422-3504057
Тяга вторая
В узле: 2
14
400346
Кольцо Б20
В узле: 1
15
6422-3504039
Прокладка
В узле: 1
16
6422-3504082-10
Рычаг
В узле: 1
17
264020
Масленка 1.3.Ц6хр
В узле: 1
18
6422-3504078-10
Кронштейн
В узле: 1
19
6422-35074077-10
Рычаг с кронштейном в сборе
В узле: 1
20
260091
Палец 12х45
В узле: 3
21
503А-3508167
Кронштейн
В узле: 1
22
250510
Гайка М8-6Н
В узле: 4
23
252135
Шайба 8Т
В узле: 4
24
252005
Шайба 8
В узле: 4
25
201458
Болт М8-6gх25
В узле: 4
26
5536-1602074
Уплотнитель
В узле: 1
27
5336-1602072
Фланец
В узле: 1
28
252134
Шайба 6Т
В узле: 3
29
201420
Болт М6-6gх20
В узле: 3
30
6422-3504250
Трос привода тормозов
В узле: 1
31
6422-1602130
Трос сцепления
В узле: 1
32
5336-3504056
Тяга в сборе
В узле: 1
33
5336-3570192
Кронштейн
В узле: 2
34
500-1602668
Пружина
В узле: 2
35
504-3508167
Кронштейн
В узле: 1
36
100-3514008
Кран с рычагом в сборе
В узле: 1
37
6422-3504056
Тяга вторая
В узле: 1
38
201497
Болт М10-6gх25
В узле: 2
39
18.3519110-01
Камера тормозная
В узле: 1
40
5336-1602738-10
Клапан в сборе
В узле: 1
Содержащиеся в справочниках-каталогах запасные части и детали не предлагаются к продаже, а носят исключительно информационный характер

Ваша заявка была отправлена. В ближайшее время наши специалисты с Вами свяжутся по указанному Вами телефону.

Представьтесь
Поле обязательно для заполнения
Ваш телефон
Введите правильный номер телефона
E-mail
Введите правильный e-mail
Тема
Тема
применяемость финансирование доставка цена, наличие другое сервис и гарантия
Время для звонка
08:00
08:00 09:00 10:00 11:00 12:00 13:00 14:00 15:00 16:00 17:00 18:00 19:00
19:00
08:00 09:00 10:00 11:00 12:00 13:00 14:00 15:00 16:00 17:00 18:00 19:00

Мы постараемся перезвонить в указанное время

Если вы не хотите ждать, то звоните нашим вежливым консультантам:

8 800 100-2-700
Подтвердите, что вы не робот
Подтвердите, что вы не робот
Спасибо!

Ваше сообщение успешно отправлено!

ЗакрытьПовторить попытку