Каталог запасных частей к технике: МАЗ-6303 (2005). Отопитель

zoom-in zoom-out enlarge shrink circle-right circle-left file-text2 info cart arraw right arraw left zoom out zoom in arraw maximize arraw minimize
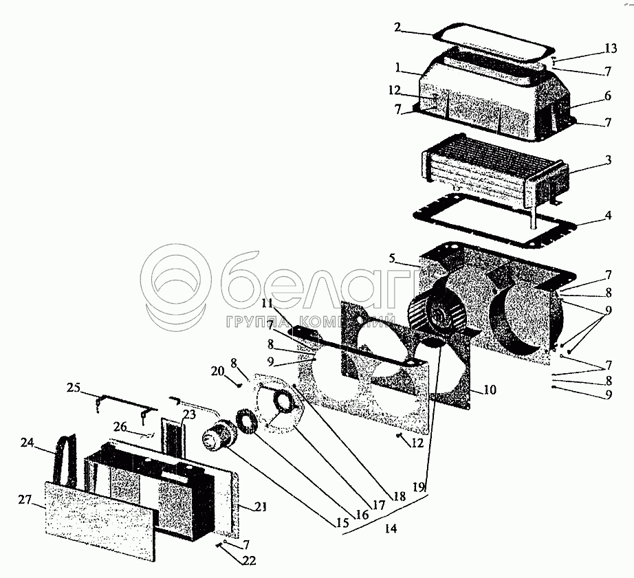
1
2
3
3
4
5
6
7
7
7
7
7
7
7
8
8
8
8
9
9
9
10
11
12
12
13
14
14
15
15
16
17
18
19
20
21
22
23
24
25
26
27
1
64221-8101064-10
Корпус отопителя верхний
В узле: 1
2
5336-8101129
Уплотнитель верхний
В узле: 1
3
504В-8101060-10
Радиатор отопителя
В узле: 1
3
64221-8101060
Радиатор отопителя
В узле: 1
4
64221-8101131-20
Уплотнитель нижний
В узле: 1
5
64221-8101102
Корпус отопителя нижний
В узле: 1
6
201422
Болт М6-6gх25
В узле: 4
7
252004
Шайба 6
В узле: 31
8
252154
Шайба 6Л
В узле: 16
9
250508
Гайка М6-6Н
В узле: 19
10
64221-8101100
Прокладка
В узле: 1
11
64221-8101096
Стенка корпуса отопителя передняя
В узле: 1
12
201418
Болт М6-6gх16
В узле: 7
13
201420
Болт М6-6gх20
В узле: 3
14
64221-8102010-001
Вентилятор отопителя
В узле: 2
14
64221-8102010
Вентилятор отопителя
В узле: 2
15
16.3780000
Электродвигатель
В узле: 2
15
490.3730
Электродвигатель
В узле: 2
16
509П-3716039-А
Прокладка
В узле: 2
17
64221-8102248
Держатель электродвигателя
В узле: 2
18
250464
Гайка М5-6Н
В узле: 4
19
64229-8102014
Ротор вентилятора
В узле: 2
20
201416
Болт М6-6gх12
В узле: 6
21
64221-8101227
Воздухозаборник
В узле: 1
22
220107
Винт М6-6gх20
В узле: 5
23
64221-8102331
Заслонка
В узле: 2
24
64221-8102362
Патрубок рециркуляции
В узле: 1
25
64221-8109157
Тяга
В узле: 1
26
6430-8109159
Пружина
В узле: 1
27
64221-8101110
Фильтр
В узле: 1
Содержащиеся в справочниках-каталогах запасные части и детали не предлагаются к продаже, а носят исключительно информационный характер

Ваша заявка была отправлена. В ближайшее время наши специалисты с Вами свяжутся по указанному Вами телефону.

Представьтесь
Поле обязательно для заполнения
Ваш телефон
Введите правильный номер телефона
E-mail
Введите правильный e-mail
Тема
Тема
применяемость финансирование доставка цена, наличие другое сервис и гарантия
Время для звонка
08:00
08:00 09:00 10:00 11:00 12:00 13:00 14:00 15:00 16:00 17:00 18:00 19:00
19:00
08:00 09:00 10:00 11:00 12:00 13:00 14:00 15:00 16:00 17:00 18:00 19:00

Мы постараемся перезвонить в указанное время

Если вы не хотите ждать, то звоните нашим вежливым консультантам:

8 800 100-2-700
Подтвердите, что вы не робот
Подтвердите, что вы не робот
Спасибо!

Ваше сообщение успешно отправлено!

ЗакрытьПовторить попытку