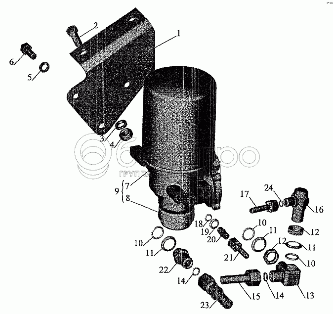
Каталог запасных частей к технике: МАЗ-6303 (2005). Установка осушителя воздуха и присоединительной арматуры

zoom-in zoom-out enlarge shrink circle-right circle-left file-text2 info cart arraw right arraw left zoom out zoom in arraw maximize arraw minimize
1
2
3
4
5
6
7
8
9
10
10
10
11
11
11
12
12
13
14
14
15
16
17
18
19
20
21
22
23
24
1
630306-3536010
Кронштейн
В узле: 1
2
201585
Болт М14-6gх30
В узле: 2
3
252138
Шайба 14.ОТ
В узле: 2
4
250558
Гайка М14-6Н
В узле: 2
5
252137
Шайба 12.ОТ
В узле: 3
6
371777
Болт М12х1,5-6gх30
В узле: 3
7
432.410.020.2
Сменный элемент осушителя
В узле: 1
8
432.407.012.0
Глушитель
В узле: 1
9
432.410.104.0
Осушитель воздуха
В узле: 1
10
020-025-30-2-3
Кольцо
В узле: 3
11
376145
Шайба 22
В узле: 3
12
374939
Гайка М22х1,5-6Н
В узле: 2
13
403116
Тройник
В узле: 1
14
012-016-25-2-3
Кольцо
В узле: 2
15
630305-3506148
Трубка
В узле: 1
16
402741
Угольник
В узле: 1
17
642224-3506130
Трубка к клапану контрольного вывода
В узле: 1
18
010-014-25-2-3
Кольцо
В узле: 1
19
375818
Шайба 12
В узле: 1
20
404391
Штуцер
В узле: 1
21
630305-3506307
Трубка
В узле: 1
22
404314
Штуцер
В узле: 1
23
533602-3506142
Трубка со шлангом к пневмокомпрессору
В узле: 1
24
008-011-19-2-3
Кольцо
В узле: 1
Содержащиеся в справочниках-каталогах запасные части и детали не предлагаются к продаже, а носят исключительно информационный характер

Ваша заявка была отправлена. В ближайшее время наши специалисты с Вами свяжутся по указанному Вами телефону.

Представьтесь
Поле обязательно для заполнения
Ваш телефон
Введите правильный номер телефона
E-mail
Введите правильный e-mail
Тема
Тема
применяемость финансирование доставка цена, наличие другое сервис и гарантия
Время для звонка
08:00
08:00 09:00 10:00 11:00 12:00 13:00 14:00 15:00 16:00 17:00 18:00 19:00
19:00
08:00 09:00 10:00 11:00 12:00 13:00 14:00 15:00 16:00 17:00 18:00 19:00

Мы постараемся перезвонить в указанное время

Если вы не хотите ждать, то звоните нашим вежливым консультантам:

8 800 100-2-700
Подтвердите, что вы не робот
Подтвердите, что вы не робот
Спасибо!

Ваше сообщение успешно отправлено!

ЗакрытьПовторить попытку