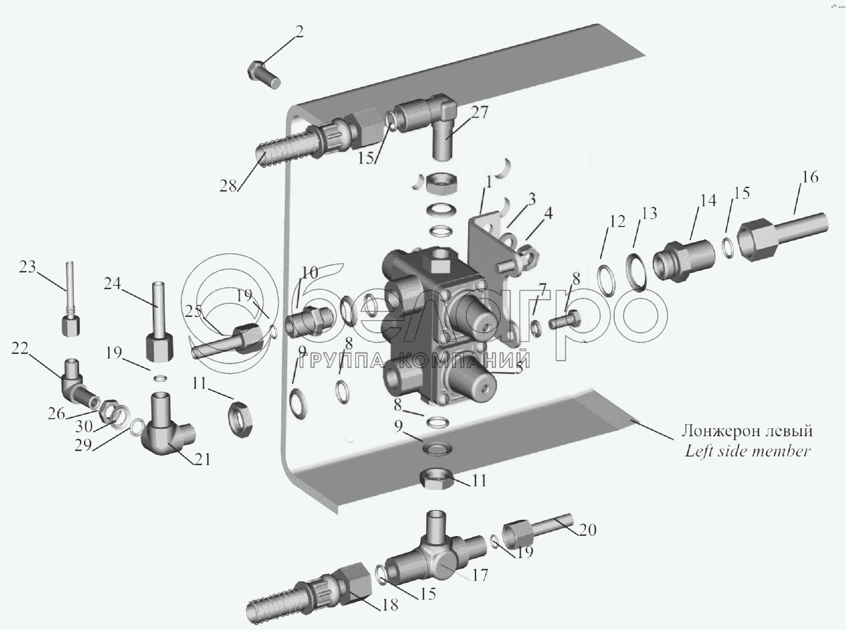
Каталог запасных частей к технике: МАЗ-6303A3, 6303A5. Крепление четырехконтурного клапана 630305-3515002

zoom-in zoom-out enlarge shrink circle-right circle-left file-text2 info cart arraw right arraw left zoom out zoom in arraw maximize arraw minimize
1
2
3
4
5
7
8
8
8
9
9
10
11
11
12
13
14
15
15
15
16
17
18
19
19
19
20
21
22
23
24
25
26
27
28
29
30
1
63035-3515042
Кронштейн
В узле: 1
2
201497
Болт М10-6gх25
В узле: 2
3
252136
Шайба 10.ОТ
В узле: 2
4
250512
Гайка М10-6Н
В узле: 2
5
64221-3515310-10
Клапан защитный четырехконтурный
В узле: 1
6
201456
Болт М8-6gх20
В узле: 2
7
252135
Шайба 8Т
В узле: 2
8
014-018-25-2-3
Кольцо
В узле: 4
9
375960
Шайба 16
В узле: 4
10
404241
Штуцер
В узле: 1
11
250636
Гайка М16х1,5-6Н
В узле: 3
12
020-025-30-2-3
Кольцо
В узле: 1
13
376145
Шайба 22
В узле: 1
14
404314
Штуцер
В узле: 1
15
012-016-25-2-3
Кольцо
В узле: 3
16
630305-3506148
Трубка
В узле: 1
17
403112
Тройник
В узле: 1
18
6430-3506085
Шланг к правой тормозной камере
В узле: 1
19
008-011-19-2-3
Кольцо
В узле: 3
20
630305-3506154
Трубка
В узле: 1
21
402969
Угольник
В узле: 1
22
402737
Угольник
В узле: 1
23
630305-3506319
Трубка
В узле: 1
24
630305-3506146
Трубка
В узле: 1
25
630333-3506183
Трубка
В узле: 1
26
374614
Гайка М12х1,5-5Н6Н
В узле: 1
27
402697
Угольник
В узле: 1
28
5336-3506085-01
Шланг к передним тормозным камерам
В узле: 1
29
010-014-25-2-3
Кольцо
В узле: 1
30
375818
Шайба 12
В узле: 1
Содержащиеся в справочниках-каталогах запасные части и детали не предлагаются к продаже, а носят исключительно информационный характер

Ваша заявка была отправлена. В ближайшее время наши специалисты с Вами свяжутся по указанному Вами телефону.

Представьтесь
Поле обязательно для заполнения
Ваш телефон
Введите правильный номер телефона
E-mail
Введите правильный e-mail
Тема
Тема
применяемость финансирование доставка цена, наличие другое сервис и гарантия
Время для звонка
08:00
08:00 09:00 10:00 11:00 12:00 13:00 14:00 15:00 16:00 17:00 18:00 19:00
19:00
08:00 09:00 10:00 11:00 12:00 13:00 14:00 15:00 16:00 17:00 18:00 19:00

Мы постараемся перезвонить в указанное время

Если вы не хотите ждать, то звоните нашим вежливым консультантам:

8 800 100-2-700
Подтвердите, что вы не робот
Подтвердите, что вы не робот
Спасибо!

Ваше сообщение успешно отправлено!

ЗакрытьПовторить попытку