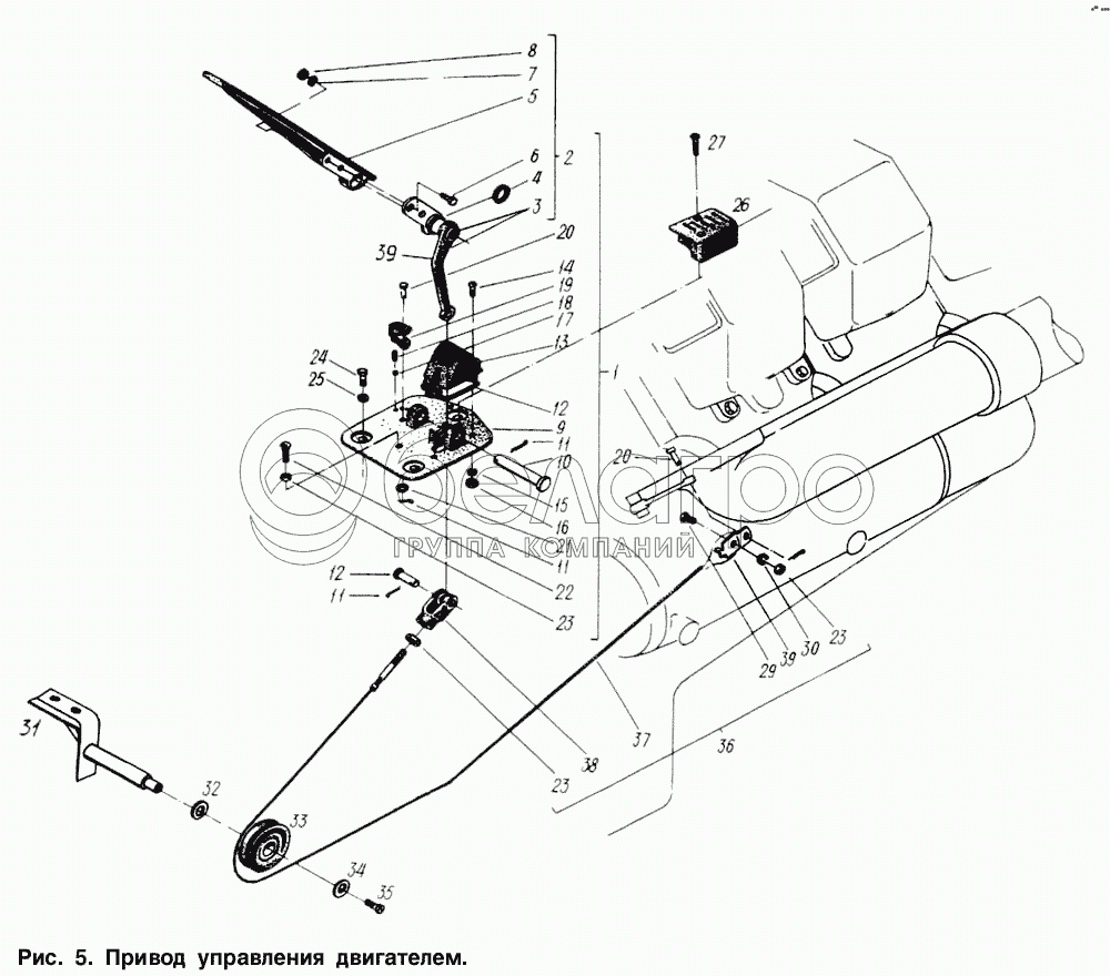
Каталог запасных частей к технике: МАЗ-6317. Привод управления двигателем

zoom-in zoom-out enlarge shrink circle-right circle-left file-text2 info cart arraw right arraw left zoom out zoom in arraw maximize arraw minimize
1
2
3
4
5
6
7
8
9
10
11
11
11
12
12
13
14
15
16
17
18
19
20
20
21
22
23
23
23
24
25
26
27
28
29
30
31
32
33
34
35
36
37
38
39
1
64221-1108005-10
Педаль с кронштейном в сборе
В узле: 1
2
64221-1108008-10
Педаль с втулкой и рычагом
В узле: 1
3
64221-1108056-10
Втулка с пластиной и рычагом
В узле: 1
4
5336-1108161
Кольцо
В узле: 1
5
64221-1108014
Педаль
В узле: 1
6
201422
Болт М6-6gх25
В узле: 2
7
252154
Шайба 6Л
В узле: 2
8
250508
Гайка М6-6Н
В узле: 2
9
64221-1108025
Кронштейн педали
В узле: 1
10
377931
Палец 10х75
В узле: 1
11
255039
Шплинт 3,2х20
В узле: 2
12
5336-1108059
Прокладка
В узле: 1
13
5336-1108058
Крышка
В узле: 1
14
220080
Винт М5-6gх16
В узле: 2
15
252133
Шайба 5Т
В узле: 2
16
250464
Гайка М5-6Н
В узле: 2
17
377931
Палец 10х75
В узле: 1
18
220-8604028
Пружина
В узле: 1
19
64221-1109432
Защелка
В узле: 1
20
260033
Палец
В узле: 1
21
252005
Шайба 8
В узле: 1
22
210381
Болт М8-6gх22
В узле: 1
23
250510
Гайка М8-6Н
В узле: 1
24
201420
Болт М6-6gх20
В узле: 3
25
252154
Шайба 6Л
В узле: 3
26
64221-1108029
Подставка
В узле: 1
27
231617
Винт 2М6-6gх45
В узле: 2
28
64221-1108210
Рычаг
В узле: 1
29
201456
Болт М8-6gх20
В узле: 2
30
252155
Шайба 8Л
В узле: 2
31
6317-1108122
Кронштейн
В узле: 1
32
252006
Шайба 10
В узле: 3
33
500-3925014
Ролик
В узле: 2
34
252038
Шайба 8
В узле: 2
35
231604
Винт 2М6-6gх14
В узле: 1
36
64221-1108580
Гибкий привод
В узле: 1
37
64221-1108596
Трос с наконечником
В узле: 1
38
204-1310112-Б
Вилка
В узле: 1
39
1336-1108588
Пластина
В узле: 1
Содержащиеся в справочниках-каталогах запасные части и детали не предлагаются к продаже, а носят исключительно информационный характер

Ваша заявка была отправлена. В ближайшее время наши специалисты с Вами свяжутся по указанному Вами телефону.

Представьтесь
Поле обязательно для заполнения
Ваш телефон
Введите правильный номер телефона
E-mail
Введите правильный e-mail
Тема
Тема
применяемость финансирование доставка цена, наличие другое сервис и гарантия
Время для звонка
08:00
08:00 09:00 10:00 11:00 12:00 13:00 14:00 15:00 16:00 17:00 18:00 19:00
19:00
08:00 09:00 10:00 11:00 12:00 13:00 14:00 15:00 16:00 17:00 18:00 19:00

Мы постараемся перезвонить в указанное время

Если вы не хотите ждать, то звоните нашим вежливым консультантам:

8 800 100-2-700
Подтвердите, что вы не робот
Подтвердите, что вы не робот
Спасибо!

Ваше сообщение успешно отправлено!

ЗакрытьПовторить попытку