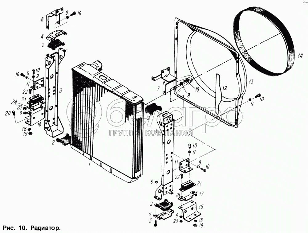
Каталог запасных частей к технике: МАЗ-6317. Радиатор

zoom-in zoom-out enlarge shrink circle-right circle-left file-text2 info cart arraw right arraw left zoom out zoom in arraw maximize arraw minimize
1
2
2
2
2
3
3
4
4
5
6
7
8
9
9
9
9
9
9
9
9
9
10
10
10
10
10
10
10
11
11
12
13
13
14
15
16
17
18
18
19
19
20
21
21
22
22
23
23
24
24
1
64221-1301015
Остов с бачками
В узле: 1
2
54321-1301103
Прокладка
В узле: 4
3
64221-1301126
Пластина
В узле: 2
4
64221-1301144
Кронштейн
В узле: 2
5
201422
Болт М6-6gх25
В узле: 8
6
250508
Гайка М6-6Н
В узле: 8
7
64221-1311081
Опора бачка левая
В узле: 1
8
64221-1311080
Опора бачка правая
В узле: 1
9
252135
Шайба 8Т
В узле: 23
10
201454
Болт М8-6gх16
В узле: 23
11
64221-1302118
Кронштейн опоры радиатора
В узле: 2
12
64221-1309043
Щиток
В узле: 1
13
64221-1309011
Кожух
В узле: 1
13
64221-1309011-10
Кожух
В узле: 1
14
64221-1309016
Уплотнитель
В узле: 1
15
64221-1302147
Кронштейн левый
В узле: 1
16
64221-1302146
Кронштейн правый
В узле: 1
17
201593
Болт М14-6gх50
В узле: 2
18
252138
Шайба 14.ОТ
В узле: 4
19
250558
Гайка М14-6Н
В узле: 4
20
201587
Болт М14-6gх35
В узле: 2
21
64221-1302060
Подушка
В узле: 2
22
201458
Болт М8-6gх25
В узле: 4
23
250510
Гайка М8-6Н
В узле: 4
24
6317-1302063
Прокладка
В узле: 2
Содержащиеся в справочниках-каталогах запасные части и детали не предлагаются к продаже, а носят исключительно информационный характер

Ваша заявка была отправлена. В ближайшее время наши специалисты с Вами свяжутся по указанному Вами телефону.

Представьтесь
Поле обязательно для заполнения
Ваш телефон
Введите правильный номер телефона
E-mail
Введите правильный e-mail
Тема
Тема
применяемость финансирование доставка цена, наличие другое сервис и гарантия
Время для звонка
08:00
08:00 09:00 10:00 11:00 12:00 13:00 14:00 15:00 16:00 17:00 18:00 19:00
19:00
08:00 09:00 10:00 11:00 12:00 13:00 14:00 15:00 16:00 17:00 18:00 19:00

Мы постараемся перезвонить в указанное время

Если вы не хотите ждать, то звоните нашим вежливым консультантам:

8 800 100-2-700
Подтвердите, что вы не робот
Подтвердите, что вы не робот
Спасибо!

Ваше сообщение успешно отправлено!

ЗакрытьПовторить попытку