Каталог запасных частей к технике: МАЗ-6317. Рулевое управление. Насос

zoom-in zoom-out enlarge shrink circle-right circle-left file-text2 info cart arraw right arraw left zoom out zoom in arraw maximize arraw minimize
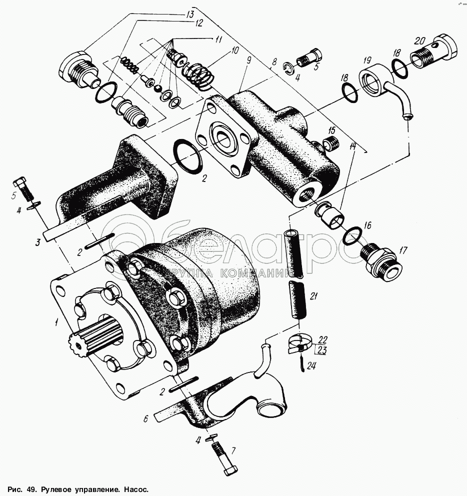
1
2
2
2
3
4
4
4
5
5
6
7
8
9
10
11
12
13
14
15
16
17
18
18
19
20
21
22
23
24
1
64229-3407310
Насос в сборе
В узле: 1
2
028-033-30-2-3
Кольцо
В узле: 3
3
64221-3407263
Фланец
В узле: 1
4
252135
Шайба 8Т
В узле: 10
5
201456
Болт М8-6gх20
В узле: 8
6
64221-3407220
Фланец
В узле: 1
7
201464
Болт М8-6gх40
В узле: 2
8
5336-3407260
Клапан
В узле: 1
9
5336-3407262
Корпус
В узле: 1
10
543-1713042
Пружина
В узле: 1
11
53212-3407270
Клапан
В узле: 1
12
021-025-25-2-3
Кольцо
В узле: 1
13
5336-3407264
Пробка
В узле: 1
14
5336-3407266
Жиклер
В узле: 1
15
252531
Пробка 1/8"
В узле: 1
16
013-017-25-2-3
Кольцо уплотнительное
В узле: 1
17
404277
Штуцер
В узле: 1
18
018-022-25-2-3
Кольцо
В узле: 2
19
64221-3407224
Трубка
В узле: 1
20
503-3405188-10
Болт
В узле: 1
21
5336-1304038
Шланг
В узле: 1
22
297582
Лента
В узле: 2
23
297580
Пряжка
В узле: 2
24
297575
Шплинт 5,6х22
В узле: 2
Содержащиеся в справочниках-каталогах запасные части и детали не предлагаются к продаже, а носят исключительно информационный характер

Ваша заявка была отправлена. В ближайшее время наши специалисты с Вами свяжутся по указанному Вами телефону.

Представьтесь
Поле обязательно для заполнения
Ваш телефон
Введите правильный номер телефона
E-mail
Введите правильный e-mail
Тема
Тема
применяемость финансирование доставка цена, наличие другое сервис и гарантия
Время для звонка
08:00
08:00 09:00 10:00 11:00 12:00 13:00 14:00 15:00 16:00 17:00 18:00 19:00
19:00
08:00 09:00 10:00 11:00 12:00 13:00 14:00 15:00 16:00 17:00 18:00 19:00

Мы постараемся перезвонить в указанное время

Если вы не хотите ждать, то звоните нашим вежливым консультантам:

8 800 100-2-700
Подтвердите, что вы не робот
Подтвердите, что вы не робот
Спасибо!

Ваше сообщение успешно отправлено!

ЗакрытьПовторить попытку