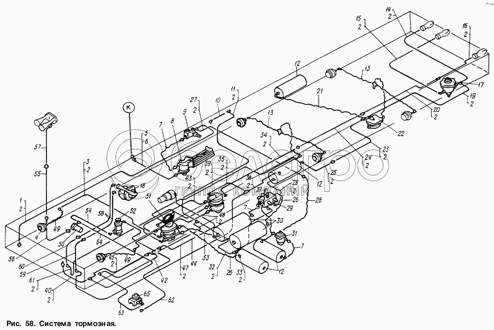
Каталог запасных частей к технике: МАЗ-6317. Система тормозная

zoom-in zoom-out enlarge shrink circle-right circle-left file-text2 info cart arraw right arraw left zoom out zoom in arraw maximize arraw minimize
1
2
2
2
2
2
2
2
2
2
2
2
2
2
2
2
2
2
2
2
2
2
2
2
2
2
3
4
5
6
7
7
7
8
9
10
11
12
12
12
13
13
14
15
16
17
18
19
20
21
22
23
24
25
26
26
26
27
28
29
30
31
32
33
34
35
36
37
38
39
40
41
42
43
44
45
46
47
48
49
49
50
51
52
53
54
55
56
57
58
59
60
61
62
63
64
65
1
642207-3506130
Трубка
В узле: 1
2
008-011-19-2-3
Кольцо
В узле: 52
3
6317-3506282
Трубка
В узле: 1
4
100-3519210-01
Тормозная камера
В узле: 6
5
6317-3506178
Трубка
В узле: 1
6
012-016-25-2-3
Кольцо
В узле: 4
7
533601-3506187-01
Шланг
В узле: 3
8
11.3511010
Влагоотделитель в сборе
В узле: 1
9
100-3512010
Регулятор давления в сборе
В узле: 1
10
6317-3506348
Трубка
В узле: 1
11
6317-3506305
Трубка
В узле: 1
12
5336-3513015
Ресивер
В узле: 4
13
533601-3506098
Шланги с соединителем
В узле: 2
14
6317-3506337
Трубка
В узле: 1
15
6317-3506229
Трубка
В узле: 1
16
6317-3506336
Трубка
В узле: 1
17
100-3522110
Кран прицепа
В узле: 1
18
961.702.0050
Кран моторного тормоза
В узле: 1
19
6317-3506185
Трубка
В узле: 1
20
6317-3506136
Трубка
В узле: 1
21
554901-3506187-03
Шланг
В узле: 1
22
11-3518010
Клапан ускорительный
В узле: 1
23
6317-3506258
Трубка
В узле: 1
24
6317-3506154
Трубка
В узле: 1
25
6317-3506307
Трубка
В узле: 1
26
533601-3506085-01
Шланг
В узле: 1
27
6317-3506142
Трубка
В узле: 1
28
6317-3506158
Трубка
В узле: 1
29
934.702.120.0
Клапан четырехконтурный
В узле: 1
30
6303-3513015-10
Ресивер
В узле: 2
31
100-3536010
Предохранитель против замерзания
В узле: 1
32
6317-3506146
Трубка
В узле: 1
33
6317-3506112
Трубка
В узле: 1
34
6317-3506352
Трубка
В узле: 1
35
6317-3506134
Трубка
В узле: 1
36
943.002.521.0
Клапан управления прицепом
В узле: 1
37
554901-3506187-02
Шланг
В узле: 1
38
6317-3506280
Трубка
В узле: 1
39
6317-3506282
Трубка
В узле: 1
40
6317-3506345
Трубка
В узле: 1
41
6317-3506132
Трубка
В узле: 1
42
5551-3506139
Трубка
В узле: 1
43
6317-3506183
Трубка
В узле: 1
44
533601-3570230
Трубка
В узле: 1
45
6317-3506248
Трубка
В узле: 1
46
6317-3506283
Трубка
В узле: 1
47
6317-3506184
Трубка
В узле: 1
48
6317-3506148
Трубка
В узле: 1
49
642201-3506060
Шланг
В узле: 2
50
16.3741000
Клапан пневматический
В узле: 1
51
100-3514008
Кран с рычагом в сборе
В узле: 1
52
100-3531110
Кран
В узле: 1
53
642201-3506085-01
Шланг
В узле: 2
54
64221-3437212-10
Трубка
В узле: 1
55
5336-3506316
Трубка
В узле: 1
56
64227-3506316
Трубка
В узле: 1
57
5336-3506363
Трубка
В узле: 1
58
64221-3537020-20
Трубка
В узле: 1
59
64221-3537028
Трубка
В узле: 1
60
64221-3537026
Трубка
В узле: 1
61
6317-3506180
Трубка
В узле: 1
62
64221-3570240-10
Трубка
В узле: 1
63
64221-3570220-10
Трубка
В узле: 1
64
64227-3506319
Трубка
В узле: 1
65
100-3562010
Клапан двухмагистральный
В узле: 1
Содержащиеся в справочниках-каталогах запасные части и детали не предлагаются к продаже, а носят исключительно информационный характер

Ваша заявка была отправлена. В ближайшее время наши специалисты с Вами свяжутся по указанному Вами телефону.

Представьтесь
Поле обязательно для заполнения
Ваш телефон
Введите правильный номер телефона
E-mail
Введите правильный e-mail
Тема
Тема
применяемость финансирование доставка цена, наличие другое сервис и гарантия
Время для звонка
08:00
08:00 09:00 10:00 11:00 12:00 13:00 14:00 15:00 16:00 17:00 18:00 19:00
19:00
08:00 09:00 10:00 11:00 12:00 13:00 14:00 15:00 16:00 17:00 18:00 19:00

Мы постараемся перезвонить в указанное время

Если вы не хотите ждать, то звоните нашим вежливым консультантам:

8 800 100-2-700
Подтвердите, что вы не робот
Подтвердите, что вы не робот
Спасибо!

Ваше сообщение успешно отправлено!

ЗакрытьПовторить попытку