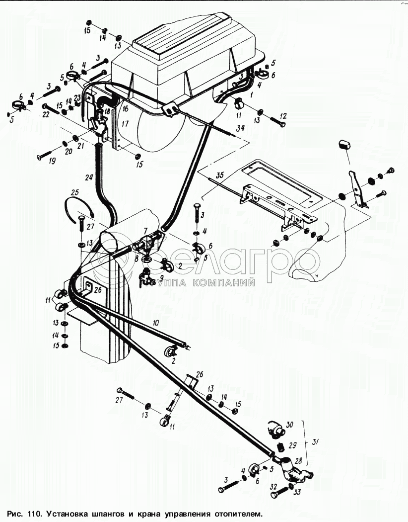
Каталог запасных частей к технике: МАЗ-6317. Установка шлангов и крана управления отопителем

zoom-in zoom-out enlarge shrink circle-right circle-left file-text2 info cart arraw right arraw left zoom out zoom in arraw maximize arraw minimize
1
2
2
3
3
3
3
3
4
4
4
4
4
5
5
5
5
5
6
6
6
6
6
7
8
9
10
11
11
11
12
13
13
13
13
13
13
14
14
14
14
15
15
15
15
15
16
17
18
19
20
21
22
23
24
25
26
26
27
27
28
29
30
31
32
33
34
35
1
64221 ХЛ-8101039
Шланг отводящий передний
В узле: 1
2
500-1303160
Хомут
В узле: 8
3
201424
Болт М6-6gх30
В узле: 8
4
252004
Шайба 6
В узле: 8
5
374179
Гайка М6-6Н
В узле: 8
6
500-1303161
Хомутик
В узле: 8
7
401418
Тройник
В узле: 1
8
250640
Гайка М20х1,5
В узле: 1
9
ПС-7
Кран ОСТ 37.001.240-81
В узле: 1
10
64221 ХЛ-8101038
Шланг отводящий задний
В узле: 1
11
379665
Кпяммер
В узле: 4
12
201422
Болт М6-6gх25
В узле: 1
13
252004
Шайба 6
В узле: 5
14
252154
Шайба 6Л
В узле: 3
15
250508
Гайка М6-6Н
В узле: 6
16
64221-8101036
Шланг подводящий передний
В узле: 1
17
64221-8101191
Кронштейн
В узле: 1
18
64221-8101150
Кран управления отопителем
В узле: 1
19
220077
Винт М5-6gх10
В узле: 3
20
252133
Шайба 5Т
В узле: 2
21
252003
Шайба 5
В узле: 2
22
220107
Винт М6-6gх20
В узле: 3
23
64221-8109044
Прижим
В узле: 1
24
64221-8101037
Шланг подводящий задний
В узле: 1
25
64221-3724628
Хомут
В узле: 4
26
64221-8101046
Кронштейн
В узле: 2
27
201418
Болт М6-6gх16
В узле: 2
28
64221-8101338
Фланец
В узле: 1
29
64221-8101374
Клапан
В узле: 1
30
64221-8101364
Угольник
В узле: 1
31
64221-8101330
Распределитель
В узле: 1
32
201458
Болт М8-6gх25
В узле: 2
33
252135
Шайба 8Т
В узле: 3
34
64221-8109133
Тяга нижняя
В узле: 1
35
64221-8109144
Оболочка нижняя
В узле: 1
36
64221-8109036
Рычаг
В узле: 1
37
220077
Винт М5-6gх10
В узле: 3
38
64221-8109026
Ось
В узле: 1
39
5336-8109032
Шайба
В узле: 2
40
250510
Гайка М8-6Н
В узле: 2
41
252155
Шайба 8Л
В узле: 2
42
252156
Шайба 10Л
В узле: 1
Содержащиеся в справочниках-каталогах запасные части и детали не предлагаются к продаже, а носят исключительно информационный характер

Ваша заявка была отправлена. В ближайшее время наши специалисты с Вами свяжутся по указанному Вами телефону.

Представьтесь
Поле обязательно для заполнения
Ваш телефон
Введите правильный номер телефона
E-mail
Введите правильный e-mail
Тема
Тема
применяемость финансирование доставка цена, наличие другое сервис и гарантия
Время для звонка
08:00
08:00 09:00 10:00 11:00 12:00 13:00 14:00 15:00 16:00 17:00 18:00 19:00
19:00
08:00 09:00 10:00 11:00 12:00 13:00 14:00 15:00 16:00 17:00 18:00 19:00

Мы постараемся перезвонить в указанное время

Если вы не хотите ждать, то звоните нашим вежливым консультантам:

8 800 100-2-700
Подтвердите, что вы не робот
Подтвердите, что вы не робот
Спасибо!

Ваше сообщение успешно отправлено!

ЗакрытьПовторить попытку