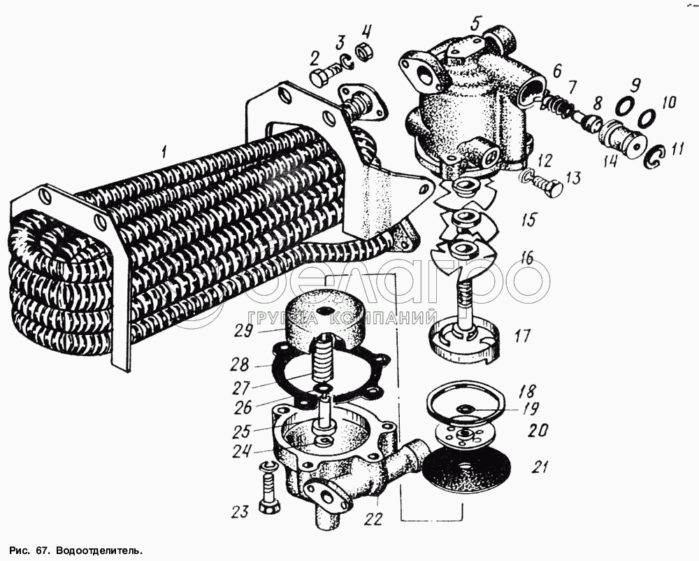
Каталог запасных частей к технике: МАЗ-6317. Водоотделитель

zoom-in zoom-out enlarge shrink circle-right circle-left file-text2 info cart arraw right arraw left zoom out zoom in arraw maximize arraw minimize
1
2
3
4
5
6
7
8
9
10
11
12
13
14
15
16
17
18
19
20
21
22
23
24
25
26
27
28
29
3
Шайба 10
Шайба 10
В узле: 6
Шайба 10 ОТ (ОСТ 37.001.115-75) (916 011), МТЗ Под заказ 3.89 р.
1
11.3511050
Охладитель
В узле: 1
2
БолтМ10х1,25-6gх20
БолтМ10х1,25-6gх20
В узле: 6
4
Гайка М10х1,25
Гайка М10х1,25
В узле: 6
5
11.3511025
Корпус
В узле: 1
6
11.3511086
Тарелка пружины
В узле: 1
7
11.3511062
Пружина клапана
В узле: 1
8
11.3511082
Клапан в сборе
В узле: 1
9
11.3511065
Кольцо уплотнительное
В узле: 1
10
11.3511066
Кольцо уплотнительное
В узле: 1
11
11.3511089
Кольцо А-22
В узле: 1
12
252135
Шайба 8Т
В узле: 5
13
201241
Болт
В узле: 3
14
11.3511088
Поршень
В узле: 1
15
11.3511092
Диск направляющий
В узле: 2
16
11.3511093
Диск направляющий нижний
В узле: 1
17
11.3511091
Винт
В узле: 1
18
11.3511042
Кольцо упорное
В узле: 1
19
11.3511095
Шайба
В узле: 1
20
11.3511098
Мембрана
В узле: 1
21
11.3511096
Мембрана
В узле: 1
22
11.3511070
Крышка
В узле: 1
23
201253
Болт
В узле: 3
24
11.3511036
Диск уплотняющий
В узле: 1
25
11.3511034
Золотник
В узле: 1
26
11.3511078
Кольцо уплотнительное
В узле: 1
27
11.3511064
Пружина золотника
В узле: 1
28
11.3511075
Уплотнитель
В узле: 1
29
11.3511094
Поршень
В узле: 1
Содержащиеся в справочниках-каталогах запасные части и детали не предлагаются к продаже, а носят исключительно информационный характер

Ваша заявка была отправлена. В ближайшее время наши специалисты с Вами свяжутся по указанному Вами телефону.

Представьтесь
Поле обязательно для заполнения
Ваш телефон
Введите правильный номер телефона
E-mail
Введите правильный e-mail
Тема
Тема
применяемость финансирование доставка цена, наличие другое сервис и гарантия
Время для звонка
08:00
08:00 09:00 10:00 11:00 12:00 13:00 14:00 15:00 16:00 17:00 18:00 19:00
19:00
08:00 09:00 10:00 11:00 12:00 13:00 14:00 15:00 16:00 17:00 18:00 19:00

Мы постараемся перезвонить в указанное время

Если вы не хотите ждать, то звоните нашим вежливым консультантам:

8 800 100-2-700
Подтвердите, что вы не робот
Подтвердите, что вы не робот
Спасибо!

Ваше сообщение успешно отправлено!

ЗакрытьПовторить попытку