Каталог запасных частей к технике: МАЗ-64221. Камера тормозная

zoom-in zoom-out enlarge shrink circle-right circle-left file-text2 info cart arraw right arraw left zoom out zoom in arraw maximize arraw minimize
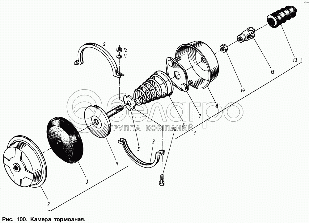
1
2
3
4
5
6
7
8
9
9
10
11
12
13
14
15
3
100-3519250
Мембрана
В узле: 1
100-3519250 Диафрагма, тип 24 (Волгопромтранс) <10 шт. 504.04 р.
1
100-3519210
Камера тормозная передняя
В узле: 2
2
100-3519240
Крышка
В узле: 1
4
100-3519230
Шток в сборе
В узле: 1
5
100-3519458
Тарелка пружины
В узле: 1
6
100-3519254
Пружина (459135)
В узле: 1
7
100-3519225
Фланец
В узле: 1
8
100-3519221
Корпус в сборе
В узле: 1
9
100-3519246
Хомут
В узле: 2
10
301550
Болт М8-6g
В узле: 2
11
305890
Шайба 8 Т
В узле: 2
12
250510
Гайка М8-6Н
В узле: 2
13
100-3519339
Чехол защитный (459135)
В узле: 1
14
250634
Гайка М14х1,5-6Н
В узле: 1
15
100-3519238
Вилка
В узле: 1
Содержащиеся в справочниках-каталогах запасные части и детали не предлагаются к продаже, а носят исключительно информационный характер

Ваша заявка была отправлена. В ближайшее время наши специалисты с Вами свяжутся по указанному Вами телефону.

Представьтесь
Поле обязательно для заполнения
Ваш телефон
Введите правильный номер телефона
E-mail
Введите правильный e-mail
Тема
Тема
применяемость финансирование доставка цена, наличие другое сервис и гарантия
Время для звонка
08:00
08:00 09:00 10:00 11:00 12:00 13:00 14:00 15:00 16:00 17:00 18:00 19:00
19:00
08:00 09:00 10:00 11:00 12:00 13:00 14:00 15:00 16:00 17:00 18:00 19:00

Мы постараемся перезвонить в указанное время

Если вы не хотите ждать, то звоните нашим вежливым консультантам:

8 800 100-2-700
Подтвердите, что вы не робот
Подтвердите, что вы не робот
Спасибо!

Ваше сообщение успешно отправлено!

ЗакрытьПовторить попытку