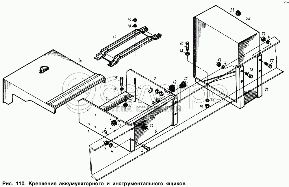
Каталог запасных частей к технике: МАЗ-64221. Крепление аккумуляторного и инструментального ящиков

zoom-in zoom-out enlarge shrink circle-right circle-left file-text2 info cart arraw right arraw left zoom out zoom in arraw maximize arraw minimize
1
2
3
4
4
4
5
6
7
8
9
10
11
12
13
14
15
16
17
18
18
19
19
20
21
22
23
24
24
25
26
27
28
1
54322-3748112
Кронштейн передний
В узле: 1
2
54322-3748021
Кронштейн задний
В узле: 1
3
201614
Болт М14х1,5-6gх40
В узле: 4
4
252139
Шайба 16.ОТ
В узле: 4
5
250559
Гайка М14х1,5-6Н
В узле: 4
6
54322-3748008
Основание
В узле: 1
7
54322-3748069
Усилитель
В узле: 2
8
201420
Болт М6-6gх20
В узле: 2
9
252037
Шайба 6
В узле: 2
10
252134
Шайба 6Т
В узле: 2
11
250508
Гайка М6-6Н
В узле: 2
12
54322-3748049
Заглушка
В узле: 1
13
5336-3724068
Втулка
В узле: 1
14
500-3724065
Втулка
В узле: 1
15
54322-3748047
Заглушка
В узле: 1
16
5336-3748070
Шпилька
В узле: 4
17
54322-3748056
Рамка
В узле: 1
18
252006
Шайба 10
В узле: 4
19
250512
Гайка М10-6Н
В узле: 4
20
5434-3748032
Крышка
В узле: 1
21
64221-8507140
Кронштейн
В узле: 1
22
201585
Болт М14-6gх30
В узле: 2
23
201588
Болт М14-6gх38
В узле: 2
24
250558
Гайка М14-6Н
В узле: 4
25
500С-8507010
Ящик инструментальный
В узле: 1
26
201497
Болт М10-6gх25
В узле: 4
27
252136
Шайба 10.ОТ
В узле: 4
28
500АС-8507096
Заглушка
В узле: 6
Содержащиеся в справочниках-каталогах запасные части и детали не предлагаются к продаже, а носят исключительно информационный характер

Ваша заявка была отправлена. В ближайшее время наши специалисты с Вами свяжутся по указанному Вами телефону.

Представьтесь
Поле обязательно для заполнения
Ваш телефон
Введите правильный номер телефона
E-mail
Введите правильный e-mail
Тема
Тема
применяемость финансирование доставка цена, наличие другое сервис и гарантия
Время для звонка
08:00
08:00 09:00 10:00 11:00 12:00 13:00 14:00 15:00 16:00 17:00 18:00 19:00
19:00
08:00 09:00 10:00 11:00 12:00 13:00 14:00 15:00 16:00 17:00 18:00 19:00

Мы постараемся перезвонить в указанное время

Если вы не хотите ждать, то звоните нашим вежливым консультантам:

8 800 100-2-700
Подтвердите, что вы не робот
Подтвердите, что вы не робот
Спасибо!

Ваше сообщение успешно отправлено!

ЗакрытьПовторить попытку