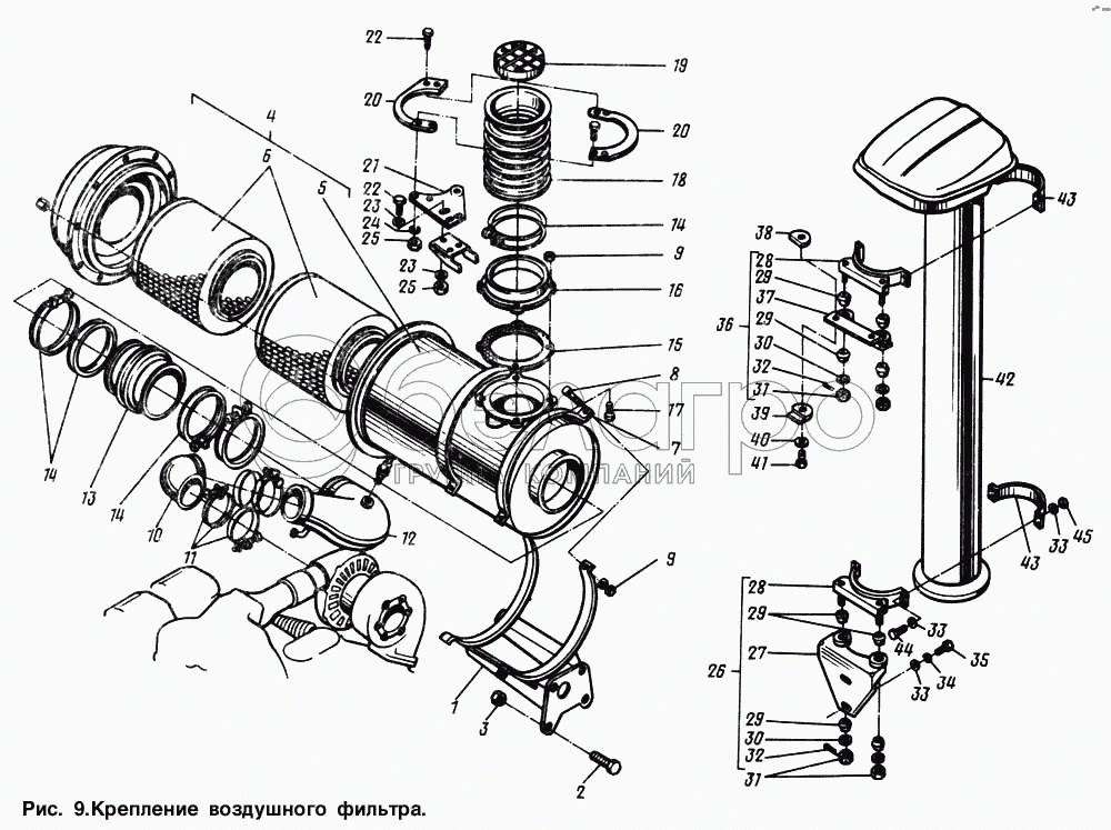
Каталог запасных частей к технике: МАЗ-64221. Крепление воздушного фильтра

zoom-in zoom-out enlarge shrink circle-right circle-left file-text2 info cart arraw right arraw left zoom out zoom in arraw maximize arraw minimize
1
2
3
4
5
6
7
8
9
9
10
11
12
13
14
14
14
15
16
17
18
19
20
20
21
22
22
23
23
24
25
25
26
27
28
28
29
29
29
29
30
30
31
31
32
32
33
33
33
34
35
36
37
38
39
40
41
42
43
43
44
45
6
8421-1109080
Элемент фильтрующий
В узле: 2
8421-1109080 (В4342) Фильтр воздушный (1 вместо 2) (МАЗ,КРАЗ с двиг.ЯМЗ) <10 шт. 1 615.52 р.
1
64221-1109110
Кронштейн
В узле: 1
2
201563
Болт М12х1,25-6gх30
В узле: 4
3
45 9563 1255
Гайка М12х1,25-6Н
В узле: 4
4
8421-1109010
Фильтр воздушный
В узле: 1
5
Корпус фильтра
Корпус фильтра
В узле: 1
7
6422-1109118
Хомут
В узле: 2
8
201526
Болт М10х1-6gх45
В узле: 4
9
45 9991 2525
Гайка М10х1-6Н
В узле: 8
10
64227-1109375
Уплотнитель
В узле: 1
11
6422-1109460
Хомут
В узле: 1
12
64221-1109030
Труба
В узле: 1
13
6422-1109144
Переходник
В узле: 1
14
6422-1109468
Хомут
В узле: 5
15
515Б-1109142
Прокладка
В узле: 1
16
6422-1109350
Патрубок
В узле: 1
17
201518
Болт М10х1
В узле: 4
18
6422-1109146
Переходник
В узле: 1
19
6422-1109177-10
Решетка
В узле: 1
20
6422-1109094
Кронштейн
В узле: 2
21
64221-1109093
Кронштейн
В узле: 1
22
201420
Болт М6-6gх20
В узле: 8
23
252004
Шайба 6
В узле: 6
24
252134
Шайба 6Т
В узле: 8
25
250508
Гайка М6-6Н
В узле: ---
26
64221-1109180
Основание
В узле: 1
27
64221-1109182
Основание
В узле: 1
28
6422-1109120
Хомут
В узле: 2
29
6422-1109184
Элемент упругий
В узле: 8
30
375533
Шайба 8
В узле: 4
31
250975
Гайка М8х1-6Н
В узле: 4
32
258014
Шплинт 2х20
В узле: 4
33
252005
Шайба 8
В узле: 18
34
252135
Шайба 8Т
В узле: 2
35
201460
Болт М8-6gх30
В узле: 2
36
6422-1109318
Опора верхняя
В узле: 1
37
6422-1109320
Кронштейн
В узле: 1
38
5336-8008058-01
Прижим верхний
В узле: 2
39
5336-8008059
Прижим нижний
В узле: 2
40
252136
Шайба 10.ОТ
В узле: 2
41
201501
Болт М10-6gх35
В узле: 2
42
64221-1109024
Воздухозаборник
В узле: 1
43
6422-1109092
Хомут
В узле: 2
44
201458
Болт М8-6gх25
В узле: 8
45
Гайка М8-6Н
Гайка М8-6Н
В узле: 8
Содержащиеся в справочниках-каталогах запасные части и детали не предлагаются к продаже, а носят исключительно информационный характер

Ваша заявка была отправлена. В ближайшее время наши специалисты с Вами свяжутся по указанному Вами телефону.

Представьтесь
Поле обязательно для заполнения
Ваш телефон
Введите правильный номер телефона
E-mail
Введите правильный e-mail
Тема
Тема
применяемость финансирование доставка цена, наличие другое сервис и гарантия
Время для звонка
08:00
08:00 09:00 10:00 11:00 12:00 13:00 14:00 15:00 16:00 17:00 18:00 19:00
19:00
08:00 09:00 10:00 11:00 12:00 13:00 14:00 15:00 16:00 17:00 18:00 19:00

Мы постараемся перезвонить в указанное время

Если вы не хотите ждать, то звоните нашим вежливым консультантам:

8 800 100-2-700
Подтвердите, что вы не робот
Подтвердите, что вы не робот
Спасибо!

Ваше сообщение успешно отправлено!

ЗакрытьПовторить попытку