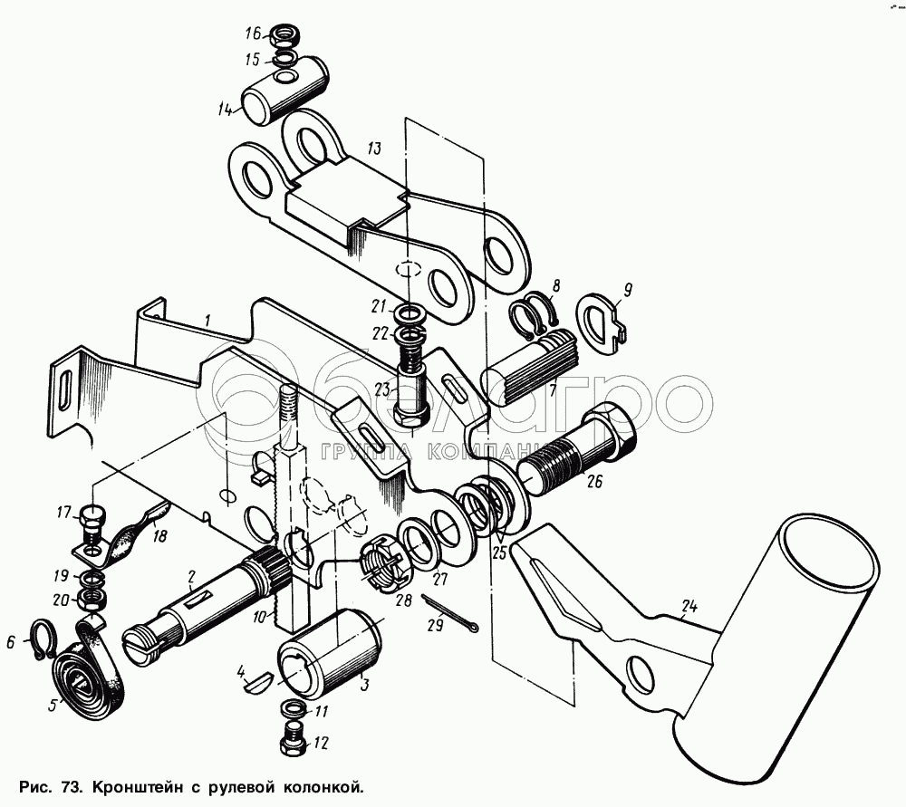
Каталог запасных частей к технике: МАЗ-64221. Кронштейн с рулевой колонкой

zoom-in zoom-out enlarge shrink circle-right circle-left file-text2 info cart arraw right arraw left zoom out zoom in arraw maximize arraw minimize
1
2
3
4
5
6
7
8
9
10
11
12
13
14
15
16
17
18
19
20
21
22
23
24
25
26
27
28
29
1
5336-3403012-20
Кронштейн
В узле: 1
2
64221-3403088
Ось
В узле: 1
3
5336-3403085
Втулка
В узле: 1
4
378079
Шпонка 3х5
В узле: 1
5
6422-3403061-10
Пружина
В узле: 2
6
400332
Кольцо Б14
В узле: 1
7
5336-3403098-10
Ось
В узле: 1
8
400346
Кольцо Б20
В узле: 2
9
5336-3403093
Стопор
В узле: 1
10
5336-3403094-10
Рейка
В узле: 1
11
252037
Шайба 6
В узле: 1
12
201415
Болт М6-6gх10
В узле: 1
13
5336-3403050
Кронштейн
В узле: 1
14
5336-3403097-10
Палец
В узле: 2
15
252155
Шайба 8Л
В узле: 1
16
250510
Гайка М8-6Н
В узле: 1
17
201416
Болт М6-6gх12
В узле: 1
18
5336-3403096-10
Толкатель
В узле: 1
19
252154
Шайба 6Л
В узле: 1
20
250508
Гайка М6-6Н
В узле: 1
21
252007
Шайба 12
В узле: 1
22
252157
Шайба 124
В узле: 1
23
5336-3403105
Болт регулировочный
В узле: 1
24
64221-3444020
Корпус
В узле: 1
25
5336-3403103
Шайба
В узле: 2
26
5336-3403099
Стяжной болт
В узле: 1
27
252018
Шайба 18
В узле: 1
28
374809
Гайка М18х1,5-5Н6Н
В узле: 1
29
258071
Шплинт 5х45
В узле: 1
Содержащиеся в справочниках-каталогах запасные части и детали не предлагаются к продаже, а носят исключительно информационный характер

Ваша заявка была отправлена. В ближайшее время наши специалисты с Вами свяжутся по указанному Вами телефону.

Представьтесь
Поле обязательно для заполнения
Ваш телефон
Введите правильный номер телефона
E-mail
Введите правильный e-mail
Тема
Тема
применяемость финансирование доставка цена, наличие другое сервис и гарантия
Время для звонка
08:00
08:00 09:00 10:00 11:00 12:00 13:00 14:00 15:00 16:00 17:00 18:00 19:00
19:00
08:00 09:00 10:00 11:00 12:00 13:00 14:00 15:00 16:00 17:00 18:00 19:00

Мы постараемся перезвонить в указанное время

Если вы не хотите ждать, то звоните нашим вежливым консультантам:

8 800 100-2-700
Подтвердите, что вы не робот
Подтвердите, что вы не робот
Спасибо!

Ваше сообщение успешно отправлено!

ЗакрытьПовторить попытку