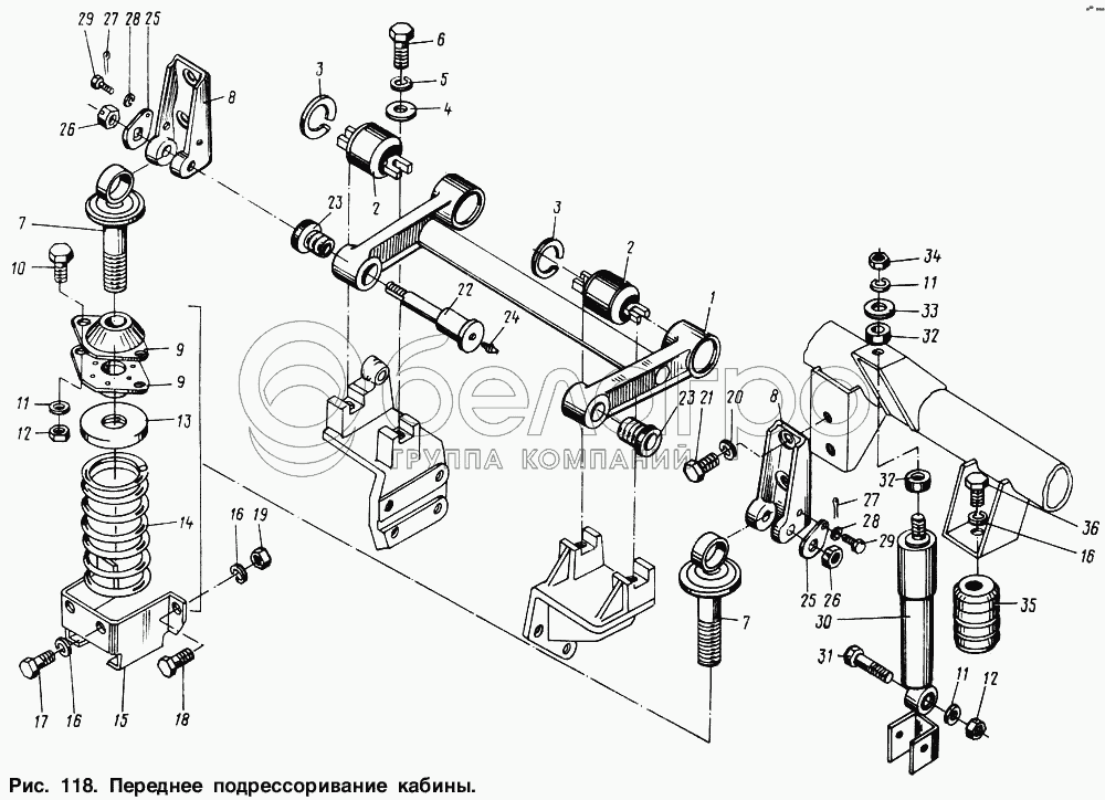
Каталог запасных частей к технике: МАЗ-64221. Переднее подрессоривание кабины

zoom-in zoom-out enlarge shrink circle-right circle-left file-text2 info cart arraw right arraw left zoom out zoom in arraw maximize arraw minimize
1
2
2
3
3
4
5
6
7
7
8
8
9
9
10
11
11
11
12
12
13
14
15
16
16
16
17
18
19
20
21
22
23
23
24
25
25
26
26
27
27
28
28
29
29
30
31
32
32
33
34
35
36
1
64221-5001710
Стабилизатор
В узле: 1
2
64226-5001723
Опора задняя
В узле: 2
3
400457
Кольцо УБ 65
В узле: 2
4
252017
Шайба 16
В узле: 4
5
252139
Шайба 16.ОТ
В узле: 4
6
372613
Болт М16х1,5-6gх55
В узле: 4
7
64221-5001706
Опора
В узле: 2
8
64221-5101148-01
Кронштейн
В узле: 2
9
5336-5001756
Буфер
В узле: 4
10
201499
Болт М10-6gх30
В узле: 4
11
252136
Шайба 10.ОТ
В узле: 4
12
250512
Гайка М10-6Н
В узле: 4
13
5336-5001770
Чашка верхняя
В узле: 2
14
5336-5001730
Пружина
В узле: 2
15
5336-5001760
Кронштейн опоры
В узле: 2
16
252137
Шайба 12.ОТ
В узле: 6
17
201540
Болт М12-6gх30
В узле: 2
18
201542
Болт М12-6gх35
В узле: 2
19
250514
Гайка М12-6Н
В узле: 4
20
252140
Шайба 18.ОТ
В узле: 4
21
372787
Болт М18х1,5-6gх50
В узле: 4
22
64221-5001722
Ось
В узле: 2
23
64221-5001782
Втулка
В узле: 2
24
264072
Масленка 1.1.4ХЛ1
В узле: 2
25
64221-5001774
Стопор
В узле: 2
26
374809
Гайка М18х1,5-5Н6Н
В узле: 2
27
258054
Шплинт 4,0х32
В узле: 2
28
252135
Шайба 8Т
В узле: 2
29
201456
Болт М8-6gх20
В узле: 2
30
2101-2905004-07
Амортизатор
В узле: 2
31
200320
Болт М10-6gх55
В узле: 2
32
500-1302139
Подушка малая
В узле: 4
33
504В-6801122
Шайба
В узле: 2
34
374377
Гайка М10х1,25-6Н
В узле: 2
35
5336-5001766
Буфер
В узле: 2
36
201538
Болт М12-6gх25
В узле: 2
Содержащиеся в справочниках-каталогах запасные части и детали не предлагаются к продаже, а носят исключительно информационный характер

Ваша заявка была отправлена. В ближайшее время наши специалисты с Вами свяжутся по указанному Вами телефону.

Представьтесь
Поле обязательно для заполнения
Ваш телефон
Введите правильный номер телефона
E-mail
Введите правильный e-mail
Тема
Тема
применяемость финансирование доставка цена, наличие другое сервис и гарантия
Время для звонка
08:00
08:00 09:00 10:00 11:00 12:00 13:00 14:00 15:00 16:00 17:00 18:00 19:00
19:00
08:00 09:00 10:00 11:00 12:00 13:00 14:00 15:00 16:00 17:00 18:00 19:00

Мы постараемся перезвонить в указанное время

Если вы не хотите ждать, то звоните нашим вежливым консультантам:

8 800 100-2-700
Подтвердите, что вы не робот
Подтвердите, что вы не робот
Спасибо!

Ваше сообщение успешно отправлено!

ЗакрытьПовторить попытку