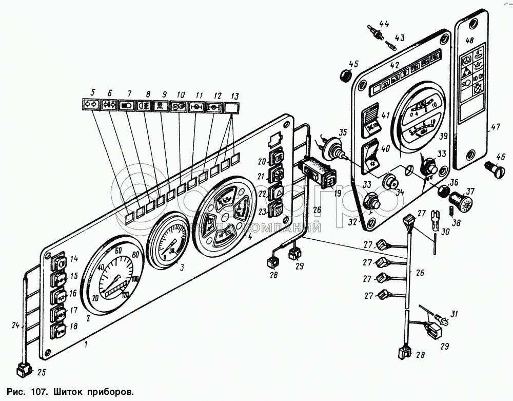
Каталог запасных частей к технике: МАЗ-64221. Щиток приборов

zoom-in zoom-out enlarge shrink circle-right circle-left file-text2 info cart arraw right arraw left zoom out zoom in arraw maximize arraw minimize
1
2
3
4
5
6
7
8
9
10
11
12
13
14
15
16
17
18
19
20
21
22
23
24
25
26
26
27
27
27
27
27
28
28
29
29
30
31
32
33
33
34
35
36
37
38
39
40
41
42
43
44
45
46
47
48
1
64221-3805010-01
Щиток приборов
В узле: 1
2
СП152-3802010-Т
Спидометр
В узле: 1
3
2527.3813010
Тахометр электрический
В узле: 1
4
2807-3801010
Комбинация приборов
В узле: 1
5
2212-3803010-07
Лампа контрольная включения сигнала поворота
В узле: 1
6
2212-3803010-08
Лампа контрольная включения сигнала поворота прицепа
В узле: 1
7
2212-3803010-17
Лампа контрольная включения электрофакельного подогревателя
В узле: 1
8
2212-3803010-11
Лампа контрольная
В узле: 1
9
2212-3803010-17
Лампа контрольная включения электрофакельного подогревателя
В узле: 1
10
2212-3803010-35
Лампа контрольная включения делителя КП
В узле: 1
11
2212-3803010-13
Лампа контрольная включения блокировки межколесного дифференциала
В узле: 1
12
2212-3803010-14
Лампа контрольная включения блокировки межосевого дифференциала
В узле: 1
13
2212-3803010-41
Заглушка
В узле: 4
14
3812.3710000-02.05
Выключатель фары освещения сцепки
В узле: 1
15
3812.3710000-02.28
Выключатель блокировки межколесного дифференциала
В узле: 1
16
3812.3710000-02.09
Выключатель унифицированный
В узле: 1
17
3812.3710000-02.29
Выключатель фары освещения сцепки
В узле: 1
18
3612.3710000-02.27
Выключатель блокировки поворотной оси полуприцепа
В узле: 1
19
3812.3710000-10.03
Выключатель противотуманных фар
В узле: 1
20
3812.3710000-02.04
Выключатель заднего противотуманного фонаря
В узле: 1
21
3812.3710000-02.17
Выключатель холодильника
В узле: 1
22
3812.3710000-02.38
Выключатель фонаря знака автопоезда
В узле: 1
23
3812.3710000-02.23
Выключатель обогрева зеркал
В узле: 1
24
64221-3724012-01
Жгут левых выключателей
В узле: 1
25
50260810
Колодка
В узле: 1
26
64221-3724014-01
Жгут правых выключателей
В узле: 1
27
60860810
Колодка
В узле: 5
28
60260610
Колодка
В узле: 2
29
50260610
Колодка
В узле: 2
30
20360262
Контакт
В узле: 29
31
10360251
Контакт 1 03 6 02 51
В узле: 6
32
64221-3805012
Щиток приборов
В узле: 1
33
11.3704000
Кнопка управления дистанционного включения массы
В узле: 2
34
32.3710000
Выключатель аварийной сигнализации
В узле: 1
35
ВК416Б-3709000-01
Выключатель освещения щитка приборов с реостата
В узле: 1
36
374373
Гайка М10х1-6Н
В узле: 1
37
5428-3710021
Ручка выключателя
В узле: 1
38
242461
Винт М4-6gх8
В узле: 1
39
УК168-3810010
Приемник указателя давления
В узле: 1
40
58.3710000-01
Переключатель света центральный
В узле: 1
41
П147-3709000-09.11
Переключатель
В узле: 1
42
2312.3803010-03
Блок контрольных ламп
В узле: 1
43
А24-2
Лампа А24-2
В узле: 5
44
ЛВ211-3714329
Патрон со штекером
В узле: 5
45
250462
Гайка М4-6Н
В узле: 4
46
223064
Винт М6-6gх14
В узле: 10
47
64221-3805024-01
Панель щитка контрольных ламп БСК
В узле: 1
48
3012.3803.010
Блок контрольных ламп
В узле: 1
Содержащиеся в справочниках-каталогах запасные части и детали не предлагаются к продаже, а носят исключительно информационный характер

Ваша заявка была отправлена. В ближайшее время наши специалисты с Вами свяжутся по указанному Вами телефону.

Представьтесь
Поле обязательно для заполнения
Ваш телефон
Введите правильный номер телефона
E-mail
Введите правильный e-mail
Тема
Тема
применяемость финансирование доставка цена, наличие другое сервис и гарантия
Время для звонка
08:00
08:00 09:00 10:00 11:00 12:00 13:00 14:00 15:00 16:00 17:00 18:00 19:00
19:00
08:00 09:00 10:00 11:00 12:00 13:00 14:00 15:00 16:00 17:00 18:00 19:00

Мы постараемся перезвонить в указанное время

Если вы не хотите ждать, то звоните нашим вежливым консультантам:

8 800 100-2-700
Подтвердите, что вы не робот
Подтвердите, что вы не робот
Спасибо!

Ваше сообщение успешно отправлено!

ЗакрытьПовторить попытку