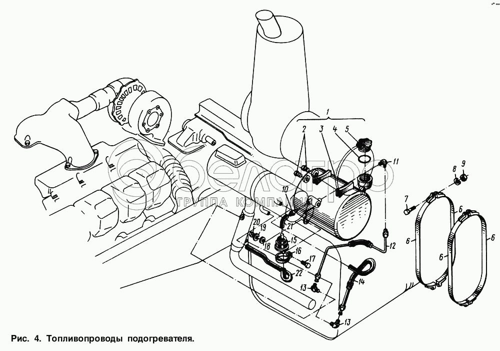
Каталог запасных частей к технике: МАЗ-64221. Топливопроводы подогревателя

zoom-in zoom-out enlarge shrink circle-right circle-left file-text2 info cart arraw right arraw left zoom out zoom in arraw maximize arraw minimize
1
2
3
4
5
6
6
6
6
7
8
9
10
11
12
13
13
14
15
16
17
18
19
20
21
22
1
64221-1015910
Бачок топливный
В узле: 1
2
262543
Пробка
В узле: 2
3
64221-1015914
Бачок топливный
В узле: 1
4
052-058-36-2-3
Кольцо
В узле: 1
5
64221-1311053
Пробка
В узле: 1
6
64221-1015620
Хомут
В узле: 4
7
201459
Болт М8-6gх25
В узле: 4
8
252135
Шайба 8Т
В узле: 4
9
250510
Гайка М8-6Н
В узле: 4
10
401589
Ниппель
В узле: 1
11
402766
Угольник
В узле: 1
12
64221-1015410
Топливопровод
В узле: 1
13
379737
Угольник
В узле: 2
14
64221-1015172
Топливопровод
В узле: 1
15
ФБ-01.00.000
Фильтр топливный
В узле: 1
16
401873
Кляммер
В узле: 1
17
201420
Болт М6-6gх20
В узле: 1
18
252006
Шайба 10
В узле: 1
19
252134
Шайба 6Т
В узле: 1
20
250508
Гайка М6-6Н
В узле: 1
21
64221-1015173
Шланг Рукав 6х14-16 L = 85 мм
В узле: 1
22
64221-1015383
Шланг Рукав 6х14-16 L = 480 мм
В узле: 1
Содержащиеся в справочниках-каталогах запасные части и детали не предлагаются к продаже, а носят исключительно информационный характер

Ваша заявка была отправлена. В ближайшее время наши специалисты с Вами свяжутся по указанному Вами телефону.

Представьтесь
Поле обязательно для заполнения
Ваш телефон
Введите правильный номер телефона
E-mail
Введите правильный e-mail
Тема
Тема
применяемость финансирование доставка цена, наличие другое сервис и гарантия
Время для звонка
08:00
08:00 09:00 10:00 11:00 12:00 13:00 14:00 15:00 16:00 17:00 18:00 19:00
19:00
08:00 09:00 10:00 11:00 12:00 13:00 14:00 15:00 16:00 17:00 18:00 19:00

Мы постараемся перезвонить в указанное время

Если вы не хотите ждать, то звоните нашим вежливым консультантам:

8 800 100-2-700
Подтвердите, что вы не робот
Подтвердите, что вы не робот
Спасибо!

Ваше сообщение успешно отправлено!

ЗакрытьПовторить попытку