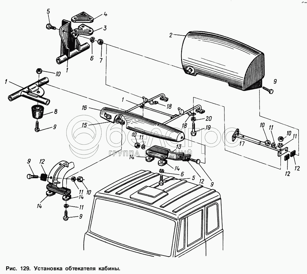
Каталог запасных частей к технике: МАЗ-64221. Установка обтекателя кабины

zoom-in zoom-out enlarge shrink circle-right circle-left file-text2 info cart arraw right arraw left zoom out zoom in arraw maximize arraw minimize
1
1
1
2
3
4
5
5
6
6
7
8
9
9
9
9
9
10
10
10
10
10
11
11
11
11
11
12
12
12
12
13
14
14
14
14
15
16
17
18
18
19
20
1
64221-8008026
Каркас
В узле: 1
2
64221-8008020-10
Обтекатель
В узле: 1
3
64221-8008050
Кронштейн
В узле: 4
4
5336-8008064
Прокладка
В узле: 2
5
201495
Болт М10-6gх20
В узле: 18
6
252156
Шайба 10Л
В узле: 20
7
250512
Гайка М10-6Н
В узле: 6
8
500АС-8503186
Буфер
В узле: 2
9
210381
Болт М8-6gх22
В узле: 18
10
250510
Гайка М8-6Н
В узле: 22
11
252155
Шайба 8Л
В узле: 22
12
64221-8008060
Прокладка
В узле: 10
13
64221-8008043
Кронштейн
В узле: 1
14
5336-8008059
Прижим нижний
В узле: 12
15
64221-8008042
Кронштейн
В узле: 1
16
64221-8008024
Козырек
В узле: 1
17
64221-8008080
Балка
В узле: 1
18
64221-8008063-10
Скоба
В узле: 2
19
200270
Болт М8-6gх55
В узле: 4
20
252038
Шайба 8
В узле: 2
Содержащиеся в справочниках-каталогах запасные части и детали не предлагаются к продаже, а носят исключительно информационный характер

Ваша заявка была отправлена. В ближайшее время наши специалисты с Вами свяжутся по указанному Вами телефону.

Представьтесь
Поле обязательно для заполнения
Ваш телефон
Введите правильный номер телефона
E-mail
Введите правильный e-mail
Тема
Тема
применяемость финансирование доставка цена, наличие другое сервис и гарантия
Время для звонка
08:00
08:00 09:00 10:00 11:00 12:00 13:00 14:00 15:00 16:00 17:00 18:00 19:00
19:00
08:00 09:00 10:00 11:00 12:00 13:00 14:00 15:00 16:00 17:00 18:00 19:00

Мы постараемся перезвонить в указанное время

Если вы не хотите ждать, то звоните нашим вежливым консультантам:

8 800 100-2-700
Подтвердите, что вы не робот
Подтвердите, что вы не робот
Спасибо!

Ваше сообщение успешно отправлено!

ЗакрытьПовторить попытку