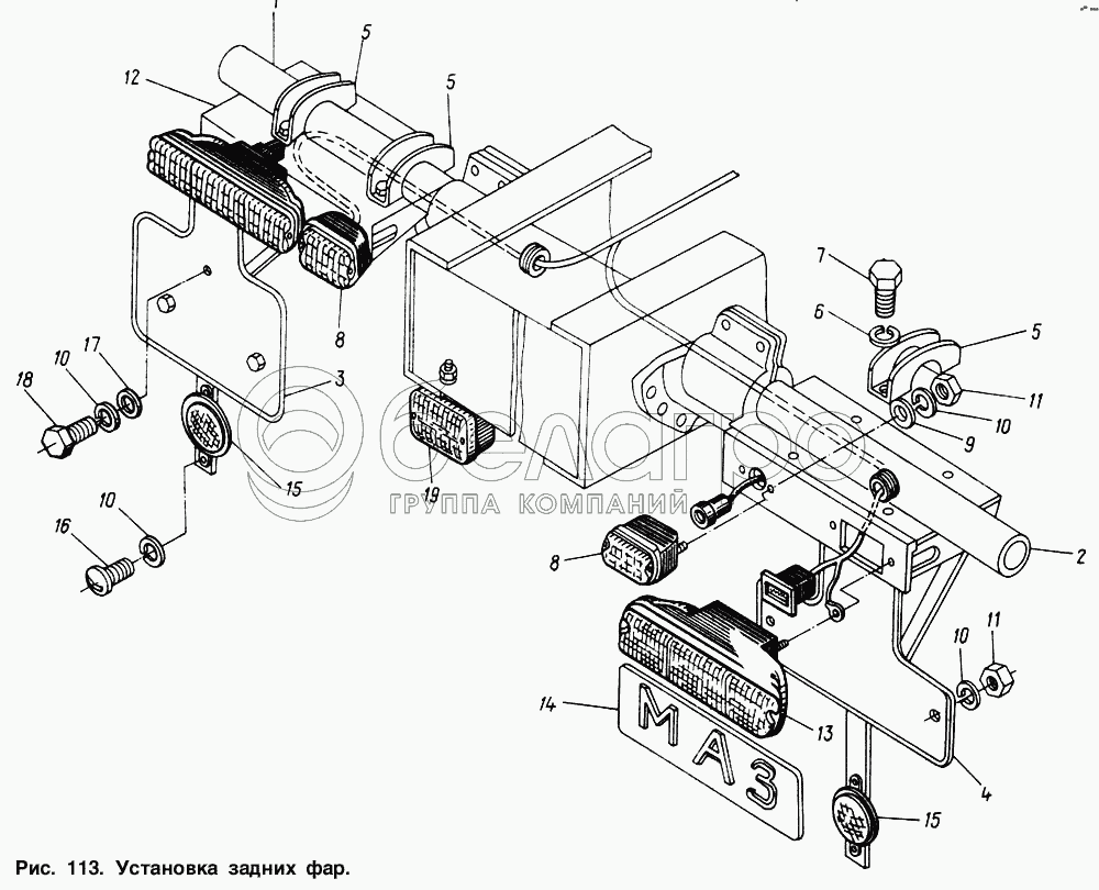
Каталог запасных частей к технике: МАЗ-64221. Установка задних фонарей

zoom-in zoom-out enlarge shrink circle-right circle-left file-text2 info cart arraw right arraw left zoom out zoom in arraw maximize arraw minimize
2
3
4
5
5
5
6
7
8
8
9
10
10
10
10
11
11
12
13
14
15
15
16
17
18
19
1
64221-3716009
Труба левая
В узле: 1
2
64221-3716008
Труба правая
В узле: 1
3
64221-3716015
Кронштейн задних фонарей левый
В узле: 1
4
64226-3716014
Кронштейн задних фонарей правый
В узле: 1
5
64221-3716086
Прижим
В узле: 4
6
252135
Шайба 8Т
В узле: 8
7
201459
Болт М8-6gх25
В узле: 8
8
ФП135-3716010Г
Фонарь заднего хода
В узле: 2
9
252037
Шайба 6
В узле: 6
10
252134
Шайба 6Т
В узле: 17
11
250508
Гайка М6-6Н
В узле: 10
12
35.3716010
Фонарь задний
В узле: 1
13
351.3716010
Фонарь задний
В узле: 1
14
64226-8212061
Знак заводской задний
В узле: 1
15
ФП310Е
Световозвращатель
В узле: 2
16
220103
Винт М6-6gх12
В узле: 4
17
252004
Шайба 6
В узле: 3
18
201416
Болт М6-6gх12
В узле: 3
19
2412.3716010
Фонарь задний противотуманный
В узле: 1
Содержащиеся в справочниках-каталогах запасные части и детали не предлагаются к продаже, а носят исключительно информационный характер

Ваша заявка была отправлена. В ближайшее время наши специалисты с Вами свяжутся по указанному Вами телефону.

Представьтесь
Поле обязательно для заполнения
Ваш телефон
Введите правильный номер телефона
E-mail
Введите правильный e-mail
Тема
Тема
применяемость финансирование доставка цена, наличие другое сервис и гарантия
Время для звонка
08:00
08:00 09:00 10:00 11:00 12:00 13:00 14:00 15:00 16:00 17:00 18:00 19:00
19:00
08:00 09:00 10:00 11:00 12:00 13:00 14:00 15:00 16:00 17:00 18:00 19:00

Мы постараемся перезвонить в указанное время

Если вы не хотите ждать, то звоните нашим вежливым консультантам:

8 800 100-2-700
Подтвердите, что вы не робот
Подтвердите, что вы не робот
Спасибо!

Ваше сообщение успешно отправлено!

ЗакрытьПовторить попытку